logo elektroda
logo elektroda
X
logo elektroda
REKLAMA
REKLAMA
Adblock/uBlockOrigin/AdGuard mogą powodować znikanie niektórych postów z powodu nowej reguły.

[Bascom] Czy kod w Bascom dla włącznika RC5 na ATTiny13 jest poprawny?

wilczasty 11 Sty 2013 14:46 3015 9
REKLAMA
  • #1 11773397
    wilczasty
    Poziom 19  
    Witajcie!

    Potrzebuje zbudować bardzo prosty włącznik/wyłącznik światła na ATTiny13, zależy mi na tym, aby wszystko było sterowane z jednej komendy RC5. Kod wygląda tak:
    Kod: text
    Zaloguj się, aby zobaczyć kod


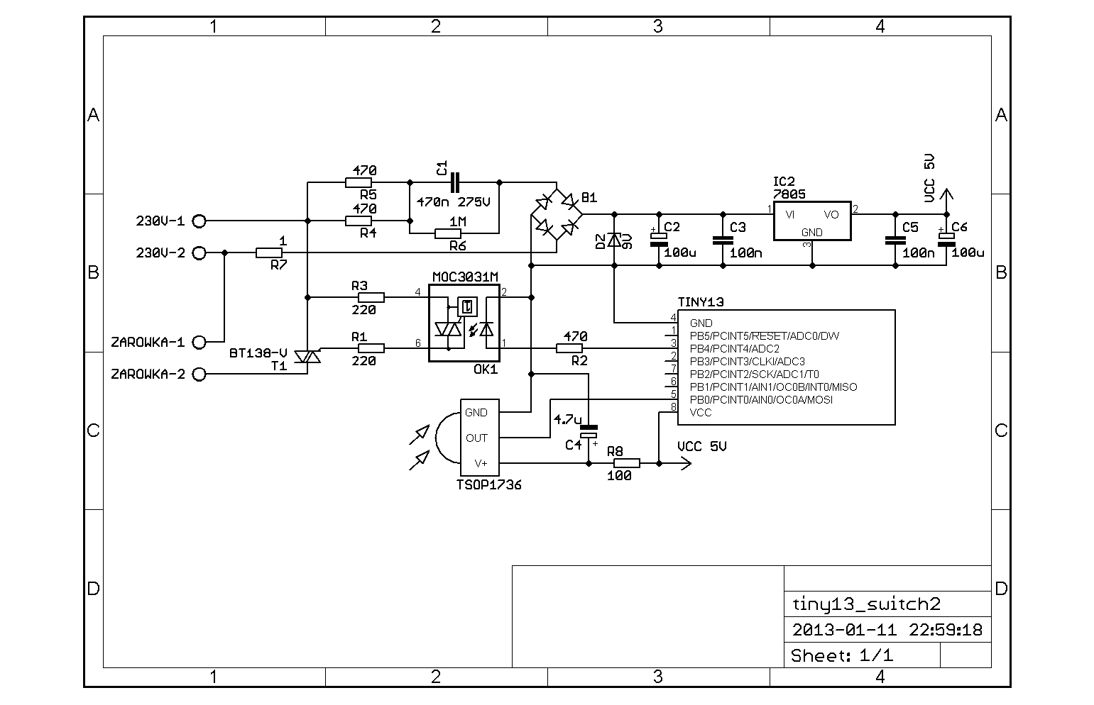
    Czy to ma szanse działać? Schemat wygląda tak:
    [Bascom] Czy kod w Bascom dla włącznika RC5 na ATTiny13 jest poprawny?

    Pozdrawiam,
    wilczasty.
  • REKLAMA
  • #2 11773743
    BlueDraco
    Specjalista - Mikrokontrolery
    O 2 kondensatory za mało - jeden na zasilaniu TSOP, drugi 100 nF przy uC.

    Ciekaw jestem, czy kod z Bascoma wejdzie w ATtiny13.
  • #3 11773758
    wilczasty
    Poziom 19  
    Raczej bez problemu powinien się zmieścić, bardziej chodziło mi o sprawdzenie poprawności kodu niż schematu.

    Pozdrawiam!
  • REKLAMA
  • #4 11773833
    feriar
    Poziom 12  
    Kod: text
    Zaloguj się, aby zobaczyć kod


    zmieniłbym to na:

    Kod: text
    Zaloguj się, aby zobaczyć kod


    Wtedy to powinno działać że jak raz wyślesz komendę 13 to się "załączy pin", a jak drugi raz wyślesz to "wyłączy pin"
  • REKLAMA
  • #5 11773903
    sp3ots
    Poziom 38  
    Witam !
    Nie może tak być:
    Kod: text
    Zaloguj się, aby zobaczyć kod

    A co będzie jak nadejdzie następna komenda 13 ?
    Co się stanie z portem B.4 ?
    Poza tym Pinb.4 = 1 powinien być zastąpiony Portb.4

    Pozdrawiam. Stefan
  • #6 11774198
    wilczasty
    Poziom 19  
    To w takim razie tak może być?
    Kod: text
    Zaloguj się, aby zobaczyć kod
  • REKLAMA
  • #7 11774435
    feriar
    Poziom 12  
    sp3ots napisał:
    A co będzie jak nadejdzie następna komenda 13 ?
    Co się stanie z portem B.4 ?
    Poza tym Pinb.4 = 1 powinien być zastąpiony Portb.4


    Wiem o co ci chodzi, odbierze tylko jedną bo ma opóźnienie 150ms.
    Niekoniecznie powinien być zastąpiony, bo taką instrukcją można negować wyprowadzenie czyli jak raz odbierze 13 to będzie stan 1, a jak drugi raz odbierze to będzie stan 0.
  • #8 11774462
    wilczasty
    Poziom 19  
    Gdyby ktoś był zainteresowany. Sprawdzony i działa.


    Kod: text
    Zaloguj się, aby zobaczyć kod
  • #9 11776449
    wilczasty
    Poziom 19  
    Witam,
    Przy okazji proszę jeszcze o sprawdzenie schematu podłączenia żarówki.
    [Bascom] Czy kod w Bascom dla włącznika RC5 na ATTiny13 jest poprawny?
  • #10 11777274
    pepson
    Poziom 18  
    Zwrócę uwagę na zasilacz beztransformatorowy.
    Podejrzewam, że te dwa rezystory R4 i R5 są połączone
    równolegle ponieważ są małej mocy(<0,5W).
    Jeżeli tak jest, to lepiej dać dwa szeregowo (tu po około 110Ω).
    ponieważ nie chodzi tylko o wytrzymałość termiczną, ale również
    o wytrzymałość napięciową.

    R6 też lepiej złożyć z dwóch szeregowo połączonych.

    Tu jest sporo informacji praktycznych:
    http://www.elportal.pl/pdf/k04/57_13.pdf
REKLAMA