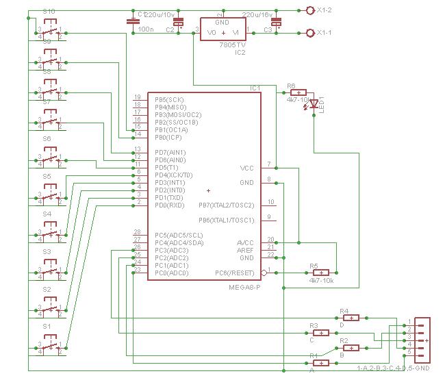
Witam, robię urządzenie, oparte na Atmega8 które ma po zwarciu switcha wyświetlić jego wartość (0..9) na wyświetlaczu 7 segmentowym, który będzie sterowany dekoderem kodu ABCD na 7 segm. .Całość wygląda tak:
Jeżeli chodzi o switche to proszę się nie sugerować schematem , bo zostały już poprawione (pierwotnie zwierały wejścia do masy , mimo że nie były załączone)
Problem polega na tym ,że na wyjściach procesora (portC 0..3) wciąż jest stan wysoki , próbowałem program przerabiać (było kilka wersji) zrobiłem też program, który tylko ustawi stany niskie na wyjściach, a te i tak są wysokie (resetowałem Atmege).Po wciśnięciu switcha pojawiają się niskie stany na wszystkich wyjściach , obojętnie który przycisk wcisnę, gdy puszczę wraca stan wysoki .Wszystko idzie cacy ,kompiluje, buduje, wgrywa, odczytuje z procesora.
Fuse bity:
Z góry dziękuję za odp.
Jeżeli chodzi o switche to proszę się nie sugerować schematem , bo zostały już poprawione (pierwotnie zwierały wejścia do masy , mimo że nie były załączone)
Problem polega na tym ,że na wyjściach procesora (portC 0..3) wciąż jest stan wysoki , próbowałem program przerabiać (było kilka wersji) zrobiłem też program, który tylko ustawi stany niskie na wyjściach, a te i tak są wysokie (resetowałem Atmege).Po wciśnięciu switcha pojawiają się niskie stany na wszystkich wyjściach , obojętnie który przycisk wcisnę, gdy puszczę wraca stan wysoki .Wszystko idzie cacy ,kompiluje, buduje, wgrywa, odczytuje z procesora.
Fuse bity:
Z góry dziękuję za odp.
