logo elektroda
logo elektroda
X
logo elektroda
REKLAMA
REKLAMA
Adblock/uBlockOrigin/AdGuard mogą powodować znikanie niektórych postów z powodu nowej reguły.

Sunker Elite One - dziwne dźwięki po opadach śniegu, zakłócenia na 40stce

sebus20 14 Sty 2013 19:36 2883 17
REKLAMA
  • #1 11788861
    sebus20
    Poziom 17  
    Witam. Posiadam radyjko sunker elite one i do tego antene gp 1/4fali,zasilanie akumulator. Po opadach sniegu,nie wiem co jest,zwarcia nie ma? Odbieram dziwne rozmowy na całej 40stce. Jest tak codziennie rano,do południa.
    Poniżej dodaje nagranie,słaba jakość bo nie mam jak inaczej i dodatkowo duże zakłócenia.
  • REKLAMA
  • Pomocny post
    #2 11789149
    mulek
    Poziom 26  
    Propagacja, wzmaga się aktywność słońca.
  • REKLAMA
  • Pomocny post
    #4 11789373
    mulek
    Poziom 26  
    Wpisz w google "propagacja fal radiowych" mnóstwo jest wiadomości na ten temat.
  • REKLAMA
  • Pomocny post
    #7 11790857
    multihunter
    Poziom 26  
    Tak wąski sunker do odbioru głosu mowy odpada co najwyżej do emisji cyfrowych, której nieznany mi rodzaj tu słychać.
    Musisz chyba zajrzeć do wiki pod hasło Aktywność Słoneczna, a jak przeczytasz ostatnie zdanie, to zajrzyj w kalendarz :D
  • REKLAMA
  • Pomocny post
    #8 11790991
    SP5ANJ
    Spoczywaj w Pokoju
    Witam.
    sebus20 napisał:
    To teraz już wiem ...

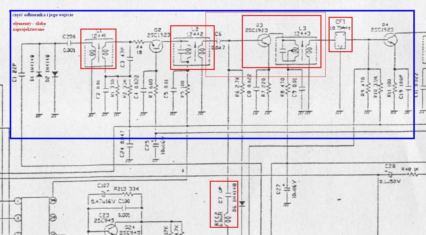
    To jeszcze musisz wiedzieć, że część odbiorcza (wejście i mieszacz I p.cz.) w tych modelach nie jest "powalająca" (delikatnie pisząc) i przy silnych sygnałach w okolicy częstotliwości I p.cz. (1-sza pośrednia częstotliwość) - sygnały takie "przenikają" przez stopnie przemiany co w efekcie daje właśnie taką "kakofonię zdarzeń słuchowych" . :cry:

    Sunker Elite One - dziwne dźwięki po opadach śniegu, zakłócenia na 40stce


    Pozdrawiam.
  • Pomocny post
    #11 11800317
    multihunter
    Poziom 26  
    Sunkery mają poważne wady konstrukcujne układu dopasowania impedancji wej. antenowego dlatego taki, a nie inny trop.
    Ujawnia się to też zależnie od °C, własności anteny, sposobu jej montażu, a objawy często uniemożliwiają łączność.

    Trudno jednoznacznie stwierdzić czy ta kakofonia tu to tylko możliwość przenikania sygnałów z okolicy częstotliwości p.cz.,
    bo ten Rx zbudowano w oparciu o prawie identyczne CB radio Midland 77-114 NEW występujące też pod nazwą Alan 100,
    które jak dotąd w "środowisku" uchodziło za nadzwyczaj dobre radio, bo jak dotąd nie opisano tu podobnego przypadku,
    bo w/w wada to w pewnym sensie nowość dla warsztatów CB radio i nie dotyczyła ona jak dotąd radia Sunker Elite One.
    Stąd niebanalne pytanie czy kol. Adam jest w stanie potwierdzić to stosownym pomiarem z użyciem sygnału zakłócającego ?

    ps.

    "Urządzenie z cewką" wygląda na skrzynkę antenową (matcher) służący do wyrównania różnicy w impedancji antena-radio,
    a w szczególnych przypadkach z w/w wadą może, ale nie musi negatywnie zmienić parametry wejścia antenowego.
    Staraj się proszę opisywać dalej problem w miarę szczegółowo, bo dotykamy właśnie bardzo wrażliwych tematów,
    a podwyższone warunki, a właściwie obecna aktywność w szczycie, to doskonały radio-tester CB radia z wadą fabryczną.
  • #12 11802576
    sebus20
    Poziom 17  
    Dziś wcześniej włączyłem to radyjko Overmax Alfa i faktycznie też bylo słychać obcojęzyczne rozmowy czyli to nie wina radia. Dziś zrobiłem antene 1/2 fali kierunkową i jutro zobaczymy co będzie. Słychać te rozmowy góra do 13 od której nie wiem.
  • Pomocny post
    #13 11805013
    multihunter
    Poziom 26  
    Widzisz nie zrobiłeś w tym samym czasie podmianki na Sunkera, więc nie powiedziałbym ostatniego słowa.
    Trzeba mieć podstawy, żeby stwierdzić co jest, a powodem tego może być tzw. "śmietnik" w pierwszym mieszaczu radia.
    Np. A. 78 plus multi, gdzie w wyniku przemiany częstotliwości heterodyny radio odbierające sygnał kanału CB
    może odbierać przy tym "śmieci" z poza pasma w wyniku przemiany prążków widma pochodzących od zakłócającego µP.
  • #14 11808587
    sebus20
    Poziom 17  
    Dziś zrobiłem taką podmianę tyle że na antenie ½dipol i jest to samo. Tu wyjaśnienie dlaczego nie kierunkowa www.elektroda.pl/rtvforum/topic2473592.html#11807704
    Więc koło godziny 12:00-13-00 włączyłem radio Overmax Alfa, na wszystkich kanałach były duże szumy i słabo słyszalne głosy,na kanale 19 to samo lecz jak mobilki byli bliżej było ich słychać normalnie i można było się dogadać. Doszedłem do kanału 38 i tam był głos bardziej wyrazisty lecz dziwnie to brzmiało (załączone nagrania),gdy sygnał był słabszy było cicho słychać lecz zrozumiale. Chwile później podłączyłem sunkera też na 38kanał,były straszne szumy i w oddali te głosy co na Overmax. Postanowiłem przełączyć na eu i o dziwo było tak samo jak na poprzednim radiu(też dziwnie brzmiało). Więc skąd to dziwne brzmienie? Dlaczego na eu a nie pl? Dodam że jak się przysłuchiwałem (wydawało mi się że mówią po polsku),te słabsze sygnały 100% obcojęzyczne.


    Edit:
    Kolejność od końca. Pierwszy Overmax, ostatni Sunker(02).
  • Pomocny post
    #17 11811572
    SP5ANJ
    Spoczywaj w Pokoju
    Nagranie 2, 3 i 4 to "bełkot" w innej emisji. Emisją tą jest USB, którą sunker nie odbierze bo nie ma tej emisji.


    Pozdrawiam.
REKLAMA