logo elektroda
logo elektroda
X
logo elektroda
REKLAMA
REKLAMA
Adblock/uBlockOrigin/AdGuard mogą powodować znikanie niektórych postów z powodu nowej reguły.

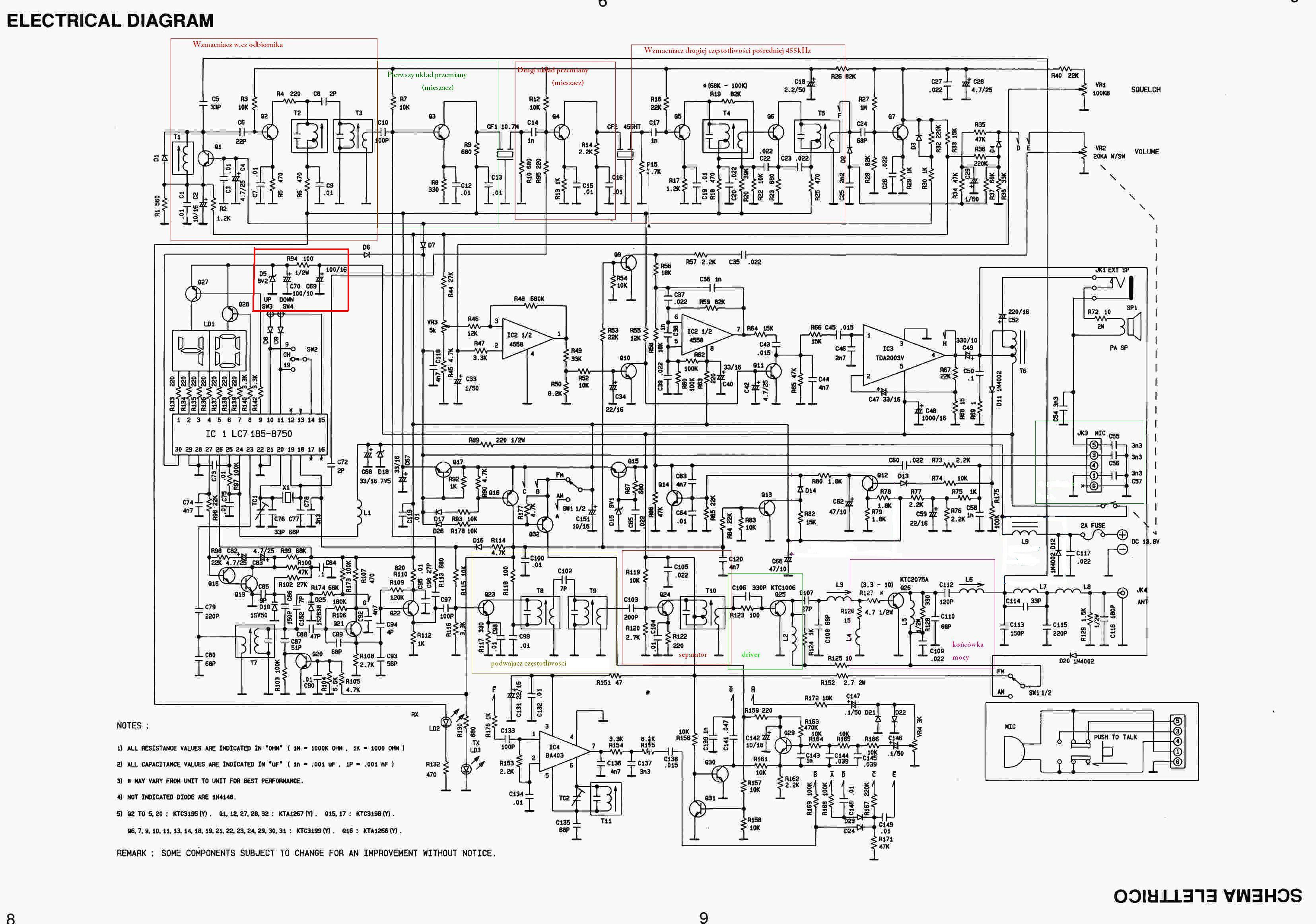
Alan 100 Plus Pl - Radio nie wycisza się po wymianie R94 100Ω

slaviusz1 21 Sty 2013 12:24 3096 7
REKLAMA
  • #1 11819547
    slaviusz1
    Poziom 19  
    Dzień dobry !

    Nie mogę ściszyć radia potencjometrem tak , żeby nie było nic słychać.
    Na płycie spalony był R94 o wartości 100Ω i po wymianie to samo.

    Alan 100 Plus Pl - Radio nie wycisza się po wymianie R94 100Ω

    Czy ktoś miał podobny problem ?
  • REKLAMA
  • #2 11819893
    .Labrador
    Poziom 26  
    slaviusz1 napisał:
    nie mogę ściszyć radia potencjometrem tak

    Potencjometr od volume ma taką wartość jak na schemacie?nie był podmieniany.
  • REKLAMA
  • #3 11819989
    slaviusz1
    Poziom 19  
    Radio w oryginale , a to już ta nowa płyta smd i potencjometry też "nowoczesne".
  • REKLAMA
  • #4 11821403
    Driver-
    Poziom 38  
    Prawdopodobnie potencjometr nie ma połączenia z masą. Potencjometr ustaw w położeniu "wyłączony". Podłącz omomierz jedną końcówką na suwak potencjometru i zmierz oporność pomiędzy jego zewnętrznymi nóżkami. Na jednej masz mieć 20kΩ a na drugiej 0Ω. Jeśli omomierz wskaże z jednej strony 20kΩ a z drugiej ∞ to potencjometr trzeba będzie wymienić. Ta zewnętrzna nóżka, na której jest 0Ω to masa, ma mieć połączenie z minusem zasilania. Jeżeli brakuje tego połączenia trzeba je przywrócić szukając przerwy w połączeniu z masą, lub połączyć przewodem z najbliższą np. z masą potencjometru od blokady szumów.
  • REKLAMA
  • #5 11824329
    slaviusz1
    Poziom 19  
    Po sprawdzeniu potencjometru wszystko wydaje się OK. Rezystor R57 też podstawiałem mniejszy.
    Jednak przy trochę odkręconym SQ nadal nie da się radia całkowicie wyciszyć.
    Podstawiałem na próbę potencjometr od "starego" Alana - bez zmian :(
  • #6 11824939
    .Labrador
    Poziom 26  
    slaviusz1 napisał:
    nie da się radia całkowicie wyciszyć

    Spróbuj zwiększył opór R66 na wejściu do TDA2003?.
  • #7 11825833
    SP5ANJ
    Spoczywaj w Pokoju
    Witam.
    slaviusz1 napisał:
    Na płycie spalony był R94 o wartości 100Ω i po wymianie to samo.

    Zastanów się co ma R94 do audio m.cz. odbiornika. :?:
    Podpowiedź - NIC.
    R94 to "redukcja" napięć/prądu do układu stabilizacji samego napięcia +8V oparta na diodzie Zenera D5 dla wyświetlacza cyfr kanału.

    Cytat:
    Rezystor R57 też podstawiałem mniejszy

    Zmniejszenie wartości R57 tylko zwiększy poziom sygnału m.cz. z potencjometru Volume.

    Ty masz sprawdzić ( jak napisał Driver- ) połączenie i czy jest zwarcie pomiędzy (na niebiesko) :

    Alan 100 Plus Pl - Radio nie wycisza się po wymianie R94 100Ω


    Pozdrawiam.
  • #8 11827189
    Driver-
    Poziom 38  
    slaviusz1 napisał:
    Po sprawdzeniu potencjometru wszystko wydaje się OK.
    A sprawdziłeś czy potencjometr ma połączenie z masą czyli z minusem zasilania. Regulacja głośności jeśli jest na minimum to suwak połączony jest z masą czyli do niej zwarty. Podłącz omomierz jedną końcówką na suwak a drugą do obudowy. Pokręć potencjometrem i sprawdź czy oporność się zmienia. Ma być 0Ω przy pokręceniu do oporu w lewo (min. głośności i wyłączony) i 20kΩ przy pokręceniu w prawo (maks głośności). Jeśli będzie inny pomiar to znaczy że nie ma połączenia z masą.
    slaviusz1 napisał:
    Rezystor R57 też podstawiałem mniejszy.
    Ten rezystor zostaw jaki jest, bo to nie tu jest uszkodzenie.
    slaviusz1 napisał:
    Jednak przy trochę odkręconym SQ nadal nie da się radia całkowicie wyciszyć.
    Czy regulacja SQ działa poprawnie, to znaczy w kręcąc w lewo pojawiają się szumy a kręcąc w prawo następuje ich wyciszenie.
    slaviusz1 napisał:
    Podstawiałem na próbę potencjometr od "starego" Alana - bez zmian :(
    Sam widzisz że to nie potencjometr. Pisałem w poprzednim poście co masz zrobić i jak pomierzyć. Dlatego pytam jeszcze raz czy jedna z nóżek potencjometru głośności ma połączenie z masą (minusem zasilania). Można to wszystko, oprócz działania SQ, sprawdzić nawet bez podłączonego zasilacza wystarczy omomierz.
REKLAMA