logo elektroda
logo elektroda
X
logo elektroda
REKLAMA
REKLAMA
Adblock/uBlockOrigin/AdGuard mogą powodować znikanie niektórych postów z powodu nowej reguły.

MAGICAR 440 - Dla tych. którzy maja problemy z podłączeniem

krisos 13 Lut 2005 13:34 22151 71
REKLAMA
  • #1 1224520
    krisos

    Poziom 14  
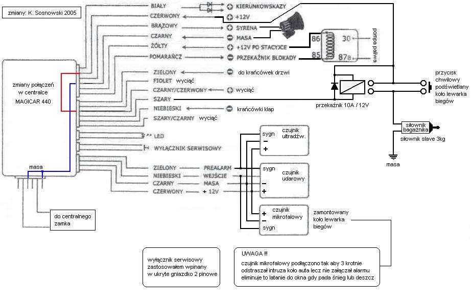
    MAGICAR440 - wbrew opiniom o tym alarmie oraz braku atestu, jest to niewątpliwie udana konstrukcja za dobre pieniądzę i o dużych możliwościach. Jednak podczas instalacji zastosowałem pewne modyfikacje w samej centralce. Podłączyłem dodatkowo czyjniki : mikrofalowy, ultradźwiękowy oraz udarowy. Oczywiscie bagażnik też otwiera się z pilota :-)) Wiem , że jest tylu zwolenników co przeciwników, jednak nie chcę tu debatować nad tym. Poprostu sam go montowałem w swoim autku (SienaHL) i jestem w stanie pomóc tym, którzy sobie nie radzą. Zastosowałem pewne "myki" co do centralnego oraz czujek dodatkowych. Jeśli macie problemy piszcie na forum i dajcie mi znać na maila, że potrzebujecie pomocy. admin-ks(_at_)wp.pl. Chętnie pomoge. Pozdrawiam ALL grupowiczów.
    PS jesli ktoś ma najnowsze BMW lub Mesia to spewnościa nawet nie myśli o zmianie na magicar`a (co jest zrozumiałe) lecz nie każdego z nas stać na wydatek ok 2.500zł na "zawodowy" atestowany alarm.

    Pogrubiamy tylko najważniejsze elementy a nie całą wypowiedź poprawiono yasiu.brzeg
  • REKLAMA
  • #2 1227089
    MarcinBlue
    Poziom 11  
    a domykanie szybek jak podłączyć?
    bo zastanawiam się nad zmianą alarmu i chcę zrobić to samo co Ty plus MD-2!
    p.s.
    ciche wł/wył. odbywa się tylko przez jednoczesne naciścięcie dwóch przycisków?
  • #3 1267286
    ultragraf
    Poziom 16  
    Na schemacie ultradźwięki podpięte są do linii prealarmu a mikrofala
    pod wejście, czy to nie pomyłka?
  • #4 1267429
    aras_aras
    Poziom 12  
    Witam!
    Przymierzam się do założenia Magicara do Cordoby 95r. Czy mozecie coś poradzić w tym temacie, gdzie najłatwiej sie wciąć, gdzie szukać poszczególnych kabli i gdzie zamontować wstrząsówkę, żeby działała kiedy trzeba???
    Chcę tez sterować nim zamek pneumatyczny i domykać szyby...

    Proszę o odzew...
  • #5 1294330
    msepl
    Poziom 26  
    Witam !!
    Sprzedajemy tego około 20 szt. tygodniowo.
    Alarm jest rewelacyjny, stosunek cena-jakość.
    Gdyby ktoś potrzebował pomocy służymy poradami.

    pozdrawiam
    msepl
  • #6 1307090
    mkr
    Poziom 2  
    Witam
    Kombinuję nad zrobieniem odpalania z pilota w modelu 440
    proszę o pomoc.
  • REKLAMA
  • #7 1317370
    noski77
    Poziom 11  
    witam

    tez zakupiłem magicara 440b i szykuje sie do montażu w mondeo 96' .
    nie wiem jednak gdzie umieścic cz.wstrząsowy aby działał kiedy trzeba , rozpracowuje jak to wszystko podpiąć , jak otwierać klape z pilota ( w klapie nie mam siłownika wiec musze coś dołożyć), zbieram informacje z forum. z mojej centralki wychodzi jeden czarny przewód nie opisany na instrukcji...co to może być ?

    może ktoś już robił mondeo i podpowie trochę !!!!

    pozdrawiam all
    noski
  • #8 1323260
    21072
    Poziom 11  
    noski77 napisał:
    witam

    z mojej centralki wychodzi jeden czarny przewód nie opisany na instrukcji...co to może być ?


    pozdrawiam all
    noski


    Z tego co wiem antena.
  • #9 1621322
    mountez
    Poziom 11  
    Hej!
    Podobnie stałem sie posiadaczem magicara.
    Kupiłem go przede wszystkim z checi posiadania centralnego "z pilota", sterowania klapą bagaznika, domykaniem. Przyznam, ze na alarmie średnio mi zalezy.
    Wszystko wydaje mi sie logiczne i w miare proste do podlaczenia, ale mam jedno pytanie. Powiedzmy, ze nie chce podlaczac elementów typu syrena, czujniki do drzwi, blokade zaplonu - czy mam te kable poprostu "luźno" zostawić czy trzeba jednak koniecznie je gdzies podpiąc?
  • #10 1811385
    ANDRZEJ_SZ
    Poziom 12  
    witam,a ja chciałbym się dowiedziec jak zainstalować ten alarm mercedesie c klasa -gdzie szukać kabli itd.
  • #11 1819941
    gregwer
    Poziom 2  
    witam, czy można w alarmie magicar 440 zrobić tak aby alarm uzbrajał się po cichu na stałe a nie tylko przez naciśnięcie klawisza 1 i 2? czy ktoś zna odpowiedź?
  • #12 1851780
    Janek 22
    Poziom 11  
    proszę o pomoc w podłczeni alarmu magicar 440 z centralnum zamkiem nie jest to zamek pneumatyczny mój ne gg to 339803. proszę o jak najszybszy kontakt
  • #13 1938380
    rabson
    Poziom 12  
    Witam,

    Jeżeli chodzi o ten alarm nie wiem jak Wy, ale ja nie narzekam. Zamontowałem go już w dwóch samochodach. W moim samochodzie jest już rok i ani razu nie padł ani nic się z nim nie stało, w drugim go właśnie zamontowałem i mam problem mały ale nie jest to wina alarmu tylko mojej małej wiedzy. Mam pytanie do Was i wielką prośbę. Co mam zrobić w przypadku kiedy w drzwiach czujniki nie mają samego - ani + na zwarciu tylko jest + i -. Jak mam podłączyć w tym przpadku ten alarm ? Akutalnie nie reaguje na otwieranie drzwi. Jak ktoś ma jakiś pomysł to proszę o informację. Standardowo w samochodach jest - i podłącza się zielony przewód w innych samochodach jest + i podłącza się fioletowy a co w przypadku kiedy w drzwiach jest - i + ??

    Pozdrawiam
  • #14 1939331
    ultragraf
    Poziom 16  
    Nie rozumiem pytania, jak może być jednocześnie plus i minus?
  • #15 1939516
    Mike_bond
    Poziom 11  
    No właśnie, ja też nie rozumiem:P jak moze być na krańcowce + i - .

    A tak poza tym, to przymierzałem się dzisiaj do podłączenia Freeway'a (czyli to samo co magic), mam dwa kabelki + i - z centralki - podłączyłem - pod krańcwkę i wydawało mi się, że wszystko dobrze podłączyłem, no ale coż..okazało się, że jednak nie - rozbrajam alarm i on nadal po chwili się załącza, albo po prostu w stanie "wyłączonym" mryga sobie co kilkadziesiąt sekund:] Ma ktoś jakiś pomysł? :-)
    Z gory dziekuje;)
  • #16 1939739
    rabson
    Poziom 12  
    Widzicie, np jak ja zakładałem u siebie w skodzie alarm to na drzwiach przy wyłączniku mam minus, jak zakładałem inny alarm w fiacie uno to też na drzwiach był minus po otwarciu, w fordzie jednym jak zakładałem to był plus a tu zakładałem w fiacie punto i tam zwirany jest + z - po otwarciu drzwi i to powoduje zapalenie się lampki. Jak myślicie co w takim przypadku zrobić ? Jedyne co mi do głowy przychodzi to poprowadzić inaczej przewody do lampki w samochodzie i puścić do drzwi np sam minus. Innego pomysłu osobiście nie mam. Jak Wy macie to dajCie mi :-)

    Z góry dzięki :-)


    A co do Ciebie Mike_bond, czyli jak wyłączasz alarm to co, dioda mryga i sam się znowu uzbraja tak ? Czyli tak jak by nie widział ruchu drzwi ;-) Sprawdź sobie czy masz na wyłączniku od drzwi + czy - podłącz odpowiedni przewód drugi schowaj i zabawa skończona ;-)
  • REKLAMA
  • #17 1939957
    Mike_bond
    Poziom 11  
    rabson napisał:
    (...)

    A co do Ciebie Mike_bond, czyli jak wyłączasz alarm to co, dioda mryga i sam się znowu uzbraja tak ? Czyli tak jak by nie widział ruchu drzwi ;-) Sprawdź sobie czy masz na wyłączniku od drzwi + czy - podłącz odpowiedni przewód drugi schowaj i zabawa skończona ;-)

    No właśnie - sprawdziłem - wziąłem kontrolkę i nie zapaliła się, więc mam minus raczej ;) Więc podłączyłem pod krańcowkę minusowy kabelek od alarmu i nic to nie zmieniło:)
    a może powinienem zamontować oddzielne krańcówki, albo np. powinienem jakąś diodę zamontować, bo przecież te krańcówki wyzwalają zapalenie się diody.
    A może poradzicie mi włączenie się w obwód zapalenia się samego światełka - bo nie chce mi się jakoś wszystkich krańcówek łączyć oddzielnie

    A właśnie może mi wytłumaczycie gdzie mam podłączyć ten + STOP - tam gdzie jest nieustannie 12v, czy przy przyciskaniu?:) i w ogóle, po co ten stop? Fakt, że nie mam doświadczenia w zakładaniu alarmu, bo ten jest moim drugim, ale nie spotkałem się jeszcze nigdy, żeby stop był potrzebny:)
    A co do Rabson to ja mam np. taki alarm w którym mam wyjście drzwi + i - - może taki trzeba było kupić ;)
    Pozdr
  • #18 1939973
    rabson
    Poziom 12  
    Jeżeli chodzi o drzwi to przyznam się osobiście że nie wiem co masz zrobić tak samo jak ja nie wiem co ja mam zrobić ;-) hehe.. jeżeli chodzi o stop to podłączasz przewód +12V pod przewód gdzie po naciśnięciu stopu pojawia Ci się + i to pozwala na zamykanie np zamka centralnego po naciśnięciu hamulca ;-)

    Tak poza tym to czy ktoś może mi pomóc z moim tematem ? ;-) Nie mam zielonego pojęcia co mam zrobić ;-)

    Dodano po 5 [minuty]:

    Cytat:

    A co do Rabson to ja mam np. taki alarm w którym mam wyjście drzwi + i - - może taki trzeba było kupić ;)
    Pozdr


    Ten alarm ma możliwość podłączenia albo + albo -, jednak jak się podłączy + pod + czy - pod minus jednocześnie to jest dupa. Takie wyjście też nie działa. Chyba po prostu pozostaje mi poprowadznienie inaczej przewodów do lampki..
  • #19 1940043
    Mike_bond
    Poziom 11  
    rabson napisał:
    Jeżeli chodzi o drzwi to przyznam się osobiście że nie wiem co masz zrobić tak samo jak ja nie wiem co ja mam zrobić ;-) hehe.. jeżeli chodzi o stop to podłączasz przewód +12V pod przewód gdzie po naciśnięciu stopu pojawia Ci się + i to pozwala na zamykanie np zamka centralnego po naciśnięciu hamulca ;-)

    Poważnie - hamulcem?;)
    Własnie tak podłączyłem - przy wciśnięciu hamulca pojawia się tam +12, no nic, chyba trzeba będzie się jeszcze zastanowić nad całym schematem jeszcze raz;)
    A co się dzieje, gdy podłączasz tam sam + z alarmu?:)
  • #20 1940337
    rabson
    Poziom 12  
    Mike_bond napisał:

    Poważnie - hamulcem?;)
    Własnie tak podłączyłem - przy wciśnięciu hamulca pojawia się tam +12, no nic, chyba trzeba będzie się jeszcze zastanowić nad całym schematem jeszcze raz;)
    A co się dzieje, gdy podłączasz tam sam + z alarmu?:)


    W przypadku alarmu Magicar 440 ustawiłem sobie tak alarm że jak naciskam pedał stopu to zamyka mi centralny zamek by nikt przez przypadek mi nie waprował do samochodu ;-) sprawdź jeszcze raz dobrze czy wszystko ok podłaczyłeś. Jeżeli chodzi o mnie to podłaczyłem pod drzwi sam minus, sam plus, plus pod plus minus pod minus i dupa nic nie działa. Nie wiem jak mam to zrobić. Mam nadzieję że ktoś mi pomoże.

    Pozdrawiam
  • #21 1943282
    swirk
    Poziom 17  
    ALARM MAGICVAR 440 ma jedna wade ktora mi sie nie podoba - ANTYNAPAD. Jesli zostanie uaktywniony to trzeba zgasic silnik, wlaczyc zaplan , i dopiero nacisnac ukryty mikrostyk... co jest np upierdliwem, gdy alarm montowalem w taksowce.. wiadomo dlaczego. Moze ktos wpadl na jakis pomysl przeprogrtamowania pamieci (tam chyba siedzi 93C46 o ile dobrze pamietam) aby np. za kazdym rzem gdy chcemy odpalic auto musimy przekrecic zaplon i nacisnac mikrostyk, albo aby podczas anttynapadu nie zgaszac silnika tylkoaby wystarczylo same nacisniecie mikrostyku???
    ostatnio montowalem magicar 7000 z powiadomieniem LCD do BMW 346 z 2002 roku,calkiem fajna zabawka ten alarm..jakby ktos mial problem z tym alarmem w sensie podlaczenia programowania, to niech napisze
  • #22 1943946
    Arek1984
    Poziom 16  
    a czy posiada on zmienny kod? bo slyszalem z kliku zrodel ze nie ma...
  • REKLAMA
  • #23 1943958
    ultragraf
    Poziom 16  
    Niestety kod stały. Układ scalony przy kodzie zmiennym posiada oznaczenie HCS.
  • #24 1945992
    swirk
    Poziom 17  
    STALY KOD..osobiscie sprawdzalem..wsadzalem pamiec alaru\mu do programatora... i kod alarmu byl ciagle ten sam
  • #25 1948183
    Arek1984
    Poziom 16  
    czyli bez wiekszych problemow mozna otworzyc te alarmy np. przy pomocy pilota z allegro za 90zl?
  • #26 1948230
    swirk
    Poziom 17  
    NIE wiem, nie sprawdzalem.. wydaje mi sie ze ten pilot co to sie uczy innych pilotow to chodzi o to ze mozna wprogramowac go w centralke,..trzeba by sie sprzedajacego zapytac
  • #27 1948844
    ultragraf
    Poziom 16  
    Pilot remocon skopiuje kod.
  • #28 1949287
    Arek1984
    Poziom 16  
    czyli kady kto bedzie mial takiego pilota wystarczy ze raz bedzie blisko gdy bede otwieral lub zamykal samochod pozniej bedzie mogl sobie sam bez problemu otworzyc??

    wiesz moze czy freeway ma zmienny czy staly? bo podobno jest to blizniaczy alarm magicara...
  • #29 1949385
    ultragraf
    Poziom 16  
    Post powyżej. Dla skopiowania pilota potrzebny jest bezpośredni kontakt pilotów.
  • #30 1949432
    swirk
    Poziom 17  
    co nacy bezposredni??zy podczas programowania tego pilota nalezy uzyc jakiejs specjalnej procedury??czy po prostu wystarczy podejsc dotakiego auta w ktorym montowalem magcara????
REKLAMA