Chronograf jest urządzeniem służącym do pomiaru prędkości obiektu. W najprostszej formie pomiar polega na wykorzystaniu dwu czujników, które będą „śledzić” obiekt, urządzenia do pomiaru czasu i interfejsu wyświetlającego wynik pomiaru. W niniejszym artykule zostanie przedstawiony opis sposobu projektowania, budowy i programowania właśnie tego typu urządzenia, wzbogaconego także o kilka przydatnych opcji, co czyni go bardziej uniwersalnym, niż choćby chronografy stosowane podczas gry w paintball.
Jak działa takie urządzenie? Dwa, zasilane napięciem 12V, sensory optyczne wykrywają rakietę, dziecko czy nawet pocisk z ciasta (lub cokolwiek innego) i generują przerwania dla procesora ATMega328P poprzez bufory tranzystorowe. W zaprezentowanym urządzeniu pracują czujniki Omron E3F2-DS10B4-P1. Niestety, czujniki odbiciowe są stanowczo najdroższym elementem urządzenia, ale każdy inny rodzaj czujnika, który pozwala na wykrycie mierzonego obiektu będzie również poprawnie działał. Układ przystosowany jest do pracy z czujnikami na 12V, ale można to łatwo zmodyfikować.
Procesor ATMega mierzy czas pomiędzy przerwaniami i wykorzystując zadaną przez użytkownika odległość pomiędzy czujnikami, wyświetla wynik pomiaru. Czujniki mogą być rozmieszczone w dowolnej od siebie odległości, z zakresu od 30 do 480 cm (1 do 16 stóp), a wynik może być podawany w milach/h, km/h, stopach/s lub m/s. Możliwość zdefiniowania odległości między czujnikami czyni urządzenie uniwersalnym – można ten parametr zmienić w każdej chwili, bez konieczności przeprogramowywania procesora.
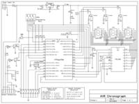
Na poniższym rysunku można zobaczyć schemat urządzenia.
Omówienia wymaga obwód wykrywający sygnały z czujników: obwody te opierają się na tranzystorach Q1 oraz Q2. Czujnik podaje na wyjście napięcie 12V, kiedy wykryje zdarzenie – takiego napięcia nie można podać wprost na pin procesora, więc wykorzystano bufor tranzystorowy, przyłączający port procesora do masy w momencie zadziałania czujnika. Diody D4 i D5 pozwalają na poprawne ustawienie czujników odbiciowych – w momencie poprawnego ich położenia diody gasną i urządzenie jest gotowe do pomiaru. Rezystory R2 i R3 zapobiegają fałszywym wykryciom spowodowanym szumami sygnału, a rezystory R14 i R15 – detekcjom spowodowanym dotknięciem przewodów urządzenia.
Kod dla procesora można zobaczyć poniżej.
Kod: C / C++
Płytka drukowana została stworzona w programie ExpressPCB jako płytka dwustronna. Jej wzór można zobaczyć poniżej.
Na stronie źródłowej dostępne są schematy i wzory płytek w formacie ExpressPCB, wzór płytki do termotransferu a także kod źródłowy dla procesora. Dodatkowo, w oryginalnym artykule autor zawarł obszerny opis działania całego programu, użycia studia IDE, sposobu projektowania płytki drukowanej oraz jej wykonania i montażu. Także szczegółowo, krok po kroku, opisany jest sposób wykorzystania mikroprocesora ATMega i jego programowania. Autor podkreśla też, że – dla odmiany – nie jest to urządzenie bazujące na platformie Arduino.
