logo elektroda
logo elektroda
X
logo elektroda
REKLAMA
REKLAMA
Adblock/uBlockOrigin/AdGuard mogą powodować znikanie niektórych postów z powodu nowej reguły.

Monitor linii telefonicznej

zasoby 14 Lut 2005 14:49 3384 8
REKLAMA
  • Prosty układ realizujący funkcje monitora linii telefonicznej. Działanie polega na tym, że generuje sygnały dźwiękowy i świetlny w momencie używania przez kogoś linii telefonicznej. Wykorzystywane jest tutaj zjawisko, że w stanie spoczynku na linii znajduje się ponad 40V, w przypadku podniesienia słuchawki napięcie to radykalnie spada. Izolacja optyczna od linii telefonicznej za pomocą transoptora. Układ wymaga bardzo małego zasilacza 12V/25mA.

    Fajne? Ranking DIY
    O autorze
    zasoby
    Poziom 23  
    Offline 
    zasoby napisał 784 postów o ocenie 432, pomógł 4 razy. Jest z nami od 2002 roku.
  • REKLAMA
  • #2 1229512
    mmgryc
    Poziom 22  
    A czy prezentowany układ wspułpracować będzie z linią ISDN (dialog) gdzie urządzonko to chciłbym zamntować przed centralką isdn.
  • REKLAMA
  • #3 1229535
    Konto nie istnieje
    Konto nie istnieje  
  • #4 1230022
    zasoby
    Poziom 23  
    Oficjalnie to każde urządzenie powinno posiadać homologacje. Żadne rozwiązanie go nie posiada. Z tymże pierwszy układ prawie w ogóle nie wpływa na pracę sieci telefonicznej dzięki pełnej optolizacji wejścia za pomocą CNY17 (po 70 groszy)
  • REKLAMA
  • #5 1231011
    Masteq
    Poziom 18  
    Układ gulsona jest bardziej wszechstronny, poza tym i tak coraz wiecej telefonow(zwlaszcza bezprzewodowki) ma zewnetrzny zasilacz. Wystarczy mozna by jeszcze wykorzystac wolna brameczke sterowana syg odlozonej lub podniesionej sluchawki i jest jeszcze lepszy bajer:)
  • REKLAMA
  • #6 1232654
    UBL21
    Poziom 20  
    Neostrada pewnie nie polubi takich układów jeśli nie zastosujemy filtra dolnoprzepustowego. A moze wystarczy dobry dławik na wejściu.
  • #7 1250727
    zasoby
    Poziom 23  
    jeszcze jeden prymitywny monitor - jeżeli słuchawka jest odłożona to LED świeci, podobnie jak wszystkich układach wykorzystuje fakt, że w spoczynku jest ponad 40V w linii.
  • #8 1884893
    zasoby
    Poziom 23  
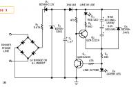
    i jeszcze jeden układ z magazynu EDN służący do detekcji trwającej rozmowy
    jeżeli pali się dioda zielona - linia wolna
    jeżeli czerwona - aktualnie ktoś rozmawia
    dzięki osobnemu zasilaniu nie obciąża linii
  • #9 1885189
    mmgryc
    Poziom 22  
    pardon gulson ale gdzie sie podłącza to dodatkowe zasilanie i jaką ma ono mieć wartość?? Bo ja widze że zasilanie leci z liniii telefonicznej. Pozdrawiam
REKLAMA