logo elektroda
logo elektroda
X
logo elektroda
REKLAMA
REKLAMA
Adblock/uBlockOrigin/AdGuard mogą powodować znikanie niektórych postów z powodu nowej reguły.

Alan 100 Plus - Jak dodać RF Gain? Szukam prostego wyjaśnienia krok po kroku

slawek__p 05 Lut 2013 07:56 3441 4
REKLAMA
  • #1 11890340
    slawek__p
    Poziom 2  
    Witam. Chciałem swojego Alana 100 plus rozbudować o RF Gain, Ale nie za bardzo wiem jak to zrobić. Szukałem już trochę, ale nic konkretnego nie znalazłem. I dlatego byłbym wdzięczny za wyjaśnienie mi w jak najbardziej prosty sposób jak to zrobić.
  • REKLAMA
  • Pomocny post
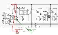
    #2 11890421
    SP5ANJ
    Spoczywaj w Pokoju
    Witam.

    Aby się nie rozpisywać :

    Alan 100 Plus - Jak dodać RF Gain? Szukam prostego wyjaśnienia krok po kroku


    Pozdrawiam.
  • REKLAMA
  • #3 11891498
    multihunter
    Poziom 26  
    Jaki jest powód - czyżby problemy z odbiorem ?
    Może jakaś rada się znajdzie, bo tu nie potrzebny RF-gain, bo silne sygnały jemu nie straszne jeżeli jest sprawne.
  • REKLAMA
  • #4 11891577
    operatoronwy
    Poziom 17  
    Dorabiałem rg gain w cb radio onwa mk1 i numer polegał na przecięciu jednej zwory na płycie głównej i wpięciu w szereg potencjometru 1kohm-do dwóch skrajnych nóżek.Prostota rozwiązania,oraz duża funkcjonalność-on naprawdę pomagał.
  • Pomocny post
    #5 11895953
    cbserwis
    Poziom 12  
    Wersja 2 RF Gain z potencjometrem w emiterze tranzystora przedstawiona przez SP5ANJ jest zdecydowanie bardziej godna polecenia ze względu na właściwości intermodulacyjne wzmacniacza w.cz. Przewód do potencjometru powinien być możliwie krótki i ekranowany.
REKLAMA