logo elektroda
logo elektroda
X
logo elektroda
REKLAMA
REKLAMA
Adblock/uBlockOrigin/AdGuard mogą powodować znikanie niektórych postów z powodu nowej reguły.

Clio 2 ph2 1.2 - Montaż przełącznika halogenów z Clio 2 ph1

rafik39 09 Lut 2013 08:16 3093 7
REKLAMA
  • #1 11908673
    rafik39
    Poziom 25  
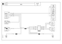
    Witam,w moim Clio są halogeny przednie(podłączone pod zderzakiem),lewa manetka przełącznika ma tylko przeciwmgielne tylne, zdobyłem wczoraj przełączniki z halogenami przednimi(ale z Clio 2 ph1),czy dużo przeróbek żeby działały halogeny?
  • REKLAMA
  • REKLAMA
  • REKLAMA
  • #5 11916824
    genek1000
    Poziom 35  
    rafik39 napisał:
    Witam,w moim Clio są halogeny przednie(podłączone pod zderzakiem),lewa manetka przełącznika ma tylko przeciwmgielne tylne, zdobyłem wczoraj przełączniki z halogenami przednimi(ale z Clio 2 ph1),czy dużo przeróbek żeby działały halogeny?

    To do czego są podłączone te halogeny :?: :!:
  • REKLAMA
  • #7 11916952
    milejow
    Poziom 43  
    genek1000 napisał:
    To do czego są podłączone te halogeny :?: :!:


    Do instalacji pod maską, która kończy się w skrzynce obok akumulatora.
    Clio 2 ph2 1.2 - Montaż przełącznika halogenów z Clio 2 ph1
REKLAMA