Autor projektu potrzebował generatora funkcji, aby wytworzyć sygnał audio, który posłużyłby do testowania efektów lub wzmacniacza równie dobrze, jak sygnały zegara TTL do obwodów cyfrowych. Nowy, fabryczny generator funkcji kosztuje około 200 dolarów, autor zdecydował więc, że zbuduje własny generator. W tym projekcie użyty został zintegrowany obwód XR-2206 generujący falę. Jest on w stanie wytworzyć sinusoidalną lub trójkątną falę, z możliwością wyboru amplitudy i częstotliwości i również sygnał TTL o wartości 5V. Zakres częstotliwości wynosi od około 20Hz do 300kHz, więc generator ten z łatwością może wytworzyć pełną gamę częstotliwości odbieraną przez ludzkie ucho.
Generator ten wyposażony jest w wejścia służące do kontrolowania częstotliwości wszystkich sygnałów oraz amplitudy fali sinusoidalnej i trójkątnej.
Krok 1: Lista elementów
Główny obwód generator funkcji
• (2x) 1uF elektrolityczny kondensator
• (1x) 10uF elektrolityczny kondensator
• (1x) 100nF ceramiczny / poliestrowy kondensator
• (1x) 10nF ceramiczny / poliestrowy kondensator
• (1x) 1nF ceramiczny / poliestrowy kondensator
• (1x) 10R rezystor
• (2x) 1K rezystor
• (1x) 3K rezystor
• (2x) 5K rezystor
• (1x) 10K rezystor
• (1x) 30K rezystor
• (2x) 10K potencjometr montowany na panel
• (1x) 100K potencjometr montowany na panel
• (2x) 25K trymer
• (1x) 4 pozycyjny przełącznik obrotowy
• (1x) SPST przełącznik SPST
• (5x) 4mm gniazdo bananowe
• (1x) 16 pinowa podstawka DIL
• (1x) XR2206 generator funkcji uC
• Obudowa
• Płytka uniwersalna
• Przewody
Opcjonalny obwód zasilania
• (1x) 15VAC transformator
• (1x) gniazdo wejściowe IEC
• (1x) przełącznik DPDT
• (1x) 1A bezpiecznik z obudową
• (1x) 1A mostek prostowniczy lub (4x) 1N4001 dioda
• (1x) 2200uF elektrolityczny kondensator
• (1x) 10uF elektrolityczny kondensator
• (1x) 100nF poliestrowy kondensator
• (1x) 220R rezystor
• (1x) 5mm LED z obudową
• (1x) 7812 stabilizator napięcia uC
• Zasilający przewód sieciowy
Krok 2: Schemat
Autor projektu pisze, że zdecydował się na użycie wielofunkcyjnego generator funkcji – to uprościło zdecydowanie budowę urządzenia oraz zminimalizowało liczbę występujących w nim elementów. Na rynku są dostępne właściwie tylko dwa układy scalone, które nadawałyby się do użycia w tym projekcie – XR2206 produkcji Exar oraz MAX038 produkcji Maxim. Ostatecznie autor zdecydował się na XR2206, ponieważ jest znacznie łatwiejszy w zastosowaniu oraz tańszy niż jego odpowiednik. Częstotliwość jest ustawiana przy pomocy dwóch potencjometrów, jeden do regulacji zgrubnej, a drugi do regulacji dokładnej. Ważnym jest, aby w tym celu użyć dobrej jakości potencjometrów, w innym wypadku będzie bardzo trudno ustawić żądaną częstotliwość i nie będzie ona miała stale tej samej wartości, będzie „falować”. Ewentualnie można zastąpić dwa potencjometry jednym, wieloobrotowym potencjometrem o wartości 100k, aby móc regulować częstotliwość precyzyjniej.
Autor pisze, że nie posiada wzoru płytki, ponieważ wykonywał ją "na bieżąco", można jednak zobaczyć na zdjęciach orientacyjne rozmieszczenie poszczególnych elementów w różnych miejscach płytki. Sekcja filtrująca zasilacza i zasilacz kontrolujący amplitudę jest po lewej stronie, kondensatory odpowiedzialne za zakres częstotliwości są po środku - umiejscowione centralnie. Podział obwodu na poszczególne sekcje zdecydowanie ułatwia projektowanie i wykonywanie płytki uniwersalnej.
Obwód został zaprojektowany tak, aby zasilany mógł być z pojedynczej szyny zasilacza 12VDC. Projektowanie obwodu odpowiedniego zasilacza jest zaprezentowane w następnym kroku.
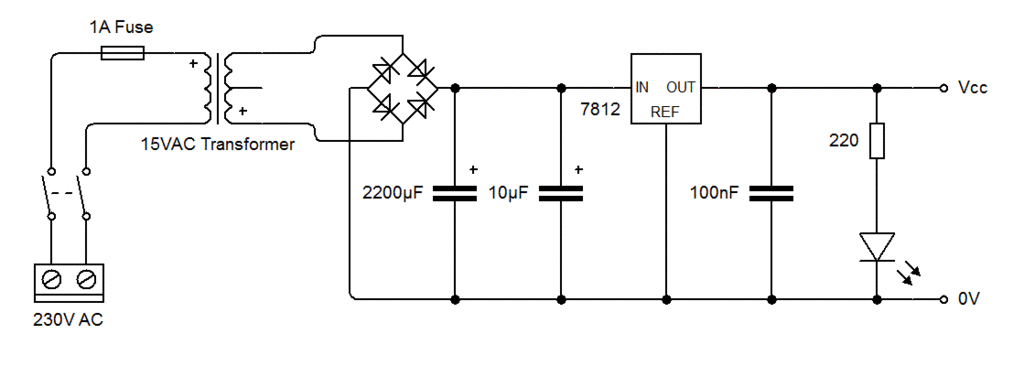
Krok 3: Zasilacz
W tej części obwodu konieczna będzie praca z dużymi napięciami zmiennymi. Jeśli nie masz żadnego doświadczenia w dziedzinie pracy z potencjalnie niebezpiecznymi napięciami, POMIŃ TĘ CZĘŚĆ PROJEKTU. Jako zamiennik do tego obwodu możesz użyć zewnętrznego adaptera AC. Autor projektu nie ponosi odpowiedzialności za szkody, które mogą wyniknąć w trakcie realizacji tego urządzenia.
Autor projektu chciał użyć zintegrowanego zasilacza w generatorze funkcji, aby nie być zmuszonym do kombinowania z sekcjami zasilającymi. To oznacza również, że nie będzie konieczne powtórne kalibrowanie generatora funkcji za każdym razem, kiedy do jego zasilania zostałoby użyte minimalnie inne napięcie niż poprzednim razem, ponieważ wbudowany transformator będzie dawał zawsze to samo napięcie wyjściowe.
Upewnij się, że 1A bezpiecznik będzie w stanie zabezpieczyć obwody głównego zasilacza. Jeśli używasz metalowej obudowy, upewnij się, że została ona podłączona do zacisku uziemienia w zasilaczu. Autor projektu umieścił wszystkie elementy sekcji zasilacza na osobnej płytce, z dala od głównego obwodu urządzenia, aby ułatwić wykonanie oraz zredukować zakłócenia. Upewnij się, że użyłeś odpowiedniego kabla zasilającego do połączenia obwodów po stronie pierwotnego uzwojenia transformatora.
Krok 4: Obudowa
Autor projektu umiejscowił wszystkie elementy w plastikowej obudowie. Ta konkretna obudowa użyta w projekcie została zakupiona z http://www.evatron.com, jest tam również wiele innych obudów, które pasowałyby do tego urządzenia. Do zaprojektowania etykiet styków i pokręteł urządzenia został użyty Label Maker.
Krok 5: Kalibracja
Do odpowiedniego skalibrowania urządzenia potrzebny będzie oscyloskop.
Ważnym jest, aby skalibrować obwód w celu uzyskania jak najczystszych przebiegów wyjściowych. Rozpocznij od wyboru fali sinusoidalnej za pomocą przełącznika „sinusoida/trójkąt”. Ustaw wartość częstotliwości na drugi zakres i amplitudę na wartość maksymalną.
Podłącz sondę probierczą oscyloskopu do wyjścia sinusoida/trójkąt i ustaw tryb oscyloskopu na AC. W przeciwnym wypadku nie zobaczysz pełnego obrazu sygnału wyjściowego na ekranie oscyloskopu.
Ustaw trymer w pozycji środkowej, a następnie reguluj jego wychył tak długo, aż fala sinusoidalna nie będzie wyglądała najczyściej na ekranie oscyloskopu. Powinieneś otrzymać całkiem ładnie wyglądającą sinusoidę, podobną do tej pokazanej na diagramie.
Fala trójkątna ma większą amplitudzie niż sinusoidalna, więc będzie obcięta przy maksymalnej amplitudzie, podczas gdy sinusoida nie byłaby. To jest niestety wrodzona wada tego projektu, nie jest to wielkim ograniczeniem, ponieważ nadal możesz ręcznie ustawić amplitudę. Fala prostokątna jest ustawiona na 5V i nie wymaga żadnego dostrajania.
Krok 6: Modyfikacje i usprawnienia
Jest bardzo wiele modyfikacji, które możesz dokonać w tym projekcie, dostosowując go do twoich własnych wymagań. Możesz powiększyć maksymalną częstotliwość generatora i dołączając 100pF kondensator w ten sam sposób, jak inne. To zwiększy maksymalną częstotliwość o koło 3MHz (przy takiej częstotliwości, właściwie tylko fala prostokątna będzie użyteczna).
Możesz również dołączyć obrotowy przełącznik, służący do wyboru rodzaju fali przebiegu wyjściowego, jednak to może wymagać kilku sprytnych połączeń.
Ostatecznie, wbudowanie miernika częstotliwości sprawiłoby, że urządzenie te byłoby najbardziej użyteczne. Jeśli jesteś zainteresowany tą modyfikacją, tutaj jest link do przykładowego miernika.
Urządzenie to może być bardzo użyteczne nie tylko do celu testowania obwodów audio, ma również wiele innych zastosowań.
Źródło:Link
Fajne? Ranking DIY
