Proszę o pomoc w naprawie sprzętu jak wyżej. Kupiłem go z opisem, że nie działa mikrofon. Sprawdziłem przejścia na mikrofonie i kabelki przewodzą. Sprawdzając na reflektometrze nie wydaje żadnej mocy. Rozumiem, że gdyby coś było z mikrofonem to moc byłaby tylko nie byłoby mnie słychać, a tu w ogóle nie ma mocy. Przy nadawaniu pojawia się TX na wyświetlaczu, ale nikt mnie nie słyszy, nawet z 5m. Po puszczeniu przycisku na gruszce słuchać w głośniku "pyk" i TX gaśnie. Odbiera, ale raczej chyba z bliskiej odległości.
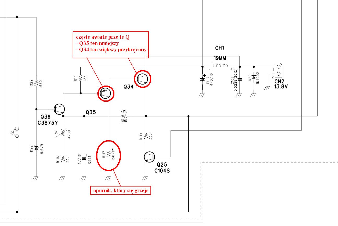
Na zdjęciu nr 1 widać tranzystor B1366 oraz mniejszy koło niego A1241. Nie wiem czy tak może być ale podpada mi to, że opornik który koło nich się znajduje jest baardzo gorący, nawet gdy nie ma nadawania tylko odsłuch (po ok. 3 min. oparzyłem się). Przy odbiorze, na wszystkich stopkach obydwu tranzystorów jest napiecie ok. 15,5 - 16V (stabilne, tylko że nieco inne na każdej stopce). Gdy nacisnie się nadawanie to na środkowej stopce dużego tranzystora napięcie zmniejsza się do 11,3V, a na mniejszym tranzystorze na środkowej stopce do 0V.
Nie wiem czy tu szukać tak ajk mi podpada ten opornik, czy jednak może coś przy tych tranzystorach, które sa po drugiej stronie (zdjęcie nr 2), koło cewek z tyłu radia. Na zdjęciu nr 3 ogólny widok płyty. Schemat podobnego radia w pliku.

Na zdjęciu nr 1 widać tranzystor B1366 oraz mniejszy koło niego A1241. Nie wiem czy tak może być ale podpada mi to, że opornik który koło nich się znajduje jest baardzo gorący, nawet gdy nie ma nadawania tylko odsłuch (po ok. 3 min. oparzyłem się). Przy odbiorze, na wszystkich stopkach obydwu tranzystorów jest napiecie ok. 15,5 - 16V (stabilne, tylko że nieco inne na każdej stopce). Gdy nacisnie się nadawanie to na środkowej stopce dużego tranzystora napięcie zmniejsza się do 11,3V, a na mniejszym tranzystorze na środkowej stopce do 0V.
Nie wiem czy tu szukać tak ajk mi podpada ten opornik, czy jednak może coś przy tych tranzystorach, które sa po drugiej stronie (zdjęcie nr 2), koło cewek z tyłu radia. Na zdjęciu nr 3 ogólny widok płyty. Schemat podobnego radia w pliku.