Witam wszystkich forumowiczów,
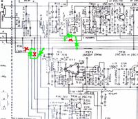
Trafiło do mnie radio Colonel FR 360 AM/SSB, które chciałbym przestroić w zera, a w zasadzie jeśli to możliwe zrobić to na zasadzie przełącznika 0/5, sprawa jest tego rodzaju, ze w radiu są trzy kwarce od AM,LSB,USB, gdzie powiedzmy z SSB wstawienie cewki w szereg z kwarcem zda egzamin, bo kręcenie trymerem wpływa na odbiór i nadawanie, tak w AM trymer odstraja tylko odbiornik (kwarc z niebieskimi kropkami). W zasadzie wstawianie 3 cewek i 3 przełączników trochę mija się z celem, może jest jakiś inny sposób np. zmiana kroku przestrajania syntezy. W zasadzie, wystarczyłoby mi tylko, żeby radio miało zera a mod. AM, ale nie wiem jak to ugryść. Z góry dziękuję za "łopatologiczne" wskazówki. Do postu dołączam zdjęcia urządzenia oraz schemat radia WKS100, które jak się gdzieś doczytałem jest bliźniaczym modelem mojego urządzenia, ale tego w 100% pewien nie jestem.
pozdrawiam

Trafiło do mnie radio Colonel FR 360 AM/SSB, które chciałbym przestroić w zera, a w zasadzie jeśli to możliwe zrobić to na zasadzie przełącznika 0/5, sprawa jest tego rodzaju, ze w radiu są trzy kwarce od AM,LSB,USB, gdzie powiedzmy z SSB wstawienie cewki w szereg z kwarcem zda egzamin, bo kręcenie trymerem wpływa na odbiór i nadawanie, tak w AM trymer odstraja tylko odbiornik (kwarc z niebieskimi kropkami). W zasadzie wstawianie 3 cewek i 3 przełączników trochę mija się z celem, może jest jakiś inny sposób np. zmiana kroku przestrajania syntezy. W zasadzie, wystarczyłoby mi tylko, żeby radio miało zera a mod. AM, ale nie wiem jak to ugryść. Z góry dziękuję za "łopatologiczne" wskazówki. Do postu dołączam zdjęcia urządzenia oraz schemat radia WKS100, które jak się gdzieś doczytałem jest bliźniaczym modelem mojego urządzenia, ale tego w 100% pewien nie jestem.
pozdrawiam
