logo elektroda
logo elektroda
X
logo elektroda
REKLAMA
REKLAMA
Adblock/uBlockOrigin/AdGuard mogą powodować znikanie niektórych postów z powodu nowej reguły.

Pilot FOX na TMS3637P - nie łączy się z centralką

Jacck 16 Lut 2005 11:26 4593 4
REKLAMA
  • #1 1233985
    Jacck
    Poziom 26  
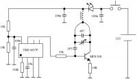
    Znajomemu padł jeden pilot od alarmu. Jest to pilot w niebieskiej (granatowej) obudowie z napisem FOX z dwoma okrągłymi przyciskami (jeden duży a drugi mały). W srodku układ TMS3637P i nadajnik radiowy na 1 tranzystorze MPS918 i trymerek do dostrajania. Bateria jest nowa, po wciśnieęciu przycisku miga dioda LED (tak samo jak w sprawnym) ale nie łączy się z centralką nawet z bliskiej odległości. Kręciłem nawet trymerkiem i nie pomagało. Sprawdziłem wszystkie rezystory, podstawiłem tranzystor (wstawiłem BFR91) chociaż stary na testerze był dobry. Niestety to nie pomogło. Na oscyloskopie z 7 końcówki na baze tranzystora widać ładne prostokątne przebiegi o amplitudzie prawie 6V (tyle jest zasilany TMS), natomiast na analizatorze widma nie widze żadnego prążka. Tak jakby nie działał generator w.cz. Na kolektorze tranzystora po wciśnięciu przycisku pojawia się napięcie stałe ok. 10.1V (przy zasilaniu z baterii 12V). Nie wiem czy to ja szukam tego prążka nie tam gdzie trzeba, czy może jest on na tyle wąski że nie moge go zauważyć ?? W manualu od TMS3637 jest napisane: "The frequency range of the transmitter (tunable by C2-10pF) is approximately 165 MHz - 370 MHz." Jednak wartości kondensatorów w tym FOX-ie są nieco inne niż te podane w przykładowej aplikacji w manualu od TMS 3637. Nie znam też pojemności trymerka w FOX-ie. Załączam schemat pilota od FOX-a i dla porównania schemat z manuala TMS3637.
    Prosze o pomoc w określeniu czy uszkodzenie polega na niedziałaniu nadajnika czy też może mógł się rozprogramować układ ???
    W środku pilota jest naklejka z 6 lub 7 cyfrowym kodem (nie jestem pewien czy pionową kreske zinterpretować jako "/" czy "1".
    Z góry dzięki za wszelką pomoc.

    P.S. Na ile MHz działały te piloty ?
  • REKLAMA
  • #2 1234123
    Robert H
    Poziom 20  
    Witam.
    Uszkodzenie tranzystora MPS 918 powoduje, że dioda LED w pilocie słabo świeci po naciśnięciu swithy, uszkodzony układ TMS tak samo dioda świeci na stało (mocno świeci), tak, więc w 90% wskazuje na trymer, kondziorki rzadko padają, jeszcze może wypadł kod z układu, ale niestety tylko przez maszynkę można zakodować. Trymer wystarczy do 4,7p tylko stroić plastikowym pokrętłem blisko centralki.
    Gdybyś sobie nieporadził pisz vrh(_at_)poczta.onet.pl
  • REKLAMA
  • #3 1234195
    Jacck
    Poziom 26  
    OK, dzięki za rady. Otóż zdarzyło mi sie kilka razy że po wciśnięciu przycisku dioda świeciła bardzo jasno światłem ciągłym (nie pulsowała). Zdarzało sie to zwłaszcza po mocnym skręceniu obudowy (czyżby jekieś pęknięcia na płytce ?)
    Wygrzałem całą płytkę stacją na gorące powietrze tak że zimne luty raczej wykluczone. Schemat stacji programującej widziałem w załączniku - nie ma sensu tego robić dla jednego czy nawet kilku programowań.
    Pytanie - na jakiej częstotliwości chodzą te piloty ? I czy powinienem widzieć pracę nadajnika na analizatorze widma ?
  • REKLAMA
  • #4 1236778
    Robert H
    Poziom 20  
    Witam
    Częstotliwość pracy to może być 306MHz do roku 2000 na takich pracowały, jeżeli jest kędzior 4p7 lub 3p9 przy trymerze to 306, a jeżeli 1p5 to 434 MHz. Powinieneś widzieć na analizat.... Co do świecenia diody przy skręcaniu pilota to może być kondensator na samym środku płytki między swithami lub opornik od stałej czasowej powinien być ok 110k do 122k (uwaga przy wymianie tego oporu pada bardzo szybko układ MPS)
    Urządzenie do programowania posiadam, tylko szukam schematu do niego, jeżeli posiadasz to prószę o wysłanie z góry dziękuje.
  • #5 1238421
    Jacck
    Poziom 26  
    Ustawiłem analizator widma na max czułość i pojawiły sie ledwie widoczne prążki w okolicach 300 MHz. Jednak wyglądaja one na harmoniczne ponieważ są tym większe i mniejsza częstotliwość i mają maksimum poniżej 1Mhz (prawdopodobnie częstotliwość przebiegu sterującego z układu TMS). Wygląda na to że nadajnik w. cz. nie działa wcale :-(. Wymieniłem już trymer na nowy (2-5pF). Spróbuje jeszcze wymienić kondensatorki 4p7 i 1p5 na nowe.
REKLAMA