logo elektroda
logo elektroda
X
logo elektroda
REKLAMA
REKLAMA
Adblock/uBlockOrigin/AdGuard mogą powodować znikanie niektórych postów z powodu nowej reguły.

ATmega32/ATmega8 - Problem z zasilaniem i zliczaniem impulsów PWM

zimzia@ 20 Lut 2013 23:47 2487 8
REKLAMA
  • #1 11964077
    zimzia@
    Poziom 12  
    Witam
    Mam taki mały problem zbudowałem uradzenie składające się z 2 mikroelektronik ale, mam problem i nie mam pojęcia co może być przyczyną. Atmega8 wysyła impulsy PWM do ATmegi32, Atmega32 ma za zadanie w ciągu 1 sekundy zliczać impulsy z 8, wartość PWM jest regulowana i gdy 8 jest zasilana z całkowicie innego źródła np programator, wszystko jest ok działa a gdy zasilam z tego samego źródła co 32 nie zlicza impulsów. Z Atmegi8 nóżka OC1a przez rezystor jest połączona z T0 ATmegi32. Może ma ktoś jakiś pomysł jak temu zaradzić ?
  • REKLAMA
  • #3 11964578
    zimzia@
    Poziom 12  
    Połączenia zasilania są porwane, z zaprogramowaniem nie mam problemu, tylko z zliczaniem tych impulsów. ATmege8 wysyła impulsy PWM przy osobnym zasilaniu masy i + wszystko działa, a gdy tylko połączę masy to jest taki sam efekt co z tym samym zasilaniem. Ale Zrobiłem jeszcze tak ze w 8 wyłączyłem PWM i w pętli dodałem set port wait reset port wait wtedy niezależnie od zasilania ATmegi8, atmega32 liczy impulsy.
  • REKLAMA
  • #4 11964602
    dondu
    Moderator na urlopie...
    zimzia@ napisał:
    ... z zaprogramowaniem nie mam problemu,

    A czy ja pisałem o programowaniu?
    Pisałem o masach i podałem przykład:

    dondu napisał:



    zimzia@ napisał:
    ATmege8 wysyła impulsy PWM przy osobnym zasilaniu masy i + wszystko działa, a gdy tylko połączę masy to jest taki sam efekt co z tym samym zasilaniem. Ale Zrobiłem jeszcze tak ze w 8 wyłączyłem PWM i w pętli dodałem set port wait reset port wait wtedy niezależnie od zasilania ATmegi8, atmega32 liczy impulsy.

    Ponowię prośbę - pokaż schemat.
  • REKLAMA
  • #5 11964664
    zimzia@
    Poziom 12  
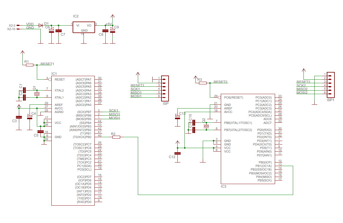
    Proszę oto schematy
    ATmega32/ATmega8 - Problem z zasilaniem i zliczaniem impulsów PWM ATmega32/ATmega8 - Problem z zasilaniem i zliczaniem impulsów PWM
  • REKLAMA
  • #6 11964673
    dondu
    Moderator na urlopie...
    Schematy nie zawierają faktycznego układu, gdy są połączone i występuje problem.
    Połącz oba schematy dokładnie tak, jak w momencie, w którym problem występuje.
    Jeżeli są wtedy dwa źródła zasilania to je także pokaż.
    Dopiero wtedy można analizować cały schemat.
  • #7 11964705
    zimzia@
    Poziom 12  
    Jeżeli zasilam atmege8 z tego samego źródła co atmega32 to zasilnia biorę ze złącza ISP łącze przewodami, a z innego to odpinam wtyczkę z atmegi8 i wpinam programator a on jest zasilany z gniazda USB.
  • #8 11964714
    dondu
    Moderator na urlopie...
    zimzia@ napisał:
    Jeżeli zasilam atmege8 z tego samego źródła co atmega32 to zasilnia biorę ze złącza ISP łącze przewodami, a z innego to odpinam wtyczkę z 8 i wpinam programator.

    Błąd, który opisujesz wygląda na stricte dotyczący schematu. Jeżeli więc proszę o ten schemat, to nie bez przyczyny. Gdy idziesz do lekarza, to pokazujesz gardło, a nie tylko opowiadasz, że Ciebie boli ...
  • #9 11964758
    zimzia@
    Poziom 12  
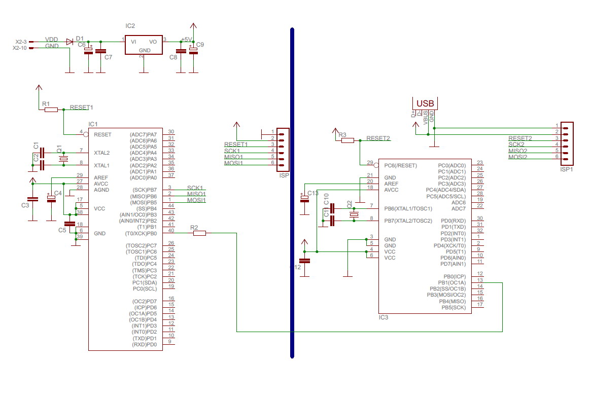
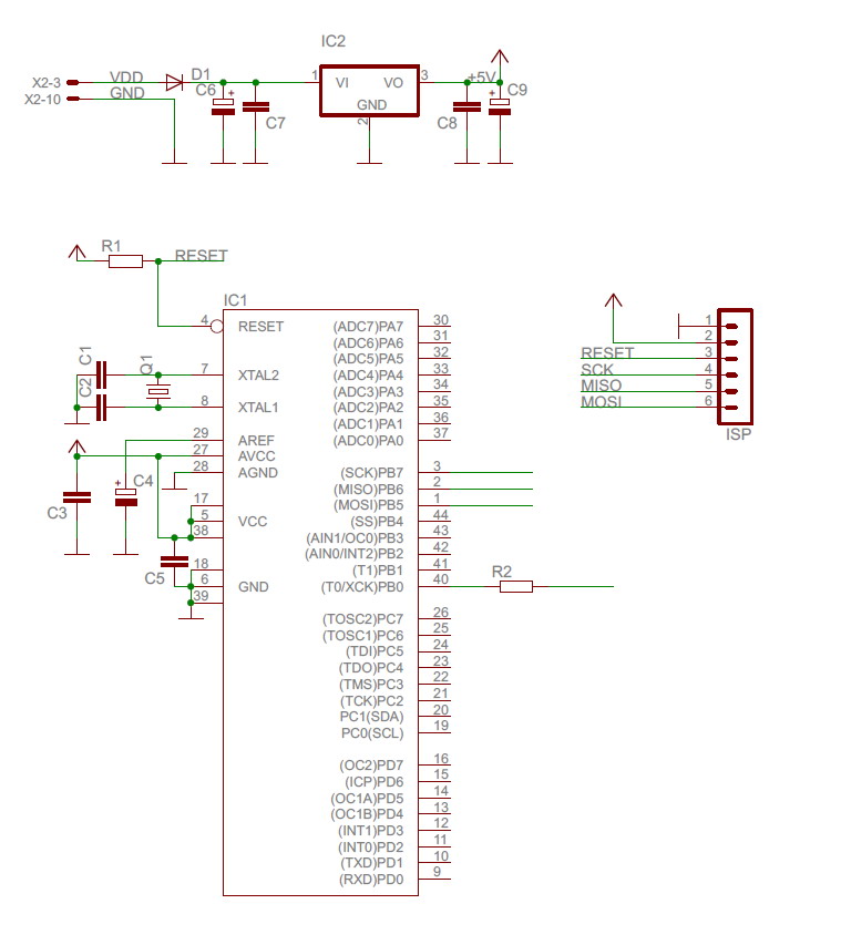
    W tym układzie nie liczy impulsów z 8, przylutowałem LED i widać ze mruga
    ATmega32/ATmega8 - Problem z zasilaniem i zliczaniem impulsów PWM

    a w tym wszystko działa, linia niebieska obdziela układy
    ATmega32/ATmega8 - Problem z zasilaniem i zliczaniem impulsów PWM
REKLAMA