logo elektroda
logo elektroda
X
logo elektroda
REKLAMA
REKLAMA
Adblock/uBlockOrigin/AdGuard mogą powodować znikanie niektórych postów z powodu nowej reguły.

Midland 77-104 - Odbiór kanału 19 na 14 i problemy z nadawaniem

pietia434 24 Lut 2013 20:10 5928 37
REKLAMA
  • #1 11981883
    pietia434
    Poziom 22  
    Witam,
    Dostałem radio Midland 77-104, na pierwszy rzut oka działało ok, jedynie upalone były dwa segmenty wyświetlacza.
    Ale z czasem zauważyłem że odbiera kanał 19 również na 14.
    (Różnica w szumach przy przełączaniu kanałów jest).
    Z nadawaniem też jest coś nie tak, jakby urywało na początku nadawania.
    Może miał ktoś taki przypadek?
  • REKLAMA
  • #2 11981950
    Michał 911
    Poziom 18  
    Ja miałem, tylko, że w krótkofalówce. Jak normalnie nadając na kanale 22 powinienem odbierać też kanałem 22, to w drugiej łapało to na 16/17.
    Przyczyną było to że w jednej kwarc się zestarzał, i się częstotliwości "rozjechały".
    Wystarczyło tylko to dostroić trymerkiem, do dostrajania tego kwarcu i do dziś świetnie wszystko działa.
  • #3 11981998
    pietia434
    Poziom 22  
    Zauważyłem jeszcze taki objaw:
    Nastawiłem krótkofalówkę na nadawanie (odbiór na CB na kanale 15) i owszem był odbiór tzn nośna, ale jak na chwile przełączyłem o kanał wyżej i z powrotem na kanał 15 to już nośnej nie ma, ale po chwili(kilka sekund) wchodzi.
    Po prostu szaleje;)
  • REKLAMA
  • #4 11982017
    Michał 911
    Poziom 18  
    To może w Twoim przypadku nie tylko się kwarc przestawił, ale zepsuł zupełnie - ciągle zmienia częstotliwość.
  • #5 11982136
    pietia434
    Poziom 22  
    Nie mam miernika więc nie wiem czy pływa.
    Ale jest na 19 to słychać mobilki, na 18,17 szumy zakłócenia i np na 14 też słyszałem mobile.
  • REKLAMA
  • #6 11982191
    Michał 911
    Poziom 18  
    To możesz spróbować to ustawić bez miernika - tzn. kręcić tym trymerkiem tak długo aż nie będzie wyraźnie słychać.

    Jeszcze jedno - antena nie była może skracana - może się ułamała czy coś?
  • #7 11982825
    multihunter
    Poziom 26  
    Pokręci trymerem i jak później zestroi ponownie częstotliwość kanału ? Ech, normalnie szkoda gadać..

    Nie zaskakuje synteza i najprędzej VCO do potraktowania cyną, ale najpierw sprawdź
    Napięcie strojące przed R42 w p. C(64/84 -???- nie mogę doczytać) na kan. 20 między 3-4V i nie może się wahać.
  • #8 11982924
    pietia434
    Poziom 22  
    Antena raczej nie wywołałaby takich objawów(ale na bank jest OK).
    Właśnie czytałem o tym modelu w jakimś tam poście i też było VCO.
    Jutro zmierzę.
    Tam chyba jest 68nF - też nie mogę doczytać.

    Dodano po 2 [minuty]:

    Tak jak wspomniałem jeszcze taki objaw , że czasami "urywa nadawanie".
    Patrzyłem , ale jutro jeszcze zobacze...może gdzieś się zagnieździł zimny lutek...
  • #9 11983955
    pietia434
    Poziom 22  
    Nie mogłem znaleźć tego punktu. Zmierzyłem na n.17 syntezy i wyszło 6v (kanał 20).
    Przy TX wchodzi na 8v.
    Radio nie nadaje na wszystkich kanałach.
    Od 1-10 tak, powyżej już nie.
  • #10 11984861
    multihunter
    Poziom 26  
    A wiesz nie spojrzałem, że można mierzyć napięcie strojące na n. 17 to wyjście low-pass filter, więc jest nap. stałe.
    6V oznacza, że częstotliwość za niska i trzeba wkręcić L6 ok. raz w prawo, ale to też zależy. 8V, że synteza nie pracuje.

    Oczywiście nadajesz na szt. obciążeniu 50Ω, bo z anteny podlegasz grzywnie.
    Radio ma zabezpieczenie, które powinno zadziałać, ale w tej sytuacji jest ono niedoskonałe.
    Jeżeli stabilizatory całe i nie ma innych uszkodzeń dostrój L6 2...4V na odbiorze i nie więcej jak 1V różnicy nadawanie.
  • #11 11985678
    pietia434
    Poziom 22  
    multihunter napisał:
    Oczywiście nadajesz na szt. obciążeniu 50Ω, bo z anteny podlegasz grzywnie.

    Jaka grzywna???
    Wolny kanał i 2 sekundy TX to przestępstwo?
  • #12 11985699
    Michał 911
    Poziom 18  
    hehehe -PIR/PAR Cię zgararnie :D

    Nie no przez te 2 sek. to nawet Cię nie znajdą, to byś musiał z tydzień w jednym miejscu nadawać.
  • #13 11985735
    pietia434
    Poziom 22  
    Tak jak wspomniałem, (chyba synteza) reaguje z opóźnieniem.
    Nie wiem jak to jest np z kanałem 19 (słychać mobilki OK), ale zrobiłem doświadczenie na kanale 14- uruchomiłem walkie-talkie które można odbierać właśnie na tym kanale, zablokowałem nadawanie i jest odbiór na CB, ale jak przełączę kanał wyżej i z powrotem to znika, po paru sekundach pojawia się odbiór.
    Podobnie jest z nadawaniem, też załącza się z takim opóźnieniem.
    Chyba dam sobie spokój z tym radiem...
  • #14 11985959
    multihunter
    Poziom 26  
    Nie wiem czy dobrze mnie zrozumiałeś - chyba nie.
    W tej sytuacji VCO jest rozstrojone, napięcie strojące wychodzi poza zakres i synteza nie pracuje.
    W chwili wychodzenia jest taki moment przejścia, który powoduje takie opóźnienie wyłącz/wyłącz właśnie.

    Midland 77-104 - Odbiór kanału 19 na 14 i problemy z nadawaniem

    UKE nazywa to tak jak w załączniku wiecie komuś może to wydać się śmieszne.
    Nie wiem jak mam Ci to wytłumaczyć może ktoś inny potrafi lepiej i co by przybliżyć Cię do zrozumienia

    Midland 77-104 - Odbiór kanału 19 na 14 i problemy z nadawaniem Midland 77-104 - Odbiór kanału 19 na 14 i problemy z nadawaniem

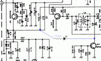
    Diagram LC7132 n.17 Albrecht AE4500 sporządzony Metex ScopeView odbiór, potem nadawanie.
  • #15 11986143
    pietia434
    Poziom 22  
    No ok, jutro jak znajdę czas to oblukam VCO, ale ciężko będzie...nie wiem czy to tak w oryginale(wątpie) ale pół radia wypełnia zalewa.

    Dodano po 2 [minuty]:

    multihunter napisał:
    UKE nazywa to tak jak w załączniku wiecie komuś może to wydać się śmieszne.

    No w sumie:)
    To co połowa sprzętu na złom...
    Poza tym wiesz, ja nie prowadzę rozgłośni, żeby emitować zakłócenia :
    -24h
    -aż na taką skale
  • #16 11987932
    multihunter
    Poziom 26  
    Przyjrzałem się dokładnie i jest dwa uszkodzenia
    pietia434 napisał:
    Radio nie nadaje na wszystkich kanałach. Od 1-10 tak, powyżej już nie.
    pietia434 napisał:
    Zmierzyłem na n.17 syntezy i wyszło 6v (kanał 20). Przy TX wchodzi na 8v.
    1. Rozstrojone VCO - za wysokie napięcie strojące
    pietia434 napisał:
    upalone były dwa segmenty wyświetlacza
    pietia434 napisał:
    z czasem zauważyłem że odbiera kanał 19 również na 14
    2. Przełącznik kanałów - do zmierzenia (być może nie kontaktuje)

    Obydwa bardzo dobrze widać w punkcie IC1 n.17
    Podpowiem, że na diagramie widać pozamienianą częstotliwość kanałów 22-24-25-23-26
    Wystarczy zaobserwować wskazanie miernika i jak nie przyłożysz się do tej roboty, to nic z tego nie będzie
  • #17 11990732
    pietia434
    Poziom 22  
    Wiem, ale czy to sprzęt wart naprawy? Tak jak wspomniałem pół radia jest w zalewie, W żadnym sprzęcie tyle nie widziałem...może ktoś dolał bo się elementy ruszały;)
  • REKLAMA
  • #18 11991090
    multihunter
    Poziom 26  
    To od Ciebie zależy czy weźmiesz do ręki miernik, przecież podałem wskazówki
    Póki co nie widzę elementów do wymiany trzeba tylko zaopatrzyć się w stroik w.cz. plastikowy, cena kilka zł
  • #19 11992167
    pietia434
    Poziom 22  
    No będę próbował.
    A tak coś bliżej o VCO? (tym że za wysokie nap.strojące)
    Co do przełącznika(bo nie chcę niepotrzebnie mieszać i tracić czasu) czy gdyby nie stykał to powodował by takie problemy czy tylko nieświecenie któregoś segmentu?
  • #20 11995732
    pietia434
    Poziom 22  
    Było na dobrej drodze, ale zalany filtr nie ułatwił zadania co w konsekwencji spowodowało uszkodzenie filtru.:(
    To radio na półkę jako dawca.
  • #21 11996883
    multihunter
    Poziom 26  
    Kto Ci powiedział, że uszkodzenie L6 równa się babranko :idea:

    Radziłbym ochłonąć nieco...
    pietia434 napisał:
    Było na dobrej drodze,
    ale zalany filtr nie ułatwił zadania co w konsekwencji spowodowało uszkodzenie filtru
    Wręcz przeciwnie, bo to początek zabawy = obszernego objaśnienia
    A posłużę się bliźniaczą konstrukcją AE4500 ustawioną identycznie, tzn. zgodnie z usterką

    Radio nie nadaje powyżej k. 11
    - k. 11 napięcie strojące Tx bliskie 7,8V
    - powyżej k. 17 w górę synteza nie pracuje, strojące 8,5V

    Przechodzimy na odbiór, na k. 20, strojące wynosi
    - 7,2V, częstotliwość VCO 16,5MHz
    - min. 0V, dolna częstotliwość VCO 14,9MHz
    - max. 8,5V, górna częstotliwość VCO 16,6MHz

    Na k. 20 VCO zbliża się do max. możliwości, a na k. ≈30 odbiór kaput
    Z prostej kalkulacji wynika, że obecnie środek pasma jest za nisko i wynosi

    Δf 15,75MHZ

    Brakuje Ci tylko pomierzyć

    dolną, lub górną częstotliwość VCO dostrojonego na ok. 3V, na k. 20
    aby z tą pomocą odwzorować w prosty sposób środek pasma ze sprawnego radia

    Najprościej wybrać strojące do zera w ten sposób, aby

    Midland 77-104 - Odbiór kanału 19 na 14 i problemy z nadawaniem

    zwiększyć dolną z 14,9MHz do 15.53MHz i to wszystko - jak to zrobić ?

    Midland 77-104 - Odbiór kanału 19 na 14 i problemy z nadawaniem

    Zwyczajnie: podłączyć równolegle do uzwojenia strojącego L6 indukcyjność
    Jak nie masz regulowanej, to dwa "popularne" dławiki 4,7µH połączone równolegle, o tak

    Midland 77-104 - Odbiór kanału 19 na 14 i problemy z nadawaniem

    Strojące spadnie do ≈2..4V w niezmiennych proporcjach i usterka nr. 1 naprawiona
    Alternatywna opcja wymagająca doświadczenia to ustawić te 3V i dostroić do 16,5MHz na k. 20
    pietia434 napisał:
    To radio na półkę jako dawca
    Przepraszam bardzo
    Czy prosta wyliczanka celem dołożenia cewki sprawia trudność ?
    Uszkodzony filtr dostrojczy VCO to jeszcze nie powód żeby ukatrupić radio !!
    pietia434 napisał:
    Co do przełącznika(bo nie chcę niepotrzebnie mieszać i tracić czasu)
    Woltomierz błyskawicznie wskaże gdzie napięcia zanikają
  • #22 11997116
    SP5ANJ
    Spoczywaj w Pokoju
    Witam.
    pietia434 napisał:
    To radio na półkę jako dawca.

    Nie poddawaj się. :D

    Jeżeli są za wysokie napięcia sterujące varikap VCO i dość duże różnice tych napięć to na 90% jest zmniejszenie pojemności szeregowej rezonansu.

    Midland 77-104 - Odbiór kanału 19 na 14 i problemy z nadawaniem

    Wymień na np.47pF do 68pF i aby zmniejszyć napięcie strojące to musisz podłączyć miernik (votlomierz) do n. 17 i tak kręcić ferrytem w środku L6 przy kanale 20-stym doprowadzić do około +3V.

    Przypomnę, że w czasie nadawania dołączana jest do L6 dodatkowa pojemność C72 (27pF) załączana Q17.


    Pozdrawiam.
  • #23 11998357
    multihunter
    Poziom 26  
    - proszę zauważyć, że wymiana C77 na większy pogorszy sytuację obniżając i tak za niską częstotliwość
    - proszę zauważyć, że zamieniając C77 na jakąkolwiek inną zmieni się szerokość pasma
    - jak również zmieni się odległość pasma Tx od pasma Rx, ponieważ C75 zostaje nie zmieniona
    - różnica między 90% to TEN element, a można przyjąć na 90% zmniejszenie pojemności (...) rezonansu jest OGROMNA
    Proszę nie mydlić oczu młodym technikom, bo samo zrozumienie sprawia im ogromny kłopot, nie wspomnę o wykonaniu
    SP5ANJ napisał:
    i tak kręcić ferrytem w środku L6
    Adam proszę zauważ, że
    pietia434 napisał:
    zalany filtr nie ułatwił zadania co w konsekwencji spowodowało uszkodzenie filtru
    Wniosek - aby prawidłowo (zachowując proporcje)

    1. Obniżyć częstotliwość VCO - dołączamy równolegle do L6 pojemność (kilknaście pF)
    2. Podwyższyć częstotliwość VCO - dołączamy równolegle do L6 indukcyjność (kilka µH)

    Oto prosty zabieg naprawy uszkodzonej cewki VCO,
    której zniszczony rdzeń dostrojczy każe uznać za nienaprawialną

    ps.
    Jak nie idzie pokręcić nagrzewam obudowę lutownicą aż rozpuści się ta parafina wewnątrz
    Ale coź musztarda po obiedzie widać ktoś tu chyba zapomniał, że to radio-mechanik ma naprawić radio
  • #24 11999186
    pietia434
    Poziom 22  
    Rdzeń był już pęknięty, tak czy inaczej filtr wymieniony.
    Napięcie na syntezie (kanał 20) ustawione .
    Przy TX wchodzi na 8 volt. Radio przestało nadawać. Końcówka sprawna.
  • #25 11999838
    multihunter
    Poziom 26  
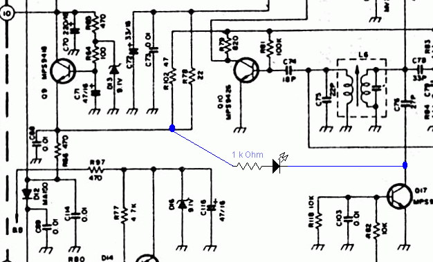
    Tak jak napisał Adam Q17 najlepiej sprawdzić w układzie

    Midland 77-104 - Odbiór kanału 19 na 14 i problemy z nadawaniem

    Następnie częstościomierz, aby zmierzyć tą częstotliwość przy nadawaniu od tego zależy co dalej
  • #26 12000471
    pietia434
    Poziom 22  
    A po co ta LED? Sprawdzenie Q17?
    Częstościomierza niestety nie mam.:(

    Dodano po 3 [minuty]:

    Kurcze trudno będzie, pół radia jest w parafinie... no rozumiem elementy w.cz, ale w tym przypadku ktoś przesadził (brak aparatu) bo zrobiłbym fotke.
  • #27 12001117
    multihunter
    Poziom 26  
    Nie posiadając m. częstotliwości początkowo można było łatwo wyjść z tej opresji
    Wymieniając L6 obróciłeś swoje plany o 180°, zacznijmy od początku

    Nie wiem co to za L6 jeżeli z innego, to może być kiepsko
    Sytuacja n. 20 IC1 Rx=8,5V/Tx=0V i wstecz do PTT oraz Q11 Tx B+
    Jeżeli jest OK, to pozostaje wyjąć C75, dołączyć do L6 trymer i kręcić nim na macajewa, aż zaskoczy

    ps.
    Martwi mnie strojące max. 8V - powinno być kapkę więcej ..uno momento

    Dodano po 7 [minuty]:

    ≈ R102 47Ω, R78 22Ω :idea: pięta achillesa midlandów
  • #28 12001509
    pietia434
    Poziom 22  
    Tak z innego sprzętu. Szukałem, ale identycznego nie znalazłem.
    Ustroić się ustroiło na 3v. Odbiór jest i nie "muli" już z wchodzeniem na częstotliwość (doświadczenie z walkie talkie).
    Znikło nadawanie,
    Co do samego filtru oryginalny chyba był z wbudowanym C (?) wnioskuję ze schematu.
    Ten który wstawiłem nie. Czy to by była przyczyna braku TX?
    Chociaż dołączałem do włożonej L6 różne pojemności, miało wpływ na odbiór.

    Dodano po 11 [minuty]:

    To pewnie coś koło 9v? wnioskując po zenerce...
  • #29 12005195
    multihunter
    Poziom 26  
    Martwi mnie, że nie łapiesz o co chodzi
    pietia434 napisał:
    dołączałem do włożonej L6 różne pojemności, miało wpływ na odbiór
    No to masz już "jakiś" postęp - zrób to samo z nadawaniem aż zaskoczy

    Co z napięciami przełączającymi Tx/Rx ? Co z tymi zasilaniami ?
    Weź pod uwagę, że IC1 może obciążać zasilanie, bo coś mu "nie pasi" - on w wyjątkowych sytuacjach tak potrafi !!

    ps.
    Jezu, Stary nie piszę by zmusić Cię do czegoś
    przecież widzę, że robisz po kimś wiadomo, że to kosztuje co najmniej 2x pracy
    Czytaj proszę wymieniając L6 obróciłeś swoje plany o 180° - poczytaj na FO użytkownik mkpl Marcin ćwiczył takie podmianki

    ...chyba w Alanie 28, ale nie jestem na 100% pewny
  • #30 12005212
    pietia434
    Poziom 22  
    No wiesz nie jestem akurat specem w w.cz
    Jak pomierzę to napiszę.
    multihunter napisał:
    ps.
    Jezu, Stary przecież nie piszę, żeby Cię zmusić do czegoś
    przecież widzę, że robisz po kimś wiadomo, że to kosztuje co najmniej 2x pracy

    No to widzisz...trochę wyrozumiałości.
    Sorry ale nie łatwo w tym grzebać jak nawet synteza do połowy jest ulana.
    Co grzać palnikiem czy grzebać śrubokrętem;)?
    Spoko wezmę pod uwagę Twoje wskazówki.

    Dodano po 1 [minuty]:

    multihunter napisał:
    wymieniając L6 obróciłeś swoje plany o 180°

    Tzn?
REKLAMA