Proszę o pomoc Chciałem stworzyć Wyświetlacz złożony z 8 matryc LED
sterowany zapomocą Atmegi8 programowalny przez AVR studio.
Wzorowałem się na temacie:
https://www.elektroda.pl/rtvforum/topic2274421.html
Ale niestety tam nikt się nie odzywa
Mam problem mianowicie stowane programy z stamtąd nie działąja tak jak powinny wyświatlają byle co
Dodano po 5 [minuty]:
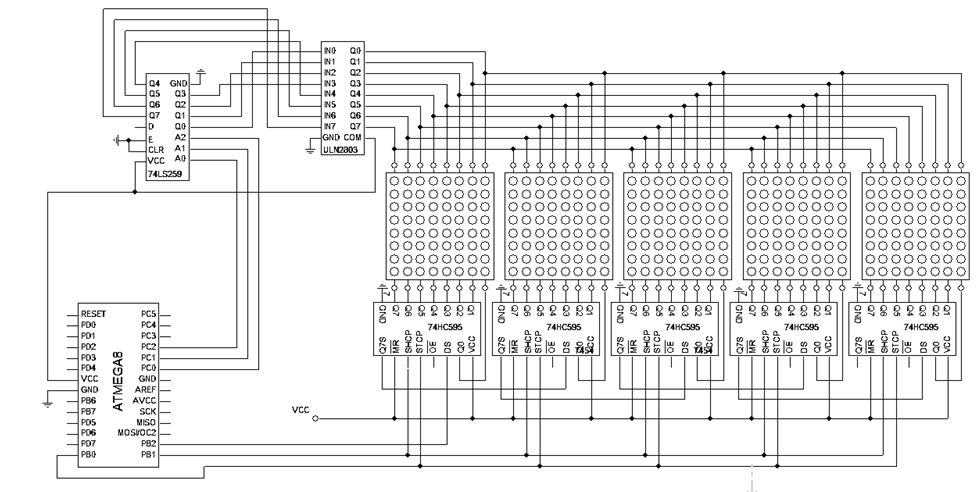
Użyty program oraz schemat połączenia
sterowany zapomocą Atmegi8 programowalny przez AVR studio.
Wzorowałem się na temacie:
https://www.elektroda.pl/rtvforum/topic2274421.html
Ale niestety tam nikt się nie odzywa
Mam problem mianowicie stowane programy z stamtąd nie działąja tak jak powinny wyświatlają byle co
Dodano po 5 [minuty]:
Kod: C / C++
Użyty program oraz schemat połączenia
