logo elektroda
logo elektroda
X
logo elektroda
REKLAMA
REKLAMA
Adblock/uBlockOrigin/AdGuard mogą powodować znikanie niektórych postów z powodu nowej reguły.

Ile zwojów ma cewka L7 w President Johnny 2 ASC? Czy cewka z aukcji pasuje?

pawel01 09 Mar 2013 17:58 4254 6
REKLAMA
  • #1 12037791
    pawel01
    Poziom 24  
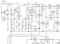
    Witam mam problem z radiem tak jak w temacie, uszkodzona cewka L7, wydłubany środek i radio milczy. Przed tym uszkodzeniem radio działało. Po wsadzeniu takiej cewki z zwykłego radia od pośredniej 455 coś tam bardzo delikatnie szumi i odbiera ale do kilku metrów a głośność musi być dana na max. Ktoś wie ile zwojów ma mieć ta cewka albo czy ta z aukcji nr 3054262564 będzie działać?? Element zaznaczyłem na zdjęciu

    Ile zwojów ma cewka L7 w President Johnny 2 ASC? Czy cewka z aukcji pasuje?
  • REKLAMA
  • Pomocny post
    #2 12054599
    Olek II
    Moderator
    Poniżej katalog cewek. Coś dobierzesz, popatrz na schemat radia, by wiedzieć jak wychodzą końcówki uzwojeń. Porównaj z katalogiem może taki filtr kupisz. Jak nie to są dane uzwojeń, bez problemu nawiniesz sam.
  • REKLAMA
  • #3 12054885
    pawel01
    Poziom 24  
    Tam siedzi cewka o oznaczeniu L8-1179. Wsadziłem jakąś cewke z toru AM ze zwykłego radioodbiornika i było dość cicho a jak dowinołem około metr drutu do nóg 4 i 6 to zaczeło głośno szumieć ale dalej nie jest to co powinno być, s-metr na samym szumie świeci jedna dioda i słychać dalsze stacje ale szum jest dalej, nawet jak drugie radio dam obok to powinna być idealna cisza a słychać szum jak by to radio stało pare km dalej.

    Ile zwojów ma cewka L7 w President Johnny 2 ASC? Czy cewka z aukcji pasuje?

    Pokombinuje jeszcze z cewkami z kaalogu, napewno sie przyda.
  • REKLAMA
  • #4 12056602
    Driver-
    Poziom 38  
    pawel01 napisał:
    Tam siedzi cewka o oznaczeniu L8-1179.
    To oznaczenie producenta, praktycznie nic o samej cewce nie mówiące, po za tym że oznacza typ cewki jaki powinien tam być.
    pawel01 napisał:
    Wsadziłem jakąś cewke z toru AM ze zwykłego radioodbiornika i było dość cicho a jak dowinołem około metr drutu do nóg 4 i 6 to zaczeło głośno szumieć ale dalej nie jest to co powinno być, s-metr na samym szumie świeci jedna dioda i słychać dalsze stacje ale szum jest dalej, nawet jak drugie radio dam obok to powinna być idealna cisza a słychać szum jak by to radio stało pare km dalej
    Nie można wziąć pierwszej lepszej cewki i wlutować zamiast uszkodzonej ponieważ z prawdopodobieństwem 99% po prostu nie zadziała. Możesz długo i namiętnie podstawiać inne cewki, ale nie koniecznie trafić na taką, która będzie idealnie pasowała, to jak szukać igły w stogu siana, przyczyn tego jest parę. Po pierwsze obwód wtórny cewki podmienianej za L7 musi mieć częstotliwość rezonansową odpowiadającą częstotliwości 455kHz lub do niej zbliżony ±10kHz. Czy ta cewka, którą wsadziłeś jest z częstotliwości pośredniej AM odbiornika i czy wraz z tą cewką dałeś równolegle kondensator jaki był w odbiorniku, czy tez zostawiłeś z cewki uszkodzonej. Z objawów wynika że prawdopodobnie uzwojenie wtórne nie pracuje w rezonansie na f=455kHz rezonansu, więc w pierwszym rzędzie trzeba obwód wtórny doprowadzić do rezonansu. Po drugie uzwojenie pierwotne połączone do kolektora Q7 jest uzwojeniem dopasowującym oporność wyjściową tego tranzystora do oporności dynamicznej obwodu wtórnego. Nawijając większą ilość zwoi zmieniła się przekładnia i więcej napięcia indukowało się w obwodzie wtórnym, ponieważ tranzystor został obciążony inną opornością jaką nie wiadomo. Ponadto na uzwojeniu wtórnym jest odczep, który przez detektor (D7) steruje ARW, blokadą szumów i S-metrem, więc jeśli odczep będzie miał niewłaściwą ilość zwoi te układy pracowały będą wadliwie. Jeśli ze starej cewki zachowały się uzwojenia to można je rozwinąć i policzyć liczbę zwoi pierwotnego wtórnego i odczepu. Obliczyć przekładnię dla wtórnego i odczepu, to da ci wiedzę jak dobierać cewki np. z serii 7x7, głównie pod kątem przekładni, co nie oznacza że znajdziesz nawet podobną. Ewentualnie jak prawidłowo nawinąć uzwojenia na istniejącym karkasie Twojego zamiennika, który wsadziłeś zamiast oryginalnej z zachowaniem ilości zwoi wtórnego a dobierając tylko liczbę zwoi pierwotnego i odczepu. Prostego rozwiązania nie ma jeśli chcesz przywrócić odbiornik do prawidłowej pracy. Napisz co zostało z oryginalnej cewki jaki dałeś kondensator na wtórnym zamiennika i jaki był w oryginale jeśli dasz radę odczytać jego wartość.
  • #5 12056708
    pawel01
    Poziom 24  
    Kondensator oryginalny dałem a zwojow nie policze bo porwane są, co do pojemności kondensatora to nie wiem bo on pod spodem cewki jest i jest caly szary. Cewka jest z obwodu 455. Nawinołem około 100 zwojów i odwijałem co 5 aż trafiłem że idealnie obiera i smetr wskazuje poprawnie. Operacje ta wykonałem na uzwojeniu od strony nóg 4-6. Temat uważam za zamknięty.
  • REKLAMA
  • #6 12056945
    Driver-
    Poziom 38  
    Ok zapytałem profilaktycznie o kondensator, bo wyglądało że brakuje rezonansu w obwodzie wtórnym. Czy teraz pokręcając rdzeniem cewki masz wyraźną zmianę napięcia S-metra, wzrost lub spadek sygnału i szumów co daje pewność że jest rezonans na 455KHz. Jeśli tak jest, to znaczy że wszytko jest w porządku i praktycznie z tematem się można pożegnać. :)
  • #7 12057073
    pawel01
    Poziom 24  
    Tak teraz dziala jak powinno, jak wykrece rdzeń to cisza a jak go wkręce to szum i wskazanie s-metra rośnie. temat do zamkniecia.
REKLAMA