Witam,
mam następujący układ:
płytka z atmega128 i ENC28J60
połączenie db15 (taśma 15-sto żyłowa) z płytka z 16x rs485
połączenie RS485 z płytką z atmega32.
Z serwera www jest inicjowana transmisja do ENC28J60, m128 za pomocą SPI (Ffreq/2 18432000) komunikuje się z ENC28J60, pobiera dane ustawia odpowiedni RS485 za pomocą zatrzasku 74HC595 i wysyła dane i przestawia się na odbiór.
Slave odbiera dane i odpowiada.
Wszystko jest ok jak jest zwarty TX slave'a z RX mastera. Jednak przy RS485 sygnał na RX mastera jest zbyt niski aby uC go poprawnie zinterpretował.
Wyłączenie obsługi ENC28J60 eliminuje ten problem.
Pytanie brzmi co może powodować takie zjawisko?
Jakie jeszcze informacje powinienem zamieścić abyście mogli mi pomóc?
Poza transmisja na liniach RE/DE wystepuje sygnał zegara SPI, czy to może przeszkadzać?. (oscylogram II CH2)
Poniżej sygnał nadawany i odbierany:
Sygnał RE/DE podczas transmisji (nadawanie niewidoczne- RE/DE Hi).
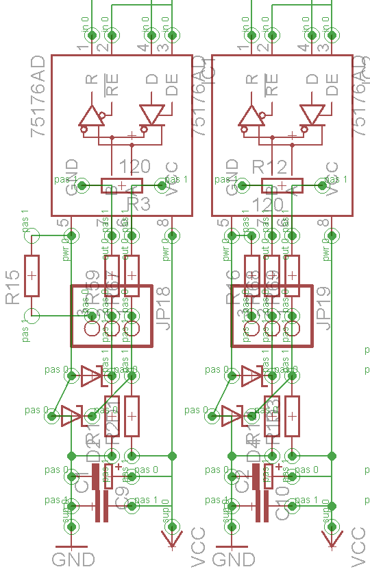
Schemat płytki RS485 ze złączem DB15

mam następujący układ:
płytka z atmega128 i ENC28J60
połączenie db15 (taśma 15-sto żyłowa) z płytka z 16x rs485
połączenie RS485 z płytką z atmega32.
Z serwera www jest inicjowana transmisja do ENC28J60, m128 za pomocą SPI (Ffreq/2 18432000) komunikuje się z ENC28J60, pobiera dane ustawia odpowiedni RS485 za pomocą zatrzasku 74HC595 i wysyła dane i przestawia się na odbiór.
Slave odbiera dane i odpowiada.
Wszystko jest ok jak jest zwarty TX slave'a z RX mastera. Jednak przy RS485 sygnał na RX mastera jest zbyt niski aby uC go poprawnie zinterpretował.
Wyłączenie obsługi ENC28J60 eliminuje ten problem.
Pytanie brzmi co może powodować takie zjawisko?
Jakie jeszcze informacje powinienem zamieścić abyście mogli mi pomóc?
Poza transmisja na liniach RE/DE wystepuje sygnał zegara SPI, czy to może przeszkadzać?. (oscylogram II CH2)
Poniżej sygnał nadawany i odbierany:
Sygnał RE/DE podczas transmisji (nadawanie niewidoczne- RE/DE Hi).
Schemat płytki RS485 ze złączem DB15