Samsung 943NW
Model: LS19MYNKBBUEDC
Type: CM19WS
ILPI-088 REV:B
Matryca: MT190AW01
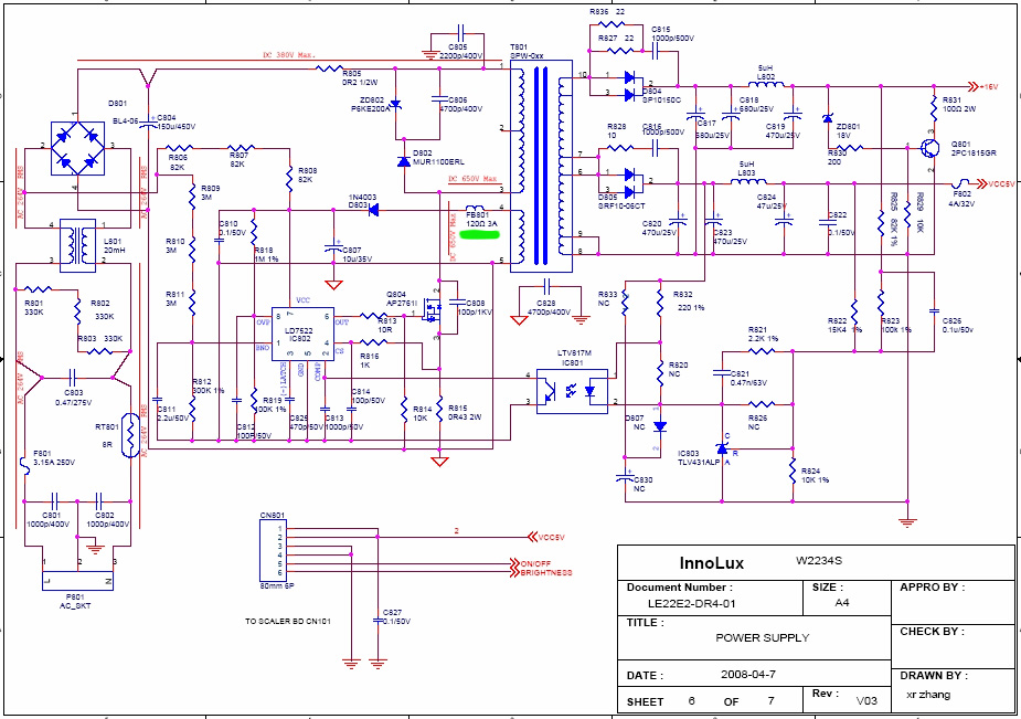
Po włączeniu monitora nagle coś strzeliło,po rozbiórce spalony Tranzystor Q804 AP2761I
rezystor R813 10Ω i FB801 element SMD.Tranzystor i rezystor wymieniłem,chodzi o SMD nie jest to ani opornik ani kondensator,z tego co wiem jest to FERRYT jego parametry 120Ω 3A.Pytanie czy można go zmienić zwykłym rezystorem 120Ω.Wiem że SMD kosztuje grosze,po prostu chcę wiedzieć czy można tak zrobić.
Opis elementu SMD
http://www.tme.eu/pl/details/lcbb-121/ferryty-koraliki/ferrocore/#

Model: LS19MYNKBBUEDC
Type: CM19WS
ILPI-088 REV:B
Matryca: MT190AW01
Po włączeniu monitora nagle coś strzeliło,po rozbiórce spalony Tranzystor Q804 AP2761I
rezystor R813 10Ω i FB801 element SMD.Tranzystor i rezystor wymieniłem,chodzi o SMD nie jest to ani opornik ani kondensator,z tego co wiem jest to FERRYT jego parametry 120Ω 3A.Pytanie czy można go zmienić zwykłym rezystorem 120Ω.Wiem że SMD kosztuje grosze,po prostu chcę wiedzieć czy można tak zrobić.
Opis elementu SMD
http://www.tme.eu/pl/details/lcbb-121/ferryty-koraliki/ferrocore/#