Witam;
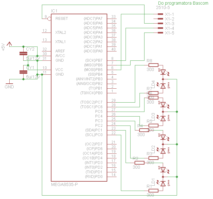
Uruchomiłem pierwszy testowy program na kontrolerze z tematu: binarne liczenie na 8 LEDach podpiętych do portu C - podwójne diody czerwono-zielone, wspólna katoda więc przez R=~300 omów do pinów kontrolera, katody na masę. Wszystko działa
ale... dokładnie ten sam program, tylko z użyciem portu A owszem pracował, woltomierz pokazywał zmienne napięcie o prawidłowej amplitudzie na pinach portu w takim rytmie, jaki wynikał z programu (okres zmian 1 sekunda na PORTA-0, dalej też prawidłowo), ale tylko pod warunkiem, że piny nie były do niczego podpięte. LED podpięty do dowolnego pinu ledwo jarzył, napięcie na kontrolerze zamiast zmieniać się od ~0 do VCC (5V) rosło do najwyżej ~2V. Nawet zastosowanie wtórnika emiterowego do sterowania LEDem nic nie pomagało: napięcie na pinie kontrolera nie podnosiło się ani o ułamek wolta więcej niż przy bezpośrednim podłączenia LEDA. Wynika z tego, że port A dostarczał ułamków miliampera prądu, podczas gdy port C tak samo sterowany z programu dostarcza bez problemu około 6 mA i diody pięknie świecą...
Pytanie: czy port A w 8535 wymaga innego podejścia w programowaniu go jako wyjście niż port C? Przekopałem Datasheet i żadnej wzmianki o czymś takim nie napotkałem
Pozdrowienia
Paweł S.
Uruchomiłem pierwszy testowy program na kontrolerze z tematu: binarne liczenie na 8 LEDach podpiętych do portu C - podwójne diody czerwono-zielone, wspólna katoda więc przez R=~300 omów do pinów kontrolera, katody na masę. Wszystko działa
Pytanie: czy port A w 8535 wymaga innego podejścia w programowaniu go jako wyjście niż port C? Przekopałem Datasheet i żadnej wzmianki o czymś takim nie napotkałem
Pozdrowienia
Paweł S.
