logo elektroda
logo elektroda
X
logo elektroda
REKLAMA
REKLAMA
Adblock/uBlockOrigin/AdGuard mogą powodować znikanie niektórych postów z powodu nowej reguły.

VW T5 - Gdzie podłączyć sygnał CAN przy montażu nawigacji z Tuarega 2004?

TrzyEr 18 Mar 2013 10:10 3354 9
REKLAMA
  • #1 12076413
    TrzyEr
    Poziom 17  
    Witam! mam problem. chcę zamontować navi do swojej t5'tki. Mam navigacje od Tuarega 2004r. Podłączyłem zasilania, anteny wszystko śmiga został mi tylko CAN do podłączenia i nie wiem gdzie najlepiej się do niego wpiąć (moduł komfortu?) i czy trzeba jakoś Cana zakodować, jak tak to prosił bym o instrukcje
  • REKLAMA
  • #2 12076657
    milejow
    Poziom 43  
    CAN powinien być w złączu radiowym, co do programowania-nie wiem.
  • REKLAMA
  • #3 12077863
    TrzyEr
    Poziom 17  
    W złączu radia jest VAN a nie CAN
  • REKLAMA
  • #4 12077933
    milejow
    Poziom 43  
    TrzyEr napisał:
    jest VAN a nie CAN

    Masz rację, więc najbliżej chyba do zegarów.
  • #5 12077982
    SZYMON BYDGOSZCZ
    Poziom 38  
    milejow napisał:
    TrzyEr napisał:
    jest VAN a nie CAN

    Masz rację, więc najbliżej chyba do zegarów.


    Tam nie ma żadnego VAN - to nie citroen lub peugeot !

    CAN weż z climatronica.
  • #6 12078148
    milejow
    Poziom 43  
    SZYMON BYDGOSZCZ napisał:
    Tam nie ma żadnego VAN - to nie citroen lub peugeot !

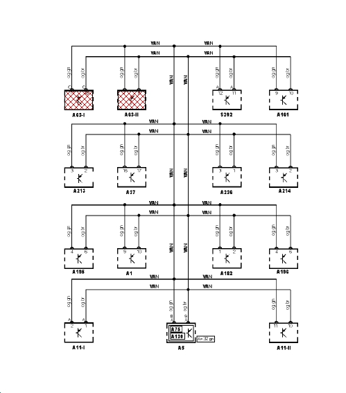
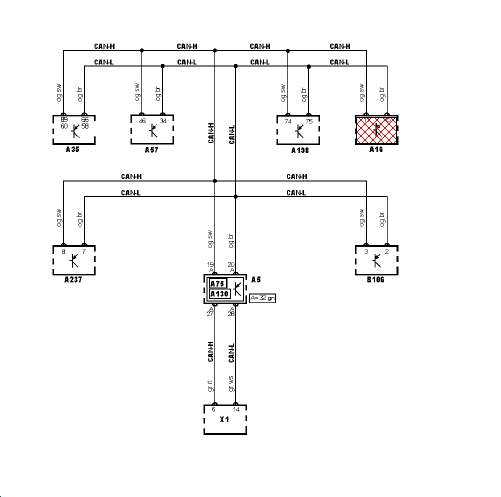
    Chyba się mylisz, są dwie pary skrętek:
    VW T5 - Gdzie podłączyć sygnał CAN przy montażu nawigacji z Tuarega 2004?

    VW T5 - Gdzie podłączyć sygnał CAN przy montażu nawigacji z Tuarega 2004?

    VW T5 - Gdzie podłączyć sygnał CAN przy montażu nawigacji z Tuarega 2004?
  • #7 12078168
    SZYMON BYDGOSZCZ
    Poziom 38  
    milejow napisał:
    SZYMON BYDGOSZCZ napisał:
    Tam nie ma żadnego VAN - to nie citroen lub peugeot !

    Chyba się mylisz, są dwie pary skrętek:
    VW T5 - Gdzie podłączyć sygnał CAN przy montażu nawigacji z Tuarega 2004?

    VW T5 - Gdzie podłączyć sygnał CAN przy montażu nawigacji z Tuarega 2004?

    VW T5 - Gdzie podłączyć sygnał CAN przy montażu nawigacji z Tuarega 2004?


    Ale VAN nie jest do radia tak jak w citroen lub peugeot .
  • #8 12078834
    TrzyEr
    Poziom 17  
    No ok jest can przy liczniku. I tylko się w niego wpiąć i bangla ?
  • REKLAMA
  • #9 12079788
    MartBan
    Poziom 22  
    Tak, w pomarańczowe z paskami ziel. i czarnym. Też biorę z licznika bo najbliżej, ale można wszędzie gdzie popadnie, np. jeszcze pod fotelem do Webasto.

    Dodano po 6 [minuty]:

    Co do kodowania masz warianty np. aktywny sound system, głośniki pasywne 4, 8, zmieniarka, telefon itd. Vcds podpowiada.
  • #10 12089365
    pismar
    Poziom 15  
    Musisz wpiac sie w can comfort w liczniku pin 8 high i pin 9 low zelona wtyczka
REKLAMA