Dzień dobry, Jestem samoukiem hobbistą w dziedzinie elektroniki....ale porwałwem się ostatnio na układ do "transmisji" przez sieć energetyczną. Chodzi o urządzenie które wykryje obecność konkretnej częstotliwości w napięciu sieciowym.
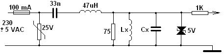
Parametry sygnału to:
125 kHz amplituda 5V (założenie) nałożone na 50 Hz 230V
Na wejściu tego urządzenia chciałem dać filtr LC który odfiltruje sieciowe 50 Hz i ewentualne inne śmieci.
Decyzja padła na filtr środkowo przepustowy f_rezonansowa =127,8 kHz
Wartości LC dobrałem posiłkując się kalkulatorem ze strony:
http://sim.okawa-denshi.jp/en/RLCbpkeisan.htm
Następnie sygnał z filtra trafiałby na wejście ADC procesora rodziny STM32
i stosując filtrację cyfrową lub algorytm Gortzela można by określić obecność naszej częstotliwości.
W teorii filtr LC odfiltruje 50 Hz i delikatnie wzmocni 125 kHz... ale czy w praktyce to rozwiązanie będzie równie skuteczne?
schemat omawianego obwodu:
Proszę mądrzejszych użytkowników forum o weryfikację tego pomysłu
Wiem że to rozwiązanie nie ma separacji galwanicznej ale ma być możliwie najprostsze.
Nie chcę też stosować gotowych rozwiązań typu: TDA5051 czy ST7537 - to jest dla moich potrzeb jak strzelanie do muchy z armaty.
PS. Można by polepszyć jakość filtracji dodając kolejny stopień filtra LC zgodnie z schematem:
ale nie mogę doszukać się zasad budowania filtrów kaskadowych
- rozumiem że nie można zastosować dwóch identycznych stopni ( z elementów o tych samych parametrach) ze względu na impedancje wejściowe i wyjściowe poszczególnych kaskad.
Będę wdzięczny za każdą konstruktywną opinię i doradę.
Parametry sygnału to:
125 kHz amplituda 5V (założenie) nałożone na 50 Hz 230V
Na wejściu tego urządzenia chciałem dać filtr LC który odfiltruje sieciowe 50 Hz i ewentualne inne śmieci.
Decyzja padła na filtr środkowo przepustowy f_rezonansowa =127,8 kHz
Wartości LC dobrałem posiłkując się kalkulatorem ze strony:
http://sim.okawa-denshi.jp/en/RLCbpkeisan.htm
Następnie sygnał z filtra trafiałby na wejście ADC procesora rodziny STM32
i stosując filtrację cyfrową lub algorytm Gortzela można by określić obecność naszej częstotliwości.
W teorii filtr LC odfiltruje 50 Hz i delikatnie wzmocni 125 kHz... ale czy w praktyce to rozwiązanie będzie równie skuteczne?
schemat omawianego obwodu:
Proszę mądrzejszych użytkowników forum o weryfikację tego pomysłu
Wiem że to rozwiązanie nie ma separacji galwanicznej ale ma być możliwie najprostsze.
Nie chcę też stosować gotowych rozwiązań typu: TDA5051 czy ST7537 - to jest dla moich potrzeb jak strzelanie do muchy z armaty.
PS. Można by polepszyć jakość filtracji dodając kolejny stopień filtra LC zgodnie z schematem:
ale nie mogę doszukać się zasad budowania filtrów kaskadowych
- rozumiem że nie można zastosować dwóch identycznych stopni ( z elementów o tych samych parametrach) ze względu na impedancje wejściowe i wyjściowe poszczególnych kaskad.
Będę wdzięczny za każdą konstruktywną opinię i doradę.
