logo elektroda
logo elektroda
X
logo elektroda
REKLAMA
REKLAMA
Adblock/uBlockOrigin/AdGuard mogą powodować znikanie niektórych postów z powodu nowej reguły.

Uniwersalny miernik przyspieszenia

Kubald 21 Mar 2013 19:23 10380 12
REKLAMA
  • Uniwersalny miernik przyspieszenia

    Po przejrzeniu wielu projektów, w których wykorzystywane były akcelerometry, stworzenie własnego urządzenia było dla autora całkiem naturalne. Obecnie głównym zastosowaniem akcelerometrów jest wykrywanie nachylenia bądź przyspieszenia. Opisane poniżej urządzenie stanowi właśnie miernik przyspieszenia, który umożliwia pomiar choćby przeciążeń w czasie hamowania samochodu.

    Na poniższym filmie można zobaczyć sposób konstrukcji i wykorzystania miernika przyspieszenia. Urządzenie wykonane przez autora zostało wyposażone w przyssawki do łatwego mocowania na desce rozdzielczej samochodu.





    Urządzenie pozwala mierzyć przyspieszenie wzdłuż jednej osi, a przyssawki pozwalają na łatwy montaż na desce rozdzielczej lub szybie samochodu. Miernik został wyposażony w trzy 7-segmentowe wyświetlacze LED, które wskazują aktualne przyspieszenie z dokładnością do dwu miejsc po przecinku.

    Sercem urządzenia jest procesor PIC18F452 taktowany kwarcem 20 MHz (z powodzeniem można użyć rezonatorów kwarcowych 4 MHz lub 8 MHz). Dane z akcelerometru podawane są na przetwornik A/D procesora, który dokonuje obliczeń i wystawia wynik na wyświetlacze LED. Jako czujnik przyspieszenia pracuje układ ADXL320 – zwraca on napięcie, które jest proporcjonalne do zmiany przyspieszenia, a w dodatku, jego karta katalogowa jest bardzo dobrze opracowana i pozwala rozwiać wszelkie wątpliwości dotyczące użytkowania czujnika.

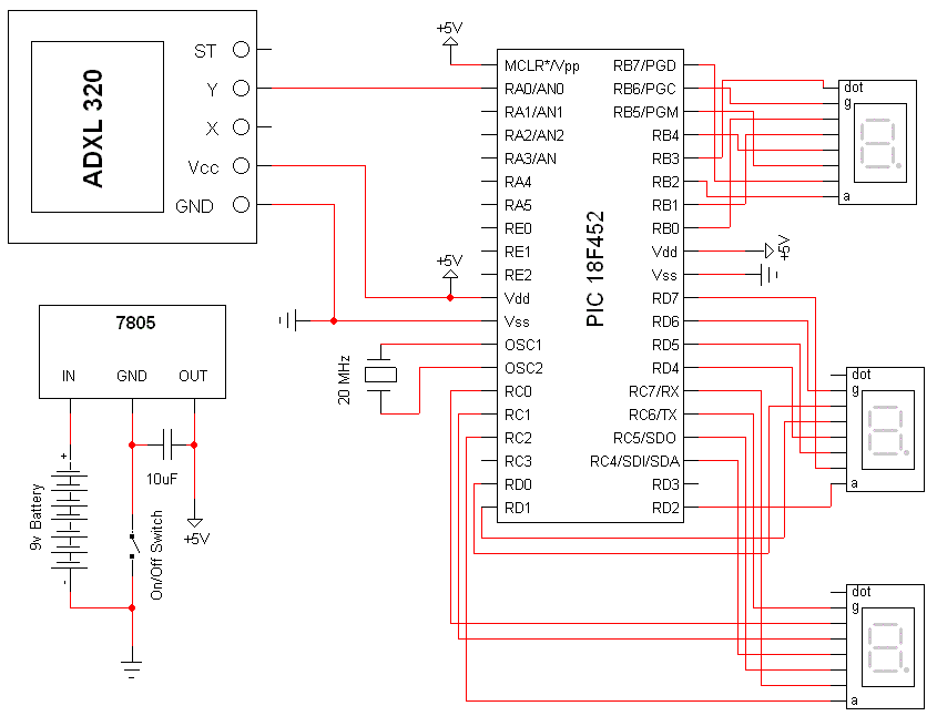
    Schemat całości można zobaczyć poniżej:
    Uniwersalny miernik przyspieszenia

    Układ składa się z trzech głównych części: czujnika przyspieszenia połączonego z wbudowanym w procesor przetwornikiem analogowo-cyfrowym, bloku zasilania i wyświetlaczy siedmiosegmentowych. Cały układ zasilany jest z 9-woltowej baterii, napięcie stabilizowane jest za pomocą układu 7805, dodatkowo wykorzystywany jest też kondensator filtrujący 10 µF. Sposób podłączania czujnika przyspieszenia jest bardzo prosty – wyjście dla osi Y przyłączone jest do przetwornika A/D procesora. Sposób podłączenia wyświetlaczy siedmiosegmentowych do procesora może na pierwszy rzut oka wydawać się niejasny – wynika to z faktu, że autor najpierw stworzył oprogramowanie dla procesora, a dopiero później rozrysował schemat i sposób podłączania wyświetlaczy.

    Akcelerometry MEMS (mikroelektromechaniczne) pozwalają dokonywać pomiaru przyspieszenia wzdłuż jednej bądź kilku osi układu współrzędnych. Umożliwia to albo pomiar przyspieszenia wprost, albo określanie przechylenia akcelerometru, zgodnie z poniższą ilustracją:
    Uniwersalny miernik przyspieszenia Uniwersalny miernik przyspieszenia

    Efekt przechylania urządzenia pokazuje poniższe nagranie:





    Całość urządzenia została zmontowana na płytce uniwersalnej, z zastosowaniem połączeń owijanych. Wyświetlacze, wyłącznik i płytka z akcelerometrem ADXL320 zostały przymocowane bezpośrednio do obudowy i połączone z płytką uniwersalną także za pomocą połączeń owijanych.

    Uniwersalny miernik przyspieszenia Uniwersalny miernik przyspieszenia

    Oprogramowanie procesora zostało napisane w języku C. Zadaniem oprogramowania jest pobranie wartości odpowiadającej napięciu z przetwornika A/D, przekształcenie jej na wartość całkowitą odpowiadającą przyspieszeniu i przekazanie do funkcji sterującej wyświetlaczami.

    Kod: C / C++
    Zaloguj się, aby zobaczyć kod


    Program realizujący główne funkcje urządzenia pokazano powyżej. W pierwszej kolejności, odczytuje on wartości z przetwornika A/D i sprawdza, czy zmiany są na tyle znaczące, aby odświeżyć wynik na wyświetlaczu. Od wyniku pomiaru odejmowana jest stała wartość odpowiadająca przeciążeniu 0g, wynosząca 512. Następnie całkowity wynik pomiaru jest odpowiednio obrabiany i dzielony przez 20, co pozwala uzyskać wartość prostą do wyświetlenia na wyświetlaczu, dzięki zafiksowaniu miejsc pozycji dziesiętnej i setnej.

    Autor przetestował urządzenie podczas jazdy samochodem (vide pierwsze nagranie wideo). Przyspieszenie pojazdu nie okazało się zbyt spektakularne, ale w czasie hamowania zarejestrowano wartości wynoszące do 0,8g.

    Po przeprowadzeniu testów autor zasugerował możliwość (także cyfrowego – zaimplementowanego w oprogramowaniu) filtrowania sygnału z akcelerometru, aby uzyskać bardziej dokładne i stabilne wskazania. Można w tym celu wypróbować filtrowanie o skończonej (FIR) lub nieskończonej (IIR) odpowiedzi impulsowej. Możliwym ulepszeniem byłoby też mierzenie bezwładności za pomocą akcelerometru.

    Źródło: [1], [2]

    Fajne? Ranking DIY
    O autorze
    Kubald
    Poziom 15  
    Offline 
    Specjalizuje się w: spektroskopia exafs/xanes, uc, it
    Kubald napisał 188 postów o ocenie 112. Mieszka w mieście Kraków. Jest z nami od 2004 roku.
  • REKLAMA
  • #2 12094939
    androot
    VIP Zasłużony dla elektroda
    Genialny projekt... Podniesie bezpieczeństwo na drogach... Szybko zmieniające się cyferki są nic nie wartym gadżetem, a tylko niepotrzebnie absorbują uwagę. Co innego gdyby była wyświetlana wartość maksymalna z kilku sekund pomiaru.
  • #3 12095032
    novak512
    Poziom 12  
    Wystarczyłoby proste uśrednianie pomiaru np. przez średnią arytmetyczną. Tak to podczas jazdy niewiele idzie wywnioskować z takiego wyświetlacza.
  • REKLAMA
  • #4 12095138
    Atreyu Makiavel
    Poziom 34  
    Taki bajer można mieć w smartfonie przy pomocy prostej apki.
  • REKLAMA
  • #5 12095512
    hubertfab
    Poziom 21  
    Według mnie autor nie zbudował tego, żeby wpatrywać się podczas jazdy w wyświetlacz lecz dla czystej chęci poznania zasady działania i praktycznego zaadoptowania czujnika w swoim układzie. Motyw edukacyjny.

    Atreyu Makiavel napisał:
    Taki bajer można mieć w smartfonie przy pomocy prostej apki.

    Dlatego "samartfonu z aplikacją" nikt nie wrzuca do działu DIY.


    novak512 napisał:
    (...)uśrednianie pomiaru np. przez średnią arytmetyczną

    Jaki jest sens budować akcelerometr, który uśredni wyniki z kilku sekund?
  • #6 12095543
    novak512
    Poziom 12  
    hubertfab napisał:
    novak512 napisał:
    (...)uśrednianie pomiaru np. przez średnią arytmetyczną

    Jaki jest sens budować akcelerometr, który uśredni wyniki z kilku sekund?



    Nie mówię że musi być to uśrednianie rzędu kilku sekund ale zebranie np. 200,300 próbek i uśrednienie ich (powiedzmy w okresie rzędu 500ms).
  • #7 12096917
    hubertfab
    Poziom 21  
    novak512 napisał:
    hubertfab napisał:
    novak512 napisał:
    (...)uśrednianie pomiaru np. przez średnią arytmetyczną

    Jaki jest sens budować akcelerometr, który uśredni wyniki z kilku sekund?



    Nie mówię że musi być to uśrednianie rzędu kilku sekund ale zebranie np. 200,300 próbek i uśrednienie ich (powiedzmy w okresie rzędu 500ms).


    Siłą rzeczy, nie dostaniemy maksymalnej wartości przyspieszenia po takim uśrednianiu. W takim urządzeniu pomiarowym oczekujemy wyświetlenia wartości skrajnych.

    Tak jak byśmy zebrali 1000 próbek napięcia z sieci (~230V) w czasie 20ms i uśrednili. Pomiar kompletnie bez sensu.

    Ja jestem zadowolony, że takie urządzenia powstają.
  • #8 12097002
    Freddy
    Poziom 43  
    novak512 napisał:
    hubertfab napisał:
    novak512 napisał:
    (...)uśrednianie pomiaru np. przez średnią arytmetyczną

    Jaki jest sens budować akcelerometr, który uśredni wyniki z kilku sekund?



    Nie mówię że musi być to uśrednianie rzędu kilku sekund ale zebranie np. 200,300 próbek i uśrednienie ich (powiedzmy w okresie rzędu 500ms).

    Tak, a wyrobi się w takim czasie tylko wysokiej klasy akcelerometr, te tańsze po prostu nie nadążą. Użyty przez autora ma częstotliwość rezonansową 5kHz.
  • REKLAMA
  • #9 12098666
    zwirek1
    Poziom 30  
    Witam
    Ja bym to widział w postaci wykresu (linijki diodowej) albo zegara analogowego .
    Pzdr
  • #10 12098832
    novak512
    Poziom 12  
    hubertfab napisał:
    novak512 napisał:
    hubertfab napisał:
    novak512 napisał:
    (...)uśrednianie pomiaru np. przez średnią arytmetyczną

    Jaki jest sens budować akcelerometr, który uśredni wyniki z kilku sekund?



    Nie mówię że musi być to uśrednianie rzędu kilku sekund ale zebranie np. 200,300 próbek i uśrednienie ich (powiedzmy w okresie rzędu 500ms).


    Siłą rzeczy, nie dostaniemy maksymalnej wartości przyspieszenia po takim uśrednianiu. W takim urządzeniu pomiarowym oczekujemy wyświetlenia wartości skrajnych.

    Tak jak byśmy zebrali 1000 próbek napięcia z sieci (~230V) w czasie 20ms i uśrednili. Pomiar kompletnie bez sensu.

    Ja jestem zadowolony, że takie urządzenia powstają.


    No to w takim razie jak zrobić tak, żeby wyświetlacz tak nie "wariował" i żeby szło odczytać z niego jakieś miarodajne wartości? Najlepszy byłby jakiś wykres w funkcji czasu ale chodzi mi o samo wyświetlanie.
  • #11 12098966
    Freddy
    Poziom 43  
    Wpisać w szukajkę, było kilka tego typu układów, albo napisać samemu program.
  • #12 12098976
    hubertfab
    Poziom 21  
    novak512 napisał:
    No to w takim razie jak zrobić tak, żeby wyświetlacz tak nie "wariował" i żeby szło odczytać z niego jakieś miarodajne wartości? Najlepszy byłby jakiś wykres w funkcji czasu ale chodzi mi o samo wyświetlanie.


    Najpożyteczniejszym było by wyświetlanie maksymalnej odchyłki w jednym cyklu (np: hamowania pojazdu). Jedziemy, przyspieszenie jest bliskie zeru, nagle hamujemy, przyspieszenie (w tym przypadku opóźnienie) wzrasta i na wyświetlaczu pokazuje się coraz to wyższa wartość. Kiedy przyspieszenie jest już na tyle duże, że nie wzrasta odczyt z czujnika jest prezentowany przez np 2 sekundy po czym następuje kolejny pomiar.

    Zamówiłem czujnik, zbuduję to według własnego pomysłu i wstawię do działu DIY.
  • #13 12099548
    Drake160
    Poziom 17  
    A gdyby tak zamiast wyświetlacza zastosować wskazówkę (na styl prędkościomierza)? Odpadłby problem "wariującego" wyświetlacza, a odczyt wskazań byłby bardziej intuicyjny. Ogólnie pomysł rewelacja.
REKLAMA