Witam,
Mam dziwny problem w mikrokontrolerem.
Z nieznanych mi powodów restartuje mi się on gdy ustawiam źródło odniesienia dla przetwornika ADC.
Co ciekawsze, dokona kilku restartów i za którymś razem uruchamia się poprawnie, a co lepsze przetwornik działa dobrze.
Kod w tej chwili wygląda tak:
Jeśli wyłączę uruchamianie REFS0 w rejestrze ADMUX, mikrokontroler uruchamia się już bez problemów.
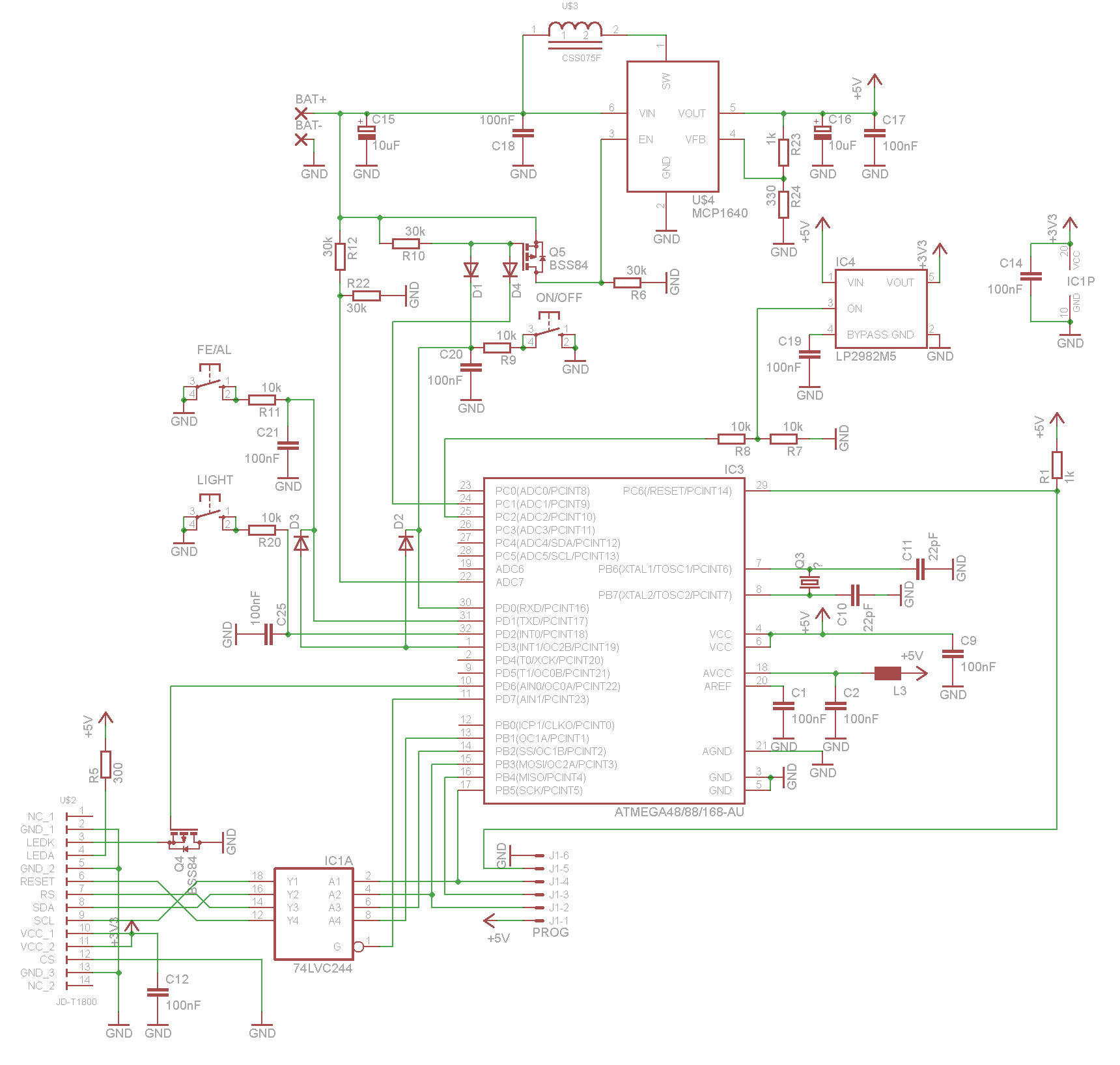
Spotkał się ktoś z czymś takim? Schemat zasilania atmegi wygląda w ten sposób:
Wszystko wykonane w technologii SMD, przetwornik filtrowany przy pomocy niewielkiego dławika 100uH oraz kondensatora ceramicznego:
Płytka także dobrze wygląda, więc nie sądzę aby to był w niej problem.
Czegoś takiego jeszcze nie miałem i nie wiem co z tym zrobić szczerze mówiąc...
Mam dziwny problem w mikrokontrolerem.
Z nieznanych mi powodów restartuje mi się on gdy ustawiam źródło odniesienia dla przetwornika ADC.
Co ciekawsze, dokona kilku restartów i za którymś razem uruchamia się poprawnie, a co lepsze przetwornik działa dobrze.
Kod w tej chwili wygląda tak:
Kod: C / C++
Jeśli wyłączę uruchamianie REFS0 w rejestrze ADMUX, mikrokontroler uruchamia się już bez problemów.
Spotkał się ktoś z czymś takim? Schemat zasilania atmegi wygląda w ten sposób:
Wszystko wykonane w technologii SMD, przetwornik filtrowany przy pomocy niewielkiego dławika 100uH oraz kondensatora ceramicznego:
Płytka także dobrze wygląda, więc nie sądzę aby to był w niej problem.
Czegoś takiego jeszcze nie miałem i nie wiem co z tym zrobić szczerze mówiąc...
