Witam,
W swoim KIA Carnival 2007r 2.9CRDi posiadam dogrzewacz Webasto Thermo Top Z/C
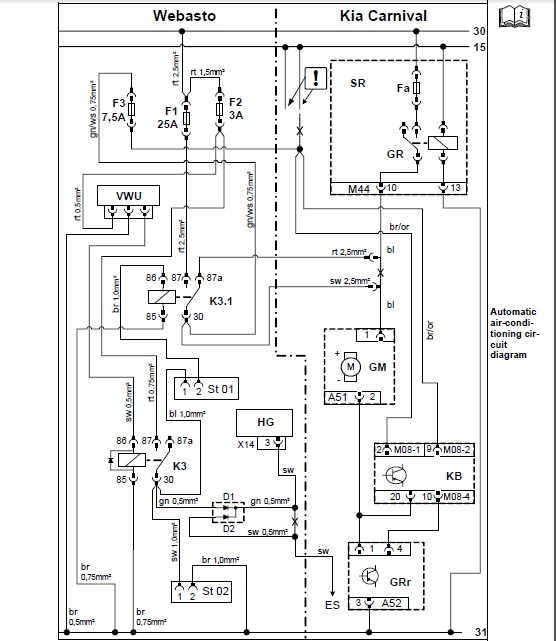
Mam schemat jak to wszystko logicznie rozszerzyć aby był ogrzewaniem postojowym ale brak mi jednego ważnego elementu, bez którego nie ruszam się z pracą ....
Na schemacie znajduje się czujnik temperatury ST01, który działa jako mechaniczny przekaźnik.
Jeśli temperatura w wężach wodnych przekroczy 30C, załączy się wentylator w kabinie.
Potrzebuję taki czujnik tylko nie wiem jak to się fachowo nazywa ...
Przekaźnik, włącznik, załącznik temperatury ?
Szukałem każdej z tych opcji i nic .....
Jeśli go nie zastosuję to po włączeniu webasto od startu będzie działać dmuchawa w kabinie, co jest bezsensowną stratą energii akumulatora. Lepiej jak się trochę nagrzeje woda a dopiero później włączy dmuchawa.
Proszę o pomoc
W swoim KIA Carnival 2007r 2.9CRDi posiadam dogrzewacz Webasto Thermo Top Z/C
Mam schemat jak to wszystko logicznie rozszerzyć aby był ogrzewaniem postojowym ale brak mi jednego ważnego elementu, bez którego nie ruszam się z pracą ....
Na schemacie znajduje się czujnik temperatury ST01, który działa jako mechaniczny przekaźnik.
Jeśli temperatura w wężach wodnych przekroczy 30C, załączy się wentylator w kabinie.
Potrzebuję taki czujnik tylko nie wiem jak to się fachowo nazywa ...
Przekaźnik, włącznik, załącznik temperatury ?
Szukałem każdej z tych opcji i nic .....
Jeśli go nie zastosuję to po włączeniu webasto od startu będzie działać dmuchawa w kabinie, co jest bezsensowną stratą energii akumulatora. Lepiej jak się trochę nagrzeje woda a dopiero później włączy dmuchawa.
Proszę o pomoc
