logo elektroda
logo elektroda
X
logo elektroda
REKLAMA
REKLAMA
Adblock/uBlockOrigin/AdGuard mogą powodować znikanie niektórych postów z powodu nowej reguły.

[Attiny 2313] - Termometr + duże wyświetlacze - błąd sterowania

grzesqi 29 Mar 2013 13:50 2097 7
REKLAMA
  • #1 12127337
    grzesqi
    Poziom 13  
    Witam!

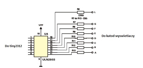
    Składam już drugi egzemplarz tego Link termometru. Pierwszy działa bez żadnych problemów ponad rok. Drugi egzemplarz składam z użyciem dużo większych wyswietlaczy 7-segmentowych. Jednak działają one przy większym napięciu więc nie mogę sterować ich bezpośrednio z portów uP. Użyłem więc układu ULN2003A. Wyświetlacze jakich używam to Link.

    [Attiny 2313] - Termometr + duże wyświetlacze - błąd sterowania

    A oto schemat układu ze strony Mirka:

    [Attiny 2313] - Termometr + duże wyświetlacze - błąd sterowania

    Oczywiście zmieniłem tranzystory PNP na mocniejsze, poza dodaniem przed katodami wyświetlaczy ULN2003 nic nie zmieniałem w układzie.
    I pojawił się problem - otóż wszystkie segmenty w każdym z 3 wyświetlaczy ciągle się świecą i widać tylko delikatne przebłyski przy zmianie cyfry więc sam układ działa prawidłowo tylko jakby nie pozwala gasnąć poszczególnym wyświetlaczom. Wyświetlacze są zasilane 9V. Czy problem polega na nieodpowiednim wysterowaniu tranzystorów w anodach wyświetlaczy? Mają koledzy jakieś pomysły jak temu zaradzić?

    Pozdrawiam
    Grzesiek
  • REKLAMA
  • #2 12127371
    Sparrowhawk
    Poziom 22  
    A zdajesz sobie sprawę, że układ ULN2003 neguje wszystkie sygnały z procesora do wyświetlacza.
  • REKLAMA
  • #3 12127404
    BlueDraco
    Specjalista - Mikrokontrolery
    Jeśli wyświetlacz jest na wyższe napięcie, to w celu wysterowania tranzystorów anod musisz coś dołożyć - w najbardziej leniwej wersji może to być kolejny ULN2003, z którego wyjść wysterujesz tranzystory anod. Można też użyć układu typu "high side switch" UDN2xxx albo dwóch tranzystorów - npn i pnp, npn i PMOS, NMOS i PMOS.
    Wszystkie bity sterujące anodami i katodami (przez ULN) musisz zanegować w oprgramowaniu.
  • REKLAMA
  • #4 12127409
    Dople
    Poziom 19  
    Byłoby lepiej, gdyby RESET nie wisiał w powietrzu - dodaj rezystor.
  • REKLAMA
  • #6 12127469
    grzesqi
    Poziom 13  
    Wiem, że ULN neguje wszystkie wyprowadzenia. Co do podciągnięcia resetu - w tiny2313 nie trzeba tego robić - odpowiedź w karcie katalogowej.
    Czyli mogę to rozwiązać w ten sposób, że dołożę układ ULN2003, jego wejścia pod uP - zamiast tych 3 tranzystorów PNP i dopiero z wyjść ULN sterować tranzystorami?
    Ewentualnie czy mógłby kolega narysować jak połączyć taką parę pojedynczych tranzystorów NPN-PNP?
  • Pomocny post
    #7 12128148
    BlueDraco
    Specjalista - Mikrokontrolery
    Wejście ULN do uC, wyjście ULN przez rezystor rzędu 1.5..3 k do bazy tranzystora pnp sterującego anodą.
    ULN to w końcu taki "złożony" tranzystor npn, więc równie dobrze zamiast ULN możesz włożyć npn z rezystorem w bazie.
  • #8 12129215
    grzesqi
    Poziom 13  
    Dobrze, zrobię w ten sposób. Do tego potrzeba jeszcze zanegować bity sterujące anodami i katodami w programie tak?
REKLAMA