logo elektroda
logo elektroda
X
logo elektroda
REKLAMA
REKLAMA
Adblock/uBlockOrigin/AdGuard mogą powodować znikanie niektórych postów z powodu nowej reguły.

TTI TCB 880 - LCD podświetla się, ale nie wyświetla informacji po podłączeniu

kruliks 09 Kwi 2013 12:05 1821 6
REKLAMA
  • #1 12176152
    kruliks
    Poziom 10  
    Witam mam problem poniewaz kupilem radio TTI TCB 880 od dalekiego znajomego i wyslal je poczta i po odbiorze i podlaczeniu radia na wyswietlaczu nic sie nie wyswietlalo tylko bylo podwietlanie
    oddalem do serwisu i powiedzieli ze to niby procesor i drozej wyjdzie naprawa niz samo radio jest warte
    moze wy cos poradzicie
    pozdrawiam
  • REKLAMA
  • #2 12176476
    SvenG
    Poziom 13  
    Jeżeli serwis nawet nie zajrzał do środka i nie zrobił podstawowych pomiarów i powiedział, że to procesor to poszukaj innego serwisu. Nie znana jest historia tego radia (czy było podłączone pod 24V albo odwrotna polaryzacja napięcia zasilania).

    "moze wy cos poradzicie "

    Jeśli czujesz się na siłach to zmierz na początek napięcia na stabilizatorach. Jeśli nie, to poszukaj innego serwisu.

    Pozdrawiam
  • REKLAMA
  • #3 12176797
    kruliks
    Poziom 10  
    cos na temat elektroniki to wiem pomierze wieczorem i wysle wyniki

    Dodano po 1 [godziny] 24 [minuty]:

    na q911 na C prawie 14v a na B 13v
    na q951 po 10.5 v
    na 1952 nie cale 1v
    i zauwazylem ze nie ma czegos takiego jak D901 sa tylko krotkie nozki zalutowane
  • REKLAMA
  • #4 12181555
    SvenG
    Poziom 13  
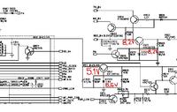
    Sprawdź jeszcze Q931 - na emiterze powinno być 5,1V i Q921 - na emiterze 8,2V.
  • REKLAMA
  • #6 12184370
    SvenG
    Poziom 13  
    Sprawdź, czy napięcia zgadzają się tak jak na schemacie, który dodałem. Może zmierzyłeś napięcia na kolektorach. Sprawdź, czy nie mają zwarcia.
    TTI TCB 880 - LCD podświetla się, ale nie wyświetla informacji po podłączeniu
  • #7 12187337
    SP5ANJ
    Spoczywaj w Pokoju
    Witam.

    Tutaj masz jak to jest na płycie radia :

    TTI TCB 880 - LCD podświetla się, ale nie wyświetla informacji po podłączeniu


    Pozdrawiam.
REKLAMA