Opisany projekt dotyczy dwukanałowego syntezera częstotliwości, który pozwala na zmianę częstotliwości generowanych sygnałów w zakresie od 0 (DC) do 35 MHz, w krokach co 0,1 Hz. Urządzenie pozwala także na regulację poziomu sygnału w zakresie od +16 do -48 dBm z krokiem co 0,1 dB. Możliwa jest też regulacja fazy dwu sygnałów, z rozdzielczością do 11,25 stopnia. Wszelkie parametry są dostosowywane przez użytkownika, za pomocą przycisków i pokrętła umieszczonego na panelu przednim. Zastosowane obwody dostosowywania sygnału synchronizacji o poziomach TTL do obciążenia 50Ω mogą zostać wyłączone, aby zredukować szumy. Układ może korzystać z wewnętrznego (10 MHz) lub zewnętrznego źródła odniesienia częstotliwości. Całość może być też kontrolowana za pomocą interfejsu RS-232.
Poniżej przedstawiono schemat blokowy całości:
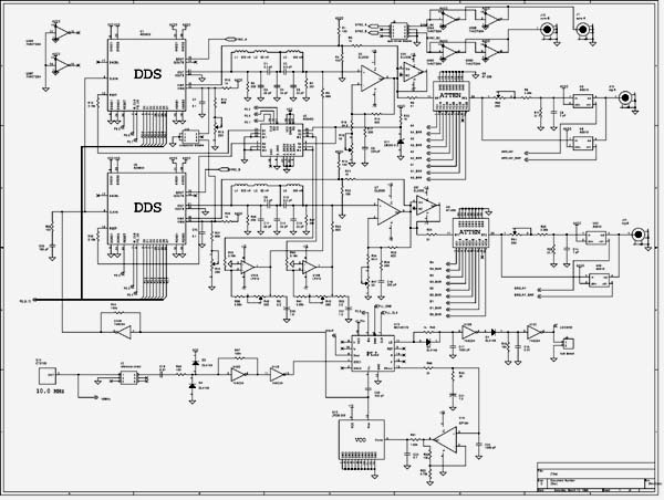
Obwody urządzenia można zobaczyć na poniższych schematach (część analogowa i część cyfrowa):
Sercem syntezera są dwa układy DDS firmy Analog Devices – AD9850. Układy te stanowią źródło sygnału sinusoidalnego, umożliwiając regulację jego częstotliwości i względnej fazy. Stopień wyjściowy układów DDS zawiera także osobne dla każdego z dwu kanałów, regulowane tłumiki. Regulacja tłumienia możliwa jest w zakresie od 0,0 do 63,9 dB co 0,1 dB. Użytkownik może więc regulować tu pięć parametrów: częstotliwość sygnału i tłumienie dla każdego kanału oraz względną fazę pomiędzy dwoma generowanymi sygnałami.
Układy DDS pozwalają na ustalanie częstotliwości wyjściowej z wykorzystaniem słowa 32-bitowego. Korzystają też z częstotliwości odniesienia wynoszącej 130 MHz, dzięki czemu rozdzielczość regulacji wynosi dokładnie 0,0327 Hz. W zaprezentowanym rozwiązaniu użytkownik może regulować częstotliwość od 0 do 35 MHz co 0,1 MHz. W sygnale obecne są aliasy, częstotliwość pierwszego z nich określana jest różnicą pomiędzy częstotliwością generowanego sygnału a częstotliwością odniesienia. Stąd konieczność stosowania filtrów dolnoprzepustowych. W układzie wykorzystano filtr eliptyczny piątego rzędu o częstotliwości granicznej 42 MHz, zbudowany z elementów dyskretnych, zgodnie ze specyfikacją podaną w nocie katalogowej układu AD9850. Wyjścia układów DDS są wyjściami prądowymi, i aby wyeliminować niezrównoważenie stałoprądowe sygnału wyjściowego, prąd równy połowie maksymalnej wartości musi zostać odjęty od generowanego sygnału, zanim trafi on na filtr o impedancji 200 OHM, który zamieni sygnał prądowy na sygnał napięciowy podawany na wzmacniacz. Układ AD9850 został też wyposażony we wbudowany komparator, generujący sygnał synchronizacyjny o poziomach TTL – jest to sygnał prostokątny o wypełnieniu około 50%. Podawany jest on na układy 74HC04, które pozwalają podawać sygnał do obciążenia o impedancji 50Ω. Generowanie sygnału synchronizacyjnego może być wyłączone.
Sygnał generowany w układzie DDS, po przefiltrowaniu, musi zostać wzmocniony do pożądanego poziomu +16 dBm i amplitudy 2V. W tym celu wykorzystano wzmacniacze z prądowym sprzężeniem zwrotnym Elantec EL2030 w konfiguracji nieodwracającej, dające wzmocnienie rzędu 8,5 V/V. Wzmacniacze zostały wybrane ze względu na duże pasmo przenoszenia nawet przy wzmocnieniu wynoszącym 10, szybkie zmiany napięcia wyjściowego i dużą obciążalność prądową wyjść – pozwala to na podawanie sygnału o amplitudzie 2V i częstotliwości 35 MHz na obciążenia o impedancji 50Ω z niewielkimi zniekształceniami.
Generowane przez wzmacniacz zniekształcenia są obecne niezależnie od poziomu sygnału, ponieważ wzmocnienie wzmacniacza zostało ustalone z góry, a poziom sygnału jest regulowany dopiero za pomocą tłumików. Aby zredukować zniekształcenia na wyjściu do akceptowalnego poziomu (ok. -50 dBc przy 35 MHz), należy zastosować dolnoprzepustowy, dopasowany do impedancji 50Ω filtr RF, taki, jak choćby SLP-50 produkowany przez Minicircuits. Na płytce znajduje się miejsce na umiejscowienie takiego elementu w obudowie TO-220. Może zostać również zastosowany bufor, jak np. EL2009 firmy Elantec (bufor musi być zasilany napięciem symetrycznym 15V).
Mimo dobrego stosunku wzmocnienia do szerokości pasma (GBW), wzmacniacze Elanteca wykazują spadek wzmocnienia dla częstotliwości powyżej 1 MHz, który to osiąga wartość ok. 5 dB przy 35 MHz. Aby zapewnić stałość poziomu sygnału dla całego pasma syntezera, w kodzie procesora zaimplementowano możliwość kalibracji z wykorzystaniem ztablicowanych współczynników korekcyjnych. Proces kalibracji wykonywany jest przez użytkownika z wykorzystaniem specjalnego oprogramowania, po podłączeniu urządzenia do komputera za pomocą interfejsu RS-232. Współczynniki kalibracyjne przechowywane są później w pamięci EEPROM mikroprocesora.
Wprowadzenie możliwości tłumienia sygnału na zakresie od 0,0 do 63,9 dB co 0,1 dB wymagało zastosowania trzech osobnych, sprzętowych rozwiązań. Głównym elementem obwodu tłumienia są tłumiki RF wykonane z arsenku galu firmy MaCom. Pozwalają one na osiągnięcie zakresu tłumienia od 0 do 31 dB z rozdzielczością 1 dB (5 bitów) i mają impedancję 50Ω. Możliwość określania tłumienia słowem 6-bitowym i możliwość osiągnięcia wartości do ponad 60 dB osiągnięto za pomocą tłumika rezystorowego włączanego za pomocą przekaźników w obwód wyjściowy.
Dodatkowo, aby zapewnić odpowiednią rozdzielczość tłumienia, sygnał generowany w układzie DDS może być regulowany za pomocą sterowanego mikrokontrolerem potencjometru cyfrowego. W układzie zastosowano poczwórny potencjometr typu AD8403 o oporności 1 kΩ, sterowany za pomocą interfejsu SPI słowem 8-bitowym.
Częstotliwość odniesienia 130 MHz wytwarzana jest za pomocą pętli synchronizacji fazy (PLL). Obwód generowania częstotliwości bazuje na układzie PLL MC145170 i oscylatorze przestrajanym napięciem (VCO) typu JTOS200. Częstotliwość podstawowa – 10 MHz – może pochodzić z wbudowanego oscylatora lub być podana z zewnętrznego źródła o impedancji 50Ω i minimalnym poziome sygnału +0 dBm.
Układ MC145170, z wykorzystaniem liczników i detektora fazy, generuje impulsy, kiedy pojawia się różnica faz podawanych na jego wejścia sygnałów. Impulsy te, po przejściu i uśrednieniu na filtrze dolnoprzepustowym są wzmacniane i – jako napięcie – trafiają na wejście układu VCO.
Urządzeniem steruje procesor z rodziny ‘8051 – AT89S8252. Zdecydowano się na wykorzystanie tego właśnie procesora, ponieważ posiada on 2 Kb pamięci EEPROM, 8 Kb pamięci FLASH i 256 b pamięci RAM. Dodatkowo procesor wyposażono w kontroler UART, który – wraz z układem MAX203 – tworzą obwód interfejsu szeregowego. Interfejs pracuje z prędkością 2400 bodów.
Układ wykorzystuje też watchdoga MAX813L, który powoduje zresetowanie procesora, jeśli na jego wejście co 1,6 s nie zostanie podany impuls lub jeśli poziom napięcia zasilającego spadnie poniżej normalnego poziomu. Funkcjonalność ta może zostać dezaktywowana poprzez odpowiednie ustawienie zworek.
Na płytce znajduje się też 8 potencjometrów: R15 i R35 służą do ustalania wypełnienia sygnału synchronizacji, R42 i R43 służą do regulacji offsetu sygnału wyjściowego, R18 i R37 pozwalają na ustalenie wzmocnienia wzmacniacza a R60 i R61 do regulacji tłumienia tłumika rezystorowego w obwodzie wyjściowym.
Przykładowe widma sygnału wyjściowego przedstawiono poniżej. Po prawej stronie przedstawiono widma sygnału przefiltrowanego za pomocą układu filtra dolnoprzepustowego SLP-50. Bez filtrowania sygnału można zauważyć harmoniczne generowane przez wzmacniacz przy częstotliwościach powyżej 20 MHz. Użycie filtra redukuje je do poziomu -50 dBc przy 35 MHz.
10 MHz:
22,5 MHz:
35 MHz:
Na stronie źródłowej i kolejnych podstronach można znaleźć wyczerpujący opis układu i sposobu jego budowy, projekt płytek drukowanych w formacie PADS PowerPCB oraz oprogramowanie do kalibracji urządzenia.
Fajne? Ranking DIY
