logo elektroda
logo elektroda
X
logo elektroda
REKLAMA
REKLAMA
Adblock/uBlockOrigin/AdGuard mogą powodować znikanie niektórych postów z powodu nowej reguły.

TTI TCB-550 - Reanimacja po zalaniu wodą, jak to dobrze zrobić?

zygmunt7 14 Kwi 2013 13:49 3855 12
REKLAMA
  • #1 12197250
    zygmunt7
    Poziom 12  
    Witam,
    trafiło do mnie radio TTI TCB-550, miało przygodę z błotnistą kałużą.
    Przed zalaniem działało na 100%. Wiem też, że w tej kałuży leżało na pewno kilka dni (zresztą niewielka korozja gdzieniegdzie, to potwierdza).
    Wiem, że to taniocha i przez wielu krytykowany sprzęt, ale chciałbym spróbować go uruchomić.
    Przynajmniej moje elektroniczne doświadczenie trochę się zwiększy
    Jak się do tego zabrać? Czym umyć płytę główną? Spirytusem?
    Dysponuje środkiem Elektrosol S-PM do ochrony styków przed korozją i utlenianiem, mogę nim spryskać cała płytę po umyciu?
    Które elementy powinienem wymienić na 100%, bo na pewno nie przeżyły tej przygody?


    Aktualny wygląd radia:
    TTI TCB-550 - Reanimacja po zalaniu wodą, jak to dobrze zrobić? TTI TCB-550 - Reanimacja po zalaniu wodą, jak to dobrze zrobić? TTI TCB-550 - Reanimacja po zalaniu wodą, jak to dobrze zrobić? TTI TCB-550 - Reanimacja po zalaniu wodą, jak to dobrze zrobić? TTI TCB-550 - Reanimacja po zalaniu wodą, jak to dobrze zrobić? TTI TCB-550 - Reanimacja po zalaniu wodą, jak to dobrze zrobić? TTI TCB-550 - Reanimacja po zalaniu wodą, jak to dobrze zrobić? TTI TCB-550 - Reanimacja po zalaniu wodą, jak to dobrze zrobić? TTI TCB-550 - Reanimacja po zalaniu wodą, jak to dobrze zrobić?

    Mam tez problem ze ściągnięciem panelu przedniego, odkręciłem śruby po bokach, nakrętki trzymające potencjometry i gniazdo mikrofonu, próbowałem podważać ten panel ale coś go trzyma na środku, nie chce nic urwać, jak go zdjąć?
  • REKLAMA
  • #2 12197840
    robson42
    Poziom 19  
    Wyciągnij cała płytę główną , wydmuchaj najpierw sprężonym powietrzem(delikatnie), następnie wszystko wymyj za pomocą szczoteczki do zębów i zwykłego płynu do mycia paznokci(aceton),powtórz wszystko kilka krotnie, następnie miernik w dłoń i próbuj zlokalizować usterki.


    Post był raportowany jako Regulamin pkt 3.1.17. [SP5ANJ]
  • REKLAMA
  • #3 12197902
    lukaszcafe
    Poziom 14  
    Do takich rzeczy używa się Izopropanolu.
    Wymyj najpierw dokładnie,przeczyśc i zobacz czy ożyje.
  • REKLAMA
  • #4 12198095
    robson42
    Poziom 19  
    lukaszcafe napisał:
    Do takich rzeczy używa się Izopropanolu.
    Podałem domowy a zarazem tani sposób zniwelowania takich zanieczyszczeń, ale jak ktoś woli kupować chleb po 10 zł to jego sprawa... :?:
  • #5 12198143
    elektryku5
    Poziom 39  
    Mam wrażenie, że butelka IPA np 0.5l będzie opłacać się bardziej niż zmywacz, poza tym zmywacz zawiera różne badziewie, a zanieczyszczenie powstało w środowisku wodnym, więc przydało by się coś co dobrze w wodzie się rozpuszcza -czyli IPA, taki zmywacz z natłuszczaczami i innym z punktu widzenia czystości badziewiem nie jest dobrym pomysłem, poza tym może uszkodzić niektóre tworzywa.
  • #6 12198352
    zygmunt7
    Poziom 12  
    Rozebrałem wszystko co się dało, przedmuchałem suszarką (zimnym powietrzem), umyłem pędzelkiem ze spirytusem, na koniec wypłukałem ładnie w spirytusie i wysuszyłem ręcznikiem papierowym. Potem znowu porządne przedmuchanie.
    Mikrofon wymieniłem całkiem bo z tamtego kapało, a mam sporo nowych.
    Wszystko suszyło się jakieś dwie godziny nad kaloryferem.
    Widać tylko zaciek na wyświetlaczu.
    Podłączyłem do zas. komputerowego i się włączył. Z głośnika słychać cichy szum, jak nacisnę słuchawkę to szum znika.
    Czy mogę go sprawdzić jakoś bez anteny, nie wiem, na kawałku drutu coś powinien złapać?
  • #7 12201399
    lukaszcafe
    Poziom 14  
    Na kawałku drutu...
    Spróbuj,powinno sie udać,tylko lepiej nie nadawaj
  • REKLAMA
  • #8 12207592
    zygmunt7
    Poziom 12  
    Dzisiaj podłączyłem radio pod antenkę Sunker Elite Cb116 i nic nie złapało :/
    Albrecht AE4200 MC na tej antenie ładnie odbierał w tym miejscu.
    Zauważyłem też że pokrętło głośności nie zmienia jej poziomu, po włączeniu na całym zakresie jest tak samo cicho (trzeba przyłożyć ucho do głośnika żeby usłyszeć szumy). Wymienić potencjometry?
  • #10 12207883
    zygmunt7
    Poziom 12  
    Po sprawdzeniu potencjometrów, gdzie ewentualnie mogę próbować mierzyć miernikiem, żeby wiedzieć na czym stoję?
  • #11 12214539
    SP5ANJ
    Spoczywaj w Pokoju
    Witam.

    Przypominam, że jest to dział serwisowy. :!:

    zygmunt7 napisał:
    Po sprawdzeniu potencjometrów, gdzie ewentualnie mogę próbować mierzyć miernikiem, żeby wiedzieć na czym stoję?

    Poprawnym sposobem na sprawdzenie dlaczego tak cicho słychać jest :
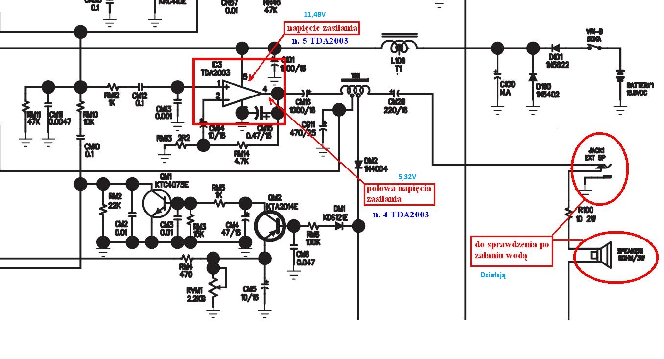
    - zlokalizowanie wzmacniacza mocy m.cz. Odbiornika - układ IC3 TDA2003
    - elementy mechaniczne jak Głośnik (jego zatarcie membrany) i gniazdo EXT

    TTI TCB-550 - Reanimacja po zalaniu wodą, jak to dobrze zrobić?

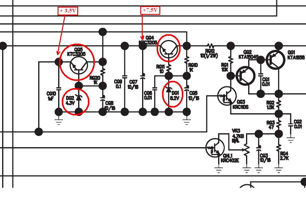
    Drugim ważnym sprawdzianem są stabilizatory napięcia wewnątrz radia :
    - stabilizator +3,5V
    - stabilizator +7,5V

    TTI TCB-550 - Reanimacja po zalaniu wodą, jak to dobrze zrobić?

    I jeszcze klucze tranzystorowe dla podania napięcia +7,5V do Odbiornika i Nadajnika, które zmierzysz przy podłączonym mikrofonie (czytaj : mikrofonu włączonego do gniazda)

    TTI TCB-550 - Reanimacja po zalaniu wodą, jak to dobrze zrobić?


    Pozdrawiam.
  • #12 12214946
    zygmunt7
    Poziom 12  
    Super wskazówki, jak znajdę trochę czasu to sprawdzę wszystko jak kazałeś :D
  • #13 12234282
    zygmunt7
    Poziom 12  
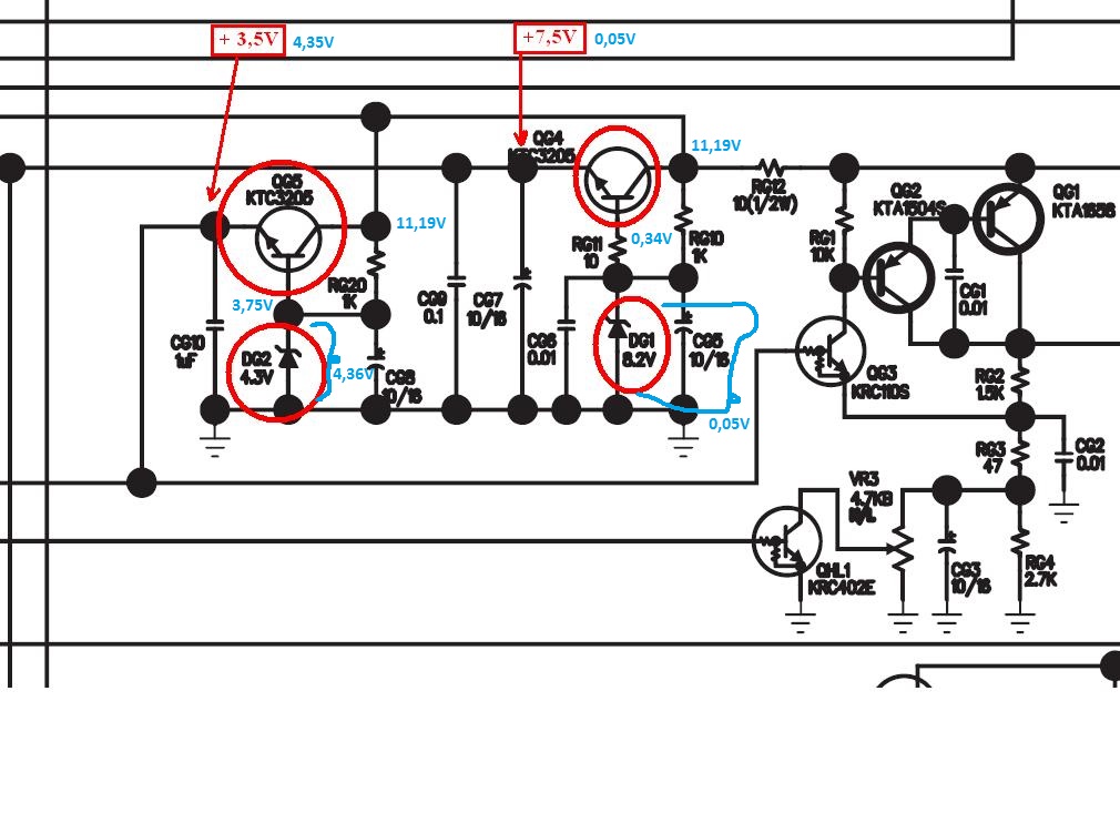
    Dzisiaj miałem okazję sprawdzić to radio.
    Zasilałem go z zas. komputerowego typu AT.
    Linia 5V obciążona była żarówką 6V, 15W.
    Na linii 12V napięcie wynosiło 11,79V.

    Pomiary napięć:

    TDA2003
    n5=11,48V
    n4=5,32V

    KTC3205

    QG4
    B=0,34V
    C=11,19V
    E=0,05V (miało być 7,5V)

    QG5
    B=3,75V
    C=11,19V
    E=4,35V (miało być 3,5V)

    DG1 spadek napięcia 0,05V
    DG2 spadek napięcia 4,36V

    QTS1 E i QRS1 C = 0,31V
    na reszcie wyprowadzeń 0V (podczas nadawania i odbierania)

    Głośnik i gniazdo Jack działające.

    Schematy z naniesionymi napięciami.
    TTI TCB-550 - Reanimacja po zalaniu wodą, jak to dobrze zrobić? TTI TCB-550 - Reanimacja po zalaniu wodą, jak to dobrze zrobić? TTI TCB-550 - Reanimacja po zalaniu wodą, jak to dobrze zrobić?
REKLAMA