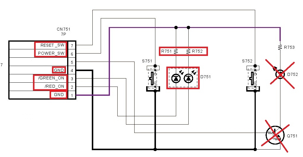
Witam,jest to mój pierwszy post,więc proszę o trochę wyrozumiałości:) Problem jak w temacie,chcę zaadoptować fabryczne przyciski power,reset i eject oraz ledy od playstation 2 (wersja SCPH 39003) do komputera,mam małe wyobrażenie jak to zrobić,ale wole zapytać jednak kogoś kto się na tym zna.Poniżej schemat przycisków ps2:
A tak wygląda dla przypomnienia:)
A tak wygląda dla przypomnienia:)