logo elektroda
logo elektroda
X
logo elektroda
REKLAMA
REKLAMA
Adblock/uBlockOrigin/AdGuard mogą powodować znikanie niektórych postów z powodu nowej reguły.

Seat Inca 1.9SDI - Nie odpala, brak kontrolki od swiec zarowych.

abic 19 Kwi 2013 10:09 18402 29
REKLAMA
  • #1 12216056
    abic
    Poziom 12  
    Witam mam następujący problem mój Seat Inca 1.9SDi przestał odpalać. Gdy przekręcę kluczyk pojawia się kontrolka oleju ale nie pojawia się kontrolka od świec. Rozrusznik kręci ale silnik nie odpala.

    Sprawdziłem do tej pory:

    Słynny przekaźnik 109 (po przekręceniu kluczyka + pojawia się na nóżce 87 a na 85 dostaje masę sterująca, do tego słychać tyknięcie wiec chyba sprawny)

    Bezpieczniki wszystkie sprawne
    Światło stopu też jest

    Podłączyłem tez laptopa ale łączy się tylko z IMO odczytuje jakieś numery (nigdy wcześniej nie był podłączany komp wiec nie wiem czy łączył się z czymś więcej) W błędach IMO bylo info o nieprawidłowym kluczyku ale po wykasowaniu nie pojawia się wiec tez nie wiem czy to nie jakiś stary błąd ?

    Proszę o pomoc co tu jeszcze mogę sam sprawdzić ?
  • REKLAMA
  • #2 12216095
    trans-serwis
    Poziom 39  
    abic napisał:
    Proszę o pomoc co tu jeszcze mogę sam sprawdzić ?
    Sprawdź gdzie jest warsztat.
  • #3 12216460
    yaaro
    Poziom 33  
    Sprawdz co popsułeś.

    Posprawdzaj zasilania.
  • #4 12216516
    abic
    Poziom 12  
    Na czym te zasilania sprawdzać ? Przyszło mi na myśl jeszcze żeby sprawdzić czy pojawia się 12v na pompie jak kręcę rozrusznikiem ?
  • #5 12216544
    yaaro
    Poziom 33  
    Ecu i innych układach
  • REKLAMA
  • #6 12216673
    abic
    Poziom 12  
    Sprawdziłem jeszcze przekaźnik 103 i mam pytanie kiedy powinna się tam pojawić masa sterująca na 85 ? Na Ecu to 2 i 37 pin ?

    Dodano po 5 [godziny] 55 [minuty]:

    Sprawdziłem jeszcze napięcie na przewodzie który idzie do elektrozaworu N109 w pompie i wynosi 11,8V po przekręceniu kluczyka.
  • Pomocny post
    #7 12219196
    15darekvw
    Poziom 28  
    Jeśli nie pojawia ci się kontrolka od świec żarowych to nie masz zasilania ecu.
  • #8 12219802
    abic
    Poziom 12  
    Mój ecu to bosch 0 281 001 689 ma może ktoś pin-out co gdzie powinno być ?

    Na tych pierwszych 4 po lewej stronie (grube kabelki) nie ma zasilania a chyba na dwóch powinno być + a na dwóch masa?
  • #9 12220025
    15darekvw
    Poziom 28  
    No i sam sobie odpowiedziałes co jest nie tak z moim poczatkiem ;-)
  • #10 12220173
    abic
    Poziom 12  
    A teraz drugie pytanie :) skąd powinien iść prąd na te dwa piny w ecu?
  • #11 12220644
    15darekvw
    Poziom 28  
    Sprawdz dokładnie bezpieczniki bo mysle ze tego nie uczyniłes dokładnie.
  • #12 12220793
    abic
    Poziom 12  
    Bezpieczniki sprawdzone dokładnie już drugi raz :( Jakie wartości napięcia na wejściu na ecu powinny być ? Bo sprawdzając woltomierzem pokazuje mi na 2 pinach 0,02 V a po przekręceniu kluczyka 0,08v. Przy wcześniejszym sprawdzaniu kontrolka nie zauważyłem żeby kontrolka zaświeciła się. Szukałem schematu wyjść pinów z ecu ale u mnie jest jakiś dziwny ten komputer bo ma te 4 główne ale one są ponumerowane 1, 2 i 27,28 (na 2, 28 jest napięcie 0,02-0,08v) wszystkich pinów w tej większej kostce jest 52

    ecu to bosch 0 281 001 689

    Ten włącznik automatyczny był podłączany pod stacyjkę na przewód X (miał być na 15 bo na X zanika prąd przy kręceniu rozrusznikiem) może nim coś spaliłem ? Sprawdziłem ciągłość przewodu x od stacyjki do włącznika świateł oraz od stacyjki do przekaźnika R4 u mnie 18 na nodze 86. Gdzie jeszcze idzie ten X ?
  • #13 12221246
    dob12
    Poziom 21  
    Piny 1 i 27 to masa a 2 i 28 to plus po zapłonie 11-14V, i według schematu zasilanie brane jest z linii 30(czyli aku ,a sterowane przez przekaźnik,na schemacie nie widzę tam bezpiecznika,z tym ze to schemat od cordoby z tym samym ecu i świecami żarowymi)reasumując prąd na te piny idzie z przekaźnika.
  • REKLAMA
  • #14 12221275
    abic
    Poziom 12  
    Dałem + na te piny ale nie odpalił. Czasami wracając kluczykiem na 0 kontrolki (od oleju i ładowania) świeciły aż nie rozłączyłem tego przewodu z plusem przy pinach ECU.
  • #15 12221329
    dob12
    Poziom 21  
    A bezpieczniki te na aku sprawdziłeś ,jeden jest tam od ecu 50A
  • #16 12221429
    abic
    Poziom 12  
    Sprawdzałem te bezpieczniki co są w jednej lini w skrzynce bezpieczników 22 szt, ale takiego 50A nie widziałem gdzie on powinien być ? Bo przy akumulatorze nie znalazłem żadnej dodatkowej skrzynki z bezpiecznikami.

    Może to coś z IMO mi się spierdzieliło ?

    Znalazłem jeszcze dwa bezpieczniki jeden 80A nad takim przekaźnikiem z kratka i drugi taki dziwny metalowy 20A nad przekaźnikiem R17 oba sprawne :(
  • #17 12221542
    dob12
    Poziom 21  
    Nie masz takiej skrzynki na aku ,bezpośrednio przykręconej do klemy +
    Seat Inca 1.9SDI - Nie odpala, brak kontrolki od swiec zarowych.
  • #18 12221596
    abic
    Poziom 12  
    NIE ma takiej skrzynki :(

    Dodano po 3 [minuty]:

    Sprawdziłem jeszcze wtyczkę od ECU 1,27,22 PIN mam GND a na 47 pinie jest + po przekręceniu kluczyka.
  • #19 12221676
    dob12
    Poziom 21  
    I tak samo powinno być + na dużych pinach 2 i 28
    Sprawdź jeszcze pin 33 na wyłączonym zapłonie powinno być tam 11-14V a na włączonym 0-1V poza tym na pinie 45 masz linię K do diagnostyki,ale jeśli ecu nie ma zasilania to się nie połączysz..

    Ps.
    Silnik będziesz miał AEY albo AYQ

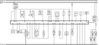
    tu masz schemat poglądowy sterownika od silnika AEY
    Seat Inca 1.9SDI - Nie odpala, brak kontrolki od swiec zarowych.

    abic napisał:
    Dałem + na te piny ale nie odpalił. Czasami wracając kluczykiem na 0 kontrolki (od oleju i ładowania) świeciły aż nie rozłączyłem tego przewodu z plusem przy pinach ECU.

    bo z schematu wynika że tym przekaźnikiem steruje ecu z pinu 33

    I sprawdź jeszcze czy na świece ecu puszcza napięcie jeśli podasz + na pin 2 i 28. Bo jeśli świece nie będą dziać to nie odpali.
    Jak by immo poszło to by zapalał na 2 sekundy i gasł i mrugała by kontrolka od świec.
  • #20 12222194
    mansky
    Poziom 19  
    A masa do kasety z bezpiecznikami i przekaźnikami nie wypięła się?
  • REKLAMA
  • #21 12222878
    Pawel wawa
    VIP Zasłużony dla elektroda
    Pierwsza sprawa, zastąp miernik kontrolką minimum 21W, druga to zwora w przekaźnik, wie, wiem, sprawdzałeś.. No i do tego sprawdzasz żarówą masy i zasilania na ecu. Popatrz też na kostkę stacyjki, posprawdzaj żarówką. Tam nie ma żadnej filozofii. Potem tylko głowa pod deskę i sprawdzasz zasilania na śrubach. Wsadzisz głowę będziesz widział.
  • #22 12223603
    abic
    Poziom 12  
    Sprawdziłem też kontrolkę od świec żarowych żarówka ok

    Gdzie najlepiej sprawdzić czy daje prąd na świece żarowe ?
  • #23 12223742
    15darekvw
    Poziom 28  
    Zebys teraz sprawdził zasilanie na swiecach zarowych to musisz sciagnac kostke z czujnika temp.cieczy chłodzacej i sprawdzic na koncu przewodu który dochodzi do swiecy,ale mysle ze troche bładzisz z tymi swiecami bo nie tedy droga,Co by sie nie działo jesli podajesz zasilanie na ECU to auto powinno palic i miec równiez diagnoze .
  • #24 12223878
    bart.auto
    Poziom 21  
    Sprawdź kostkę stacyjki czy pojawia się KL 15,plus po zapłonie
  • #25 12223888
    abic
    Poziom 12  
    Pawel wawa napisał:
    Popatrz też na kostkę stacyjki, posprawdzaj żarówką.


    Kostka ta wpinana do stacyjki sprawdzona :

    30 cały czas +
    15 plus po przekręceniu kluczyka
    x plus po przekręceniu kluczyka zanika gdy pracuje rozrusznik
    50 prąd pojawia się gdy pracuje rozrusznik

    Wiec wygląda ze stacyjka ok
  • #26 12223889
    bart.auto
    Poziom 21  
    Zmierz wartość napięcia na bezpiecznikach po zapłonie

    Dodano po 1 [minuty]:

    No to miernik w rękę i lecisz kable po kolei
  • #27 12224136
    abic
    Poziom 12  
    Uszkodzony ECU. Powodem uszkodzenia była wilgoć (zaśniedział) oraz zimne luty.
  • #28 12369693
    abic
    Poziom 12  
    Problem powrócił po kolejnych deszczach.
    Sterownik silnika 038 906 013E ; 0281 001 689

    Czy aby wymienić sterownik musi mieć identyczne oznaczenie ?
  • #29 12374283
    bart.auto
    Poziom 21  
    Lepiej żeby miał takie same oznaczenia
  • #30 16434305
    slawarek
    Poziom 16  
    Witam temat stary ale mam pytanie bo miałem to samo woda w sterowniku, wywala mi
    01044 błąd kodowania sterownika , ustawione jest 0002 i nie wiem jakie powinno być. Mam sterownik 038906013m widziany przez vaga jako 1.7l a schemat pasuje z 1.9l dodam ze ktos usunal immo , diagnostyka na pinie 45 sterownika silnika.
REKLAMA