logo elektroda
logo elektroda
X
logo elektroda
REKLAMA
REKLAMA
Adblock/uBlockOrigin/AdGuard mogą powodować znikanie niektórych postów z powodu nowej reguły.

Citroen Xantia 1.9d - Nie odpala,brak wszystkich kontrolek na desce rozdzielcze

hanyes 26 Kwi 2013 21:08 4074 12
REKLAMA
  • #1 12242738
    hanyes
    Poziom 10  
    Witam.Mam problem z cytryna 1.9d 1994 rok.
    Po właczeniu zapłonu zapala sie tylko kontrolka od ładowania nie pojawiają sie inne.
    Wymieniona stacyjka(nowa).
    Sprawdzone bezpieczniki i skrzynka.
    Działaja swiatła i kierunkowskazy,swiatła wstecznego i nawiew dmuchawy.Prosze o podpowiedzi znawców cytryn i nie tylko.
    Z góry dziękuje.
  • REKLAMA
  • #2 12242778
    Dulan
    Poziom 26  
    Brak zasilania na przekaźnik systemowy.
  • REKLAMA
  • #3 12242788
    hanyes
    Poziom 10  
    Mogłbys podrzucic kolego który to będzie?
  • REKLAMA
  • #4 12242799
    zyga c
    Poziom 16  
    Po włączeniu zapłonu powinien " kliknąć" przekażnik podający cały prąd na instalację. Jeśli jest on pod kierownicą to powinien być słyszalny.Może jest on w komorze silnika /ktoś drugi musi posłuchać/Dotykając palcem poszczególne przekażniki - też można zlokalizować.Jeśli żaden nie klika to trzeba po opisie pokrywy bezpieczników poszukać.
  • #5 12242824
    Dulan
    Poziom 26  
    Czarny przekaźnik w skrzynce.
    Sprawdź wyłącznik kolizyjny przy lewym dzwonie czy czasem nie wyskoczył i nie rozłączył zasilania.

    Jak masz problemy nadal, to sprawdź zasilanie ( plus ) na pinie 16 i 33 sterownika po zapłonie ma być napięcie zbliżone do tego co na akumulatorze.
  • #6 12242910
    hanyes
    Poziom 10  
    Ja mam hydraulike i tu pod maską to wszystko inaczej wygląda
    Skrzynka jest po prawej stronie i tam jest tylko zielony przekaznik ale on działa

    Dodano po 31 [minuty]:

    Jednak to cos z tym przekaznikiem systemowym.
    na 30 jest tylko 0.2v tak samo i na plusie cewki przekaznika.skąd on bierze zasilanie?
  • #7 12243064
    Dulan
    Poziom 26  
    A, to zmienia postać rzeczy.
    1. Sprawdź masę na silniku.
    2. Podaj plus z aku na zawór odcięcia paliwa i odpal.
    Citroen Xantia 1.9d - Nie odpala,brak wszystkich kontrolek na desce rozdzielcze
  • #8 12243207
    hanyes
    Poziom 10  
    Kontrolki sie pojawiły-dlaczego niewiem.
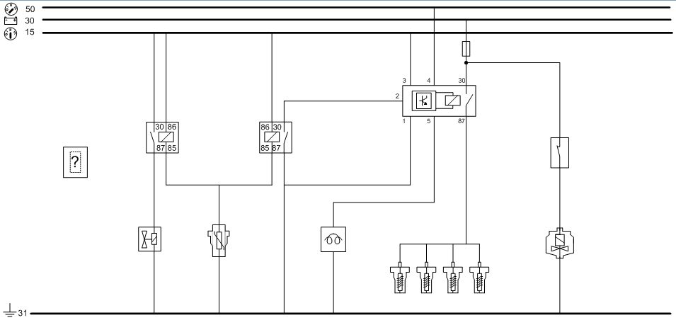
    mysle ze ma to cos wspólnego z takim wielkim czarny ustrojstwem obok małej skrzynki przy aku.bo jak to bzyknie i zgasnie kontrolka od ABSu to kontrolki sie rozswiecają.

    Dodano po 6 [minuty]:

    ten obrazek rozswietlił mi nieco droge

    Dodano po 5 [minuty]:

    Czyli ta czarna skrzyka którą wziąłem za sterownik swiec to to własnie jest jakis zespolony przekaznik systemowy a ja cały czas myslałem ze to ten
    zielony za to odpowiada
  • #9 12243282
    Dulan
    Poziom 26  
    Duża to przekaźnik świec.
    Dwa małe przekaźniki masz jeszcze.
    Podaj zasilanie na zawór i sprawdź wył. udarowy.
  • REKLAMA
  • #10 12243301
    hanyes
    Poziom 10  
    Tak 2 fioletowe i jeszcze jeden zielony

    Dodano po 15 [minuty]:

    teraz kontrolki juz swieca lecz to niczego nie zmienia bo nie wiem dlaczego i takiego auta nie oddam
    masa jest samochód teraz zapali
    ja powyciągałem te 2 małe przekazniki na próbe czy te kontrolki zgasną ale wygłada na to ze one za to nie odpowiadaja bo niezgasły

    Dodano po 8 [minuty]:

    gdzie jest ten wyłącznik udarowy?
  • #11 12244644
    hanyes
    Poziom 10  
    Wtej xsantii nie ma bezwładnosciówki.
    Jest jakis rozdzielacz plusa w tym miejscu.
  • Pomocny post
    #12 12244816
    Dulan
    Poziom 26  
    Zrobiłeś jak Ci pisałem?.
  • #13 12246007
    hanyes
    Poziom 10  
    Nie.Lecz znalazłem przyczyne.
    Ktos wycinał tam immo i bardzo fachowo schowal i złaczył kable plusa po zaplonie tego z siwej wtyczki(zniej idzie cześć zasilania na deske) zlutowałem,zaizolowałem i smiga.mam nadzieje ze to była przyczyna.Dzięki za pomoc i zainteresowanie.
REKLAMA