logo elektroda
logo elektroda
X
logo elektroda
REKLAMA
REKLAMA
Adblock/uBlockOrigin/AdGuard mogą powodować znikanie niektórych postów z powodu nowej reguły.

gp 1/4 fali - wywoływanie ogólne nie słychać odpowiedzi

sebus20 26 Kwi 2013 22:57 2628 13
REKLAMA
  • #1 12243230
    sebus20
    Poziom 17  
    Witam. Posiadam zwykle dwa radia-overmax alfa i Sunker elite one,antenę gp 1/4fali 30m od domu na maszcie wysokości 11m. Maszt z rurek metalowych lecz antena zamontowana na wędce. Mam przyznany znak klubowy Zulu Tango i już od kilku dni próbuje wywoływać polskie stacje i żadnej odpowiedzi. Dziś kolejny raz wywoływałem i nic,nagle kolega do mnie pisze dlaczego nie odpowiadam jak wywołuje i gość do mnie odpowiada. Problem polega na tym że mnie słyszą ale ja ich nie,na 19 jak pytam gdzie mnie słychać to w odległości 20km rozmawiam z raportem 5\9 z mobilami. W czym problem? Dodam ze kolega ma radio alan87 i antenę sirio 2008 też na tak wysokim maszcie i u niego jest ok.
  • REKLAMA
  • Pomocny post
    #2 12243637
    SP5ANJ
    Spoczywaj w Pokoju
    Witam.
    sebus20 napisał:
    Mam przyznany znak klubowy Zulu Tango i już od kilku dni próbuje wywoływać polskie stacje i żadnej odpowiedzi.

    Czy TY sobie z Nas jakieś "jaja" robisz, czy co :?:

    Przecież to jest dział serwisowy a nie pracy czy etyki wołania w paśmie CB. :!:

    Czytaj objaśnienia działów, które znajdują się pod nazwą działu.

    Pod nazwą działu Radiotechnika serwis - napisano :
    Radiotelefony, nadajniki i odbiorniki UKF i TV przemysłowej, CB radia, sprzęt krótkofalarski, anteny, wzmacniacze mocy w.cz., strojenie, zasady i kodowanie transmisji. Sposoby poprawiania odbioru.


    Pozdrawiam.
  • REKLAMA
  • Pomocny post
    #4 12243781
    SP5ANJ
    Spoczywaj w Pokoju
    Witam.
    sebus20 napisał:
    Problem polega na tym że mnie słyszą ale ja ich nie ...

    Zgodnie z tematyką działu - podpowiem, że :
    - ustaw generator sygnałowy w pozycję AM z poziomem około 0,5µV/50Ω sygnału na częstotliwości 27,1800 MHz - sprawdź z jakim poziomem odbierasz (chociaż na słuch)
    - podłącz do wtyku UC-1 sztuczne obciążenie 50Ω/4W i zmierz częstotliwości pracy nadajnika oraz napięcie w.cz. w celu przeliczenia mocy nadajnika (częstotliwość pomierzyć na kilku kanałach np. 1, 20 i 40)
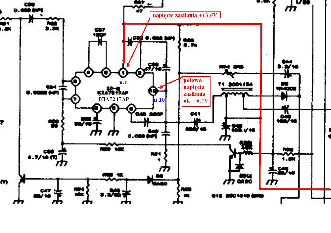
    - w układzie KIA7217AP sprawdź napięcia jak poniżej

    gp 1/4 fali - wywoływanie ogólne nie słychać odpowiedzi

    Cytat:
    ... na 19 jak pytam gdzie mnie słychać to w odległości 20km rozmawiam z raportem 5\9 z mobilami.

    Może "zaistnieć" również taka możliwość, że jeżeli przy pracy na ch19 jest poprawnie a na innych nie - to uszkodzeniu mógł ulec syntezer częstotliwości na IC1.

    Sprawdź napięcie na TP3 w czasie nadawania i również w czasie odbioru.

    gp 1/4 fali - wywoływanie ogólne nie słychać odpowiedzi

    Mierząc kolejno na kanałach ch1, ch20 i ch40 - w pkt TP3 - powinieneś mieć około :
    - podczas "odbierania" - +1V do +2V (ch1 do ch40)
    - podczas "nadawania" - +1V do +2,5V (ch1 do ch40)


    Pozdrawiam.
  • Pomocny post
    #6 12245337
    sp6
    Poziom 23  
    1-antena 1/4 fali nie nadaje się do łączności lokalnej ze względy na wysoki kąt promieniowania,tylko antena 5/8 fali jest odpowiednia.
    2-sprawdziłeś poziom zakłóceń w twoim odbiorniku ?.
    3-może masz skręcony RF-gain i osłabioną czułość odbiornika.
  • REKLAMA
  • REKLAMA
  • Pomocny post
    #10 12251334
    gooooo
    Poziom 15  
    Niestety RG58 nie jest kablem dla tych częstotliwości. Zwłaszcza jeśli kupiłeś słabo ekranowany. Jeśli aluminiowy to trudno powiedzieć, czy w ogóle jeszcze masz tam jakiś ekran. 50m takiego kabla to ~2,8dB tłumienia a to całkiem sporo. Wszelkie łączenia i przejściówki też dodatkowo tłumią sygnał. Staraj się tego unikać
  • Pomocny post
    #13 12253468
    robson42
    Poziom 19  
    sebus20 napisał:
    Z kolegą próbowałem i jego słyszę na każdym kanale tyle że to odległość 2km, baza-baza a te bardziej oddalone mnie słyszą a ja ich nie.
    To zanieś te radio do kolegi i sprawdż,czy u niego jest to samo,następnie jego radio podepnij do twojej anteny i będziesz miał porównanie co to jest.
REKLAMA