logo elektroda
logo elektroda
X
logo elektroda
REKLAMA
REKLAMA
Adblock/uBlockOrigin/AdGuard mogą powodować znikanie niektórych postów z powodu nowej reguły.

Atmega8 - brak komunikacji ISP po ustawieniu zewnętrznego kwarcu 14,31818MHz

w1941s 27 Kwi 2013 23:28 4185 15
REKLAMA
  • #1 12246409
    w1941s
    Poziom 14  
    Witam, to tak postanowiłem zamontować kwarc 14,31818MHz do atmegi 8,
    Najpierw wgrałem program do uc. Ustawiłem fusebity programem mkAVR kalkulator, wchodząc w zakładkę fusy uproszczone, zaznaczyłem w polu zewnętrzny kwarc >8MHz i CKOPT opcja oscylatora. Zaprogramowałem fuse bity, podpiąłem kwarc wraz z kondensatorami 22pf, podpinam pod atmege programator i nic się nie dzieje, nie wykrywa uC. Ale reset działa na 100%, gdyż w układzie do którego miałem zaprogramować uC dioda led się świeci, a jak nacisnę przycisk reset, led gaśnie.

    Patrzyłem już po różnych tematach i nic nie widzę ciekawego, próbowałem też z tym układem podanym w jednym z tematów:
    https://www.elektroda.pl/rtvforum/topic481561.html
    - rezystor 1k i kondensator 27pf podpięte pod xtal1.
  • REKLAMA
  • #2 12246676
    Jeżyk-1
    Poziom 25  
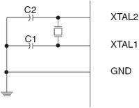
    Czy rezonator kwarcowy podłączyłeś w taki sposób? :
    Atmega8 - brak komunikacji ISP po ustawieniu zewnętrznego kwarcu 14,31818MHz
  • REKLAMA
  • #3 12246735
    gaspaccio
    Poziom 20  
    Może zwyczajnie kwarc (lub któryś z kondensatorów) jest uszkodzony, sprawdzałeś z innymi?
  • REKLAMA
  • #4 12246876
    tmf
    VIP Zasłużony dla elektroda
    w1941s napisał:
    Witam, to tak postanowiłem zamontować kwarc 14,31818MHz do atmegi 8,
    Najpierw wgrałem program do uc. Ustawiłem fusebity programem mkAVR kalkulator, wchodząc w zakładkę fusy uproszczone, zaznaczyłem w polu zewnętrzny kwarc >8MHz i CKOPT opcja oscylatora. Zaprogramowałem fuse bity, podpiąłem kwarc wraz z kondensatorami 22pf, podpinam pod atmege programator i nic się nie dzieje, nie wykrywa uC. Ale reset działa na 100%, gdyż w układzie do którego miałem zaprogramować uC dioda led się świeci, a jak nacisnę przycisk reset, led gaśnie.

    Patrzyłem już po różnych tematach i nic nie widzę ciekawego, próbowałem też z tym układem podanym w jednym z tematów:
    https://www.elektroda.pl/rtvforum/topic481561.html
    - rezystor 1k i kondensator 27pf podpięte pod xtal1.


    Reset zawsze działa, chyba, że zaprogramujesz RSTDISBL, napisz jaką wartość hex fusebitów zaprogramowałeś. Podepnij też zewnętrzny generator zegara pod XTAL. Procek powinien ożyć.
  • REKLAMA
  • #5 12247035
    w1941s
    Poziom 14  
    Napisałem jak zaprogramowałem fusy. W mkavr nic się nie da rozwalić, już zmieniałem częstotliwości wewnętrznych oscylatorów i działało. Postaram się sprawdzić z innymi kondensatorami. A czy ruszyłby jeśli podepnę kwarc zegarkowy.
  • #6 12247260
    tmf
    VIP Zasłużony dla elektroda
    w1941s napisał:
    Napisałem jak zaprogramowałem fusy. W mkavr nic się nie da rozwalić, już zmieniałem częstotliwości wewnętrznych oscylatorów i działało. Postaram się sprawdzić z innymi kondensatorami. A czy ruszyłby jeśli podepnę kwarc zegarkowy.


    Twój przypadek jakby przeczy temu co napisałeś, prawda?
    Aby powiedzieć jak zaprogramowałeś fusy przydatną informacją jest informacja o ich wartości hex, a nie to co tam klikałeś. No ale to twój problem, nie chcesz rozwiązania to trudno.
  • #7 12247383
    w1941s
    Poziom 14  
    Proszę bardzo: :) :

    Atmega8 - brak komunikacji ISP po ustawieniu zewnętrznego kwarcu 14,31818MHz
  • #8 12248812
    Jeżyk-1
    Poziom 25  
    Na moje jeśli masz dobrze wszystko podłączone to tak jak koledzy wyżej pisali sprawdź z innym kwarcem i kondensatorami. Będzie pewność że to można wykluczyć a roboty w tym zaledwie 5min.
  • #10 12249766
    w1941s
    Poziom 14  
    O dziwo zamontowałem kwarc 4mhz, kondensatory 22pf i nagle ruszyło, co prawda mam jeszcze jakieś zakłócenia na płytce, tak mi się wydaje bo błędy były z odczytem. Zmieniłem ustawienia kwarc na wewnętrzny, wsadziłem uC do innej płytki i śmiga aż miło :). Do czego właściwie służy ten bit CKOPT, obiło mi się o oczy :P że niby podciąga wewnętrzne kondensatory.

    A odnośnie tych kwarców to testowałem 3 każdy po 14,31818.

    Ale dziwi mnie nadal jedno, że program wykonywał się z tym kwarcem 16mhz 27pf ale nie dało się programować uc. Czy to faktycznie zakłócenia, które zniknęły po podpięciu kwarcu 4mhz?
  • #12 12250406
    Jeżyk-1
    Poziom 25  
    Na TEJ stronie masz opisane po polsku do czego jest ten bit konfiguracyjny.
  • #13 12250513
    Konto nie istnieje
    Poziom 1  
  • #14 12250578
    w1941s
    Poziom 14  
    A co z tymi zakłóceniami :/ czy to ich wina że z kwarcem 14,31818 mhz nie mogę zaprogramować atmegi?
  • #15 12250733
    dondu
    Moderator na urlopie...
    Jeżyk-1 napisał:
    Na TEJ stronie masz opisane po polsku do czego jest ten bit konfiguracyjny.

    Informacje tam zawarte są niekompletne.

    w1941s napisał:
    A co z tymi zakłóceniami :/ czy to ich wina że z kwarcem 14,31818 mhz nie mogę zaprogramować atmegi?

    Czy możesz odpowiedzieć, dlaczego mój samochód nie działa?
    Jeże nie, to zrób tak: http://mikrokontrolery.blogspot.com/2011/04/fora-dyskusyjne-sa-bardzo-pomocne.html
  • #16 12279548
    w1941s
    Poziom 14  
    Dziękuje za odpowiedzi, problem rozwiązany.
REKLAMA