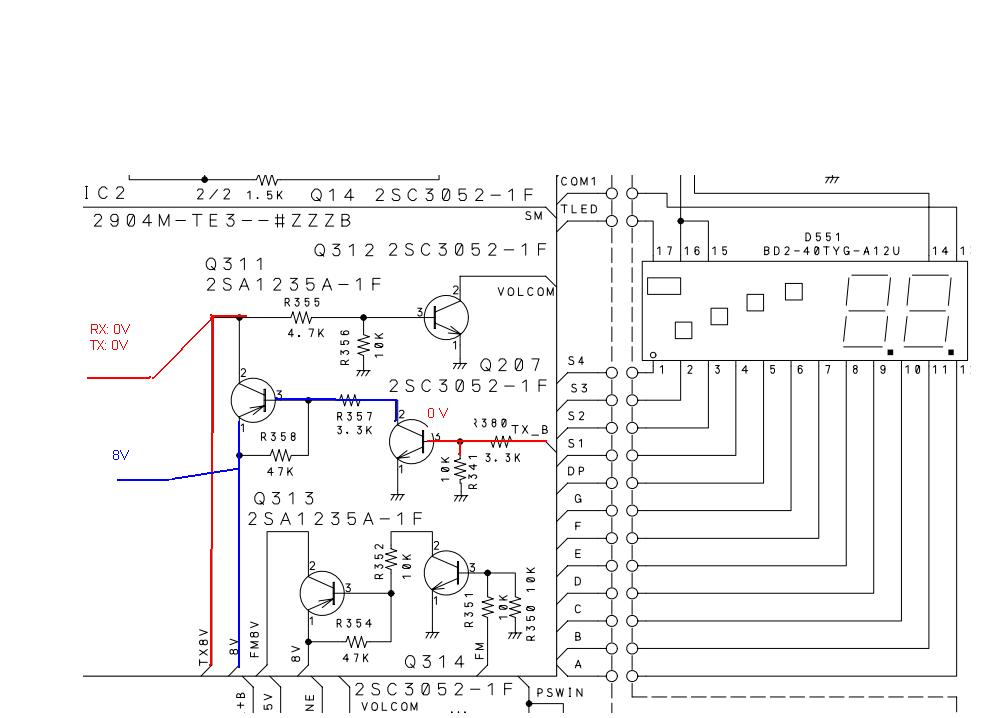
Witam. Problem taki jak w temacie. Mikrofon, jego połączenie i połączenie gniazda mikrofonu sprawdzone i jest ok. Radio odbiera normalnie. Wyniki pomiarów załączam na zdjęciach zaznaczone na schemacie Harrego Classic bo to chyba bliźniaczy sprzęt. Wygląda na to, że powodem usterki jest brak napięcia na 19 pinie IC301 czyli na schemacie TX_B. Dziwi mnie tylko 2,5V na diodzie Zenera D301. Dioda jest na napięcie 7,5V. Proszę o pomoc i ewentualne wskazanie kolejnych pomiarów. Pozdrawiam.
