logo elektroda
logo elektroda
X
logo elektroda
REKLAMA
REKLAMA
Adblock/uBlockOrigin/AdGuard mogą powodować znikanie niektórych postów z powodu nowej reguły.

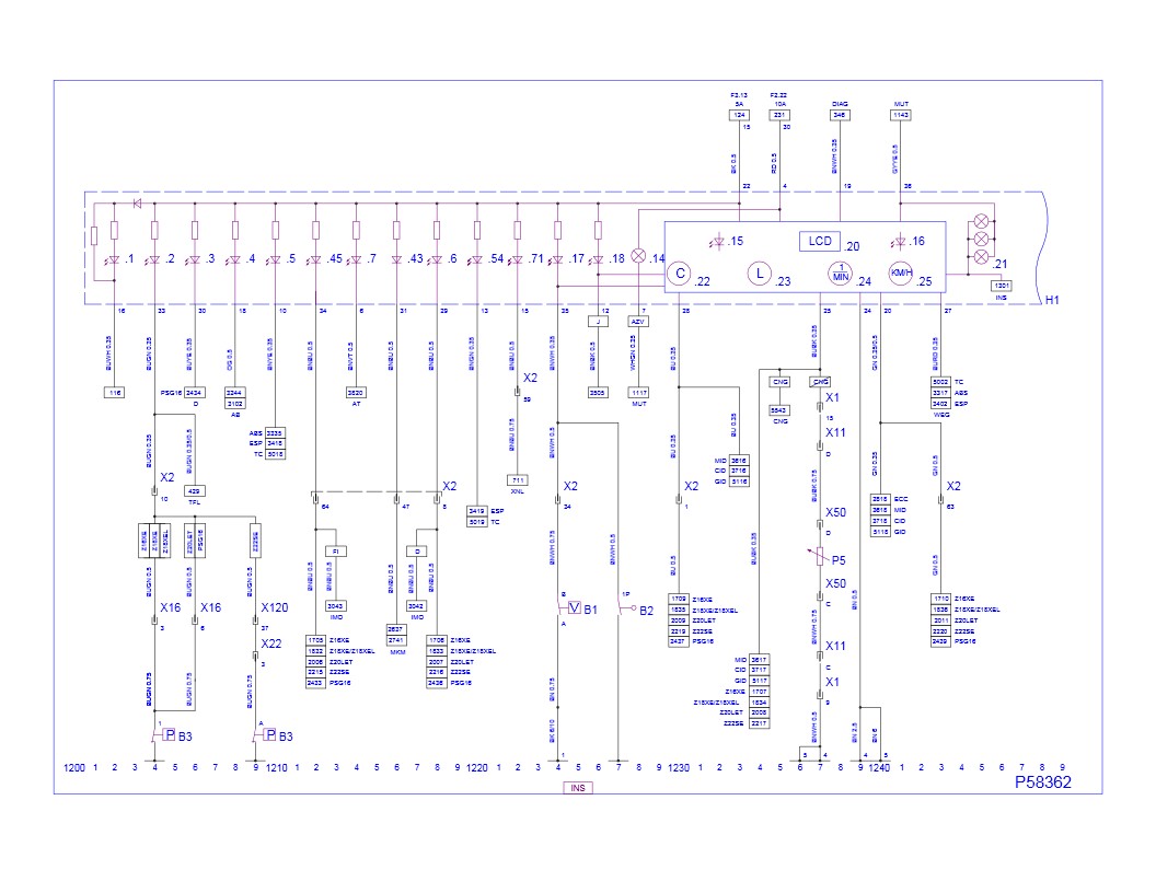
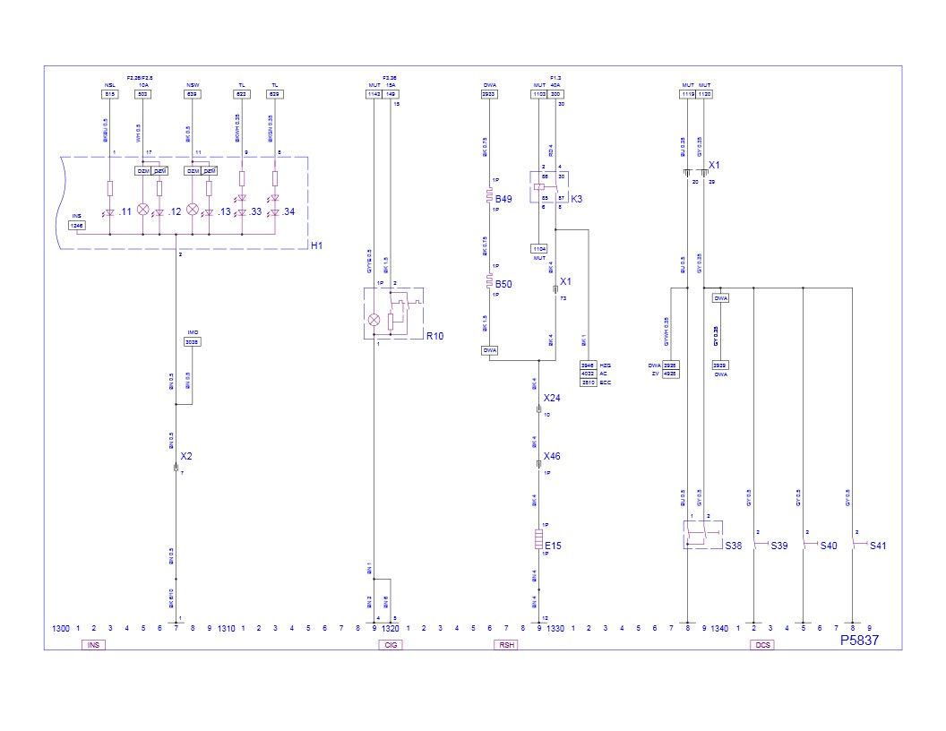
Rozpiska pinów białego złącza licznika Opel Zafira A 2.0 DTI 2003

ekmir 29 Kwi 2013 13:54 7026 5
REKLAMA
  • REKLAMA
  • #2 12252148
    rob4028
    Poziom 25  
    Tutaj masz schemat. Rozpiska pinów białego złącza licznika Opel Zafira A 2.0 DTI 2003 Rozpiska pinów białego złącza licznika Opel Zafira A 2.0 DTI 2003
  • REKLAMA
  • #3 12252464
    ekmir
    Poziom 24  
    Bardzo dziękuję za schemat.
    Przydałby się jeszcze jakiś opis (np. diod).
    W moim aucie nie wszystkie miejsca w tej kostce są obsadzone pinami.
    Licząc od góry z prawej, puste są pozycje: 3, 5, 6, 12, 14, 15 oraz od dołu z prawej, puste są pozycje: 3, 5, 8, 14, 18.

    Zastanawiam się za co one są odpowiedzialne (jakie sygnały powinny być nimi przekazywane).
    Czy może któraś z nich jest wykorzystywana do przesyłania sygnału (masy) do kontrolek (diod) w liczniku: tempomatu oraz poziomowania świateł?

    Chodzi o złącze licznika (gniazdo):
    Rozpiska pinów białego złącza licznika Opel Zafira A 2.0 DTI 2003

    Rozpiska pinów białego złącza licznika Opel Zafira A 2.0 DTI 2003

    Rozpiska pinów białego złącza licznika Opel Zafira A 2.0 DTI 2003
  • REKLAMA
  • REKLAMA
REKLAMA