logo elektroda
logo elektroda
X
logo elektroda
REKLAMA
REKLAMA
Adblock/uBlockOrigin/AdGuard mogą powodować znikanie niektórych postów z powodu nowej reguły.

Jak zrobić kontroler prędkości wentylatorów z części, jakie mam?

zerg1995 16 Maj 2013 17:10 2292 12
REKLAMA
  • #1 12313835
    zerg1995
    Poziom 9  
    Witam serdecznie, chciałbym zrobić kontroler prędkości na jeden wentylator - na wtyczkę molex. Części jakie mam, to:

    potencjometry:
    3x Potencjometr TELPOD PR-195.666 (1kΩ - A, 0.25W)
    1x Potencjometr TELPOD PR-195.666 (470kΩ - A, 0.25W)
    1x Potencjometr TELPOD 07-79 (10kΩ - B)
    2x PT10LH-22K

    Rezystory:
    BD 140-16
    BD 139-16
    (jeden PNP, drugi NPN)

    Oporniki:
    Każdych jest duża ilość.
    Rezystor:metal oxide;THT;1kΩ;1W; ±5%
    Rezystor:metal oxide;THT;30kΩ;1W; ±5%
    i 200 KΩ

    Kondensatory:
    Ceramiczny:100nF;50V; THT, 2,54mm
    Elektrolityczny;THT;100uF;25V

    To wszystko co mam do zrobienia regulatora... Pomógłby ktoś mi z tym i zrobiłby schemat co i jak połączyć, gdyż z takowej elektroniki jestem laikiem :)

    Pozdrawiam!
  • REKLAMA
  • #2 12313944
    daduszeryf
    Poziom 28  
    Cześć.A mógłbyś sprecyzować o co konkretnie Tobie chodzi?
  • REKLAMA
  • #3 12313970
    TFOE
    Poziom 15  
    Taki układzik kolega sobie zrobi.
    Jak zrobić kontroler prędkości wentylatorów z części, jakie mam?
  • #4 12314262
    zerg1995
    Poziom 9  
    Mam pewien problem... Moje tranzystory są inaczej oznaczone niż te w database.

    Np BD140-16

    Biorąc go na rękę, tymi kropkami do mnie, jedna jest na górze po lewej, a druga po prawej na dole, a powinno być tak, że jedna jest na dole po lewej, a druga na górze po prawej.

    Daję rysunek, tak samo odwrotnie jest w BD139-16.

    Jak zrobić kontroler prędkości wentylatorów z części, jakie mam?

    Jak mam lutować moje?
  • REKLAMA
  • #5 12314297
    TFOE
    Poziom 15  
    Kropki są bez znaczenia. Patrząc od strony napisu E-C-B
  • #6 12314322
    zerg1995
    Poziom 9  
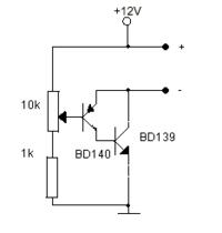
    No dobrze, a te 10k to potencjometr, a ten 1k to opornik, tak?
  • #7 12314324
    TFOE
    Poziom 15  
    Dokładnie.
  • #8 12314440
    zerg1995
    Poziom 9  
    Ostatnie pytanie... 12V to żółty kabel MOLEX'a, + to + wentylatora, -, to - wentylatora, a masa _|_ to minus MOLEX'a?
  • REKLAMA
  • #9 12314807
    TFOE
    Poziom 15  
    Dokładnie tak. + i - kolega podłącza wentylator. Zasilanie wiadomo.
  • #10 12316180
    zerg1995
    Poziom 9  
    Wszystko mam zrobione (długo robiłem obudowę do tego kontrolera), i jeszcze jedno... ten BD140 z nóżki nr 1 podłączam do potencjometra, tylko do której nóżki w nim? tej od strony +, czy od strony opornika?
  • #11 12316290
    Chris_W

    Poziom 39  
    Potencjometr powinien posiadać 3 nóżki - więc podłączasz do trzeciej (najczęściej środkowa, ale to nie reguła). Musisz tylko sprawdzić czy ta trzecia jest na pewno "suwakiem".
  • #13 12316716
    TFOE
    Poziom 15  
    Powinien mieć ponumerowane nóżki ten potencjometr. 1 do +, 2 do bazy tranzystora, 3 do rezystora 1k.
REKLAMA