Dzień dobry:)
Mam kolejny problem.
Atmega nie może odczytać tego co wysyłam z komputera. Do komputera elegancko wszystko dochodzi ale w drugą stronę już to się nie udaje.
Posiadam ten moduł ft232(osobno zasilany z usb, pod max'a podpięte tylko RX i TX).
Schemat max:
(T1OUT to TX a R1IN to RX w ft232)
Płytka testowa: Link
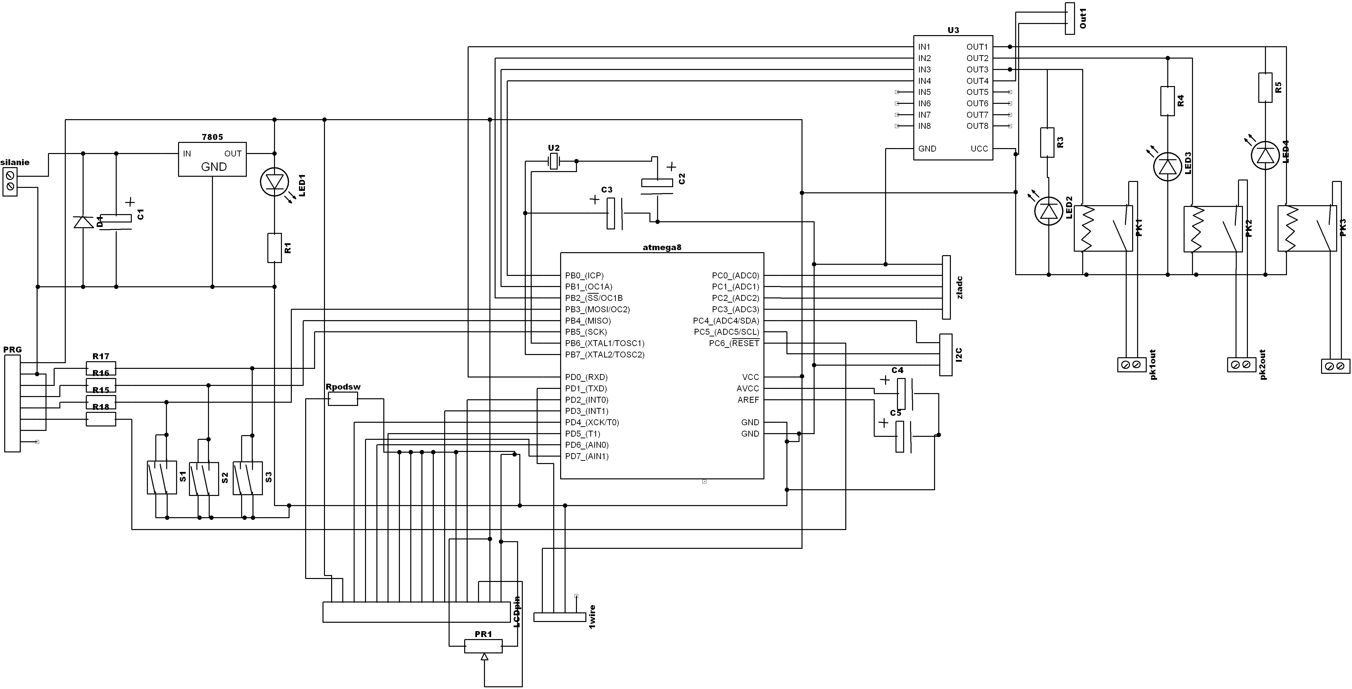
Schemat płytki testowej:
Kod C:(8mhz)
Mam kolejny problem.
Atmega nie może odczytać tego co wysyłam z komputera. Do komputera elegancko wszystko dochodzi ale w drugą stronę już to się nie udaje.
Posiadam ten moduł ft232(osobno zasilany z usb, pod max'a podpięte tylko RX i TX).
Schemat max:
Płytka testowa: Link
Schemat płytki testowej:
Kod C:(8mhz)
Kod: C / C++
