Witam! Na wstępie powiem, że przejrzałem wszelkie tematy związane z moim problemem, niestety nie mogę znaleźć jednoznacznej odpowiedzi.
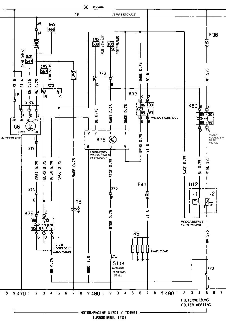
Bez zbędnych wstępów od razu przedstawię problem. Potrzebny mi jest opis tych oto przewodów. Który za co odpowiada. (zdjęcie zapożyczone)
Zielony
Czerwony
Czarny
Żółto-czerwony
I jak powinny być podłączone do tej kostki w alternatorze?
Przeglądam temat po temacie w każdym inny układ. Walczę z tym kolejne popołudnie i powoli tracę wiarę, że w ogóle uda się to złożyć do kupy.
Myślę, że jeśli ktoś mi pomoże z tymi kolorkami to komuś później może się to bardzo przydać. Pozdrawiam
Bez zbędnych wstępów od razu przedstawię problem. Potrzebny mi jest opis tych oto przewodów. Który za co odpowiada. (zdjęcie zapożyczone)
Zielony
Czerwony
Czarny
Żółto-czerwony
I jak powinny być podłączone do tej kostki w alternatorze?
Myślę, że jeśli ktoś mi pomoże z tymi kolorkami to komuś później może się to bardzo przydać. Pozdrawiam