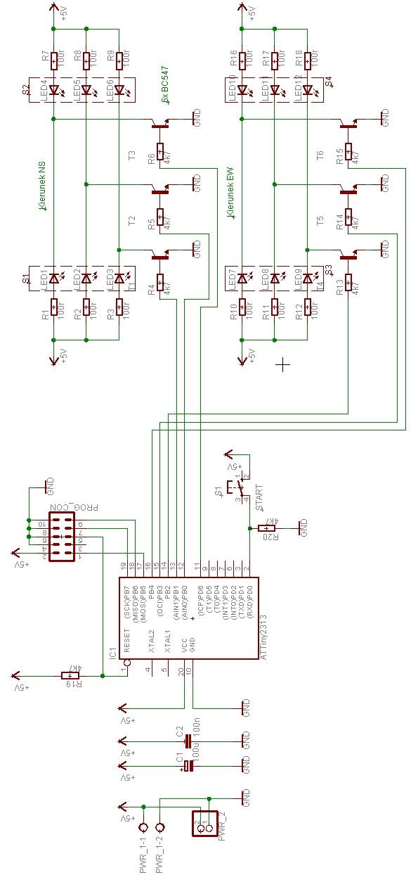
Witam,
posiadam projekt skrzyżowania na w/w mikrokontrolerze. Potrzebuje dodać do niego wyświetlacz LED do wyświetlania prędkości z jaką trzeba opuścić skrzyżowanie.Będzie się ona zmieniała na podstawie wzoru v=s/t. Co do wyświetlacza to mają być tanie i najprostsze z możliwością wyświetlenia liczb od 0 do 99). Potrzebuje także dodatkowego skrzyżowania ,a właściwie jednej lini (3 diody ) wysterowane z w/w ATtiny 2313 Język oprogramowania Bascom. Przesyłam schemat. Szczegóły na PW.
![[Zlecę] Modyfikacje projektu na ATtiny 2313 [Zlecę] Modyfikacje projektu na ATtiny 2313](https://obrazki.elektroda.pl/3335743900_1369679890_thumb.jpg)
posiadam projekt skrzyżowania na w/w mikrokontrolerze. Potrzebuje dodać do niego wyświetlacz LED do wyświetlania prędkości z jaką trzeba opuścić skrzyżowanie.Będzie się ona zmieniała na podstawie wzoru v=s/t. Co do wyświetlacza to mają być tanie i najprostsze z możliwością wyświetlenia liczb od 0 do 99). Potrzebuje także dodatkowego skrzyżowania ,a właściwie jednej lini (3 diody ) wysterowane z w/w ATtiny 2313 Język oprogramowania Bascom. Przesyłam schemat. Szczegóły na PW.

