Dzień dobry.
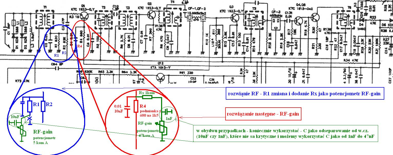
Mam radio Magnum MX. Chciałbym założyć do niego RF-Gain i ograniczyć jego czułość wtedy kiedy z niego nie korzystam, natomiast chciałbym usłyszeć tych co jadą przedemną, za mną i mnie mijają. Wymiana na inne? Radia mi szkoda gdyż jest wykonane w technologii przewlekanej i od roku mi służy. Bardzo proszę o pomoc. Schematu szukałem i jedyny jaki znalezałem to od Stabo Magnum tyle że mało czytelny i w PDF
Dodano po 16 [minuty]:
Schemat Stabo Magnum poniżej
http://www.cb-radio.cba.pl/instrschem/Stabo_Magnum.zip

Mam radio Magnum MX. Chciałbym założyć do niego RF-Gain i ograniczyć jego czułość wtedy kiedy z niego nie korzystam, natomiast chciałbym usłyszeć tych co jadą przedemną, za mną i mnie mijają. Wymiana na inne? Radia mi szkoda gdyż jest wykonane w technologii przewlekanej i od roku mi służy. Bardzo proszę o pomoc. Schematu szukałem i jedyny jaki znalezałem to od Stabo Magnum tyle że mało czytelny i w PDF
Dodano po 16 [minuty]:
Schemat Stabo Magnum poniżej
http://www.cb-radio.cba.pl/instrschem/Stabo_Magnum.zip
