logo elektroda
logo elektroda
X
logo elektroda
REKLAMA
REKLAMA
Adblock/uBlockOrigin/AdGuard mogą powodować znikanie niektórych postów z powodu nowej reguły.

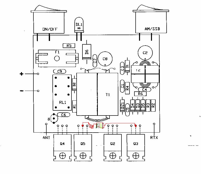
CTE 747 - Dolutowany rezystor i cewka do tranzystorów 1 i 3, co to za mod?

30 Maj 2013 14:22 6156 5
REKLAMA
  • #1 12362140
    Konto nie istnieje
    Konto nie istnieje  
  • REKLAMA
  • #2 12377750
    Konto nie istnieje
    Konto nie istnieje  
  • REKLAMA
  • #3 12377955
    Konto nie istnieje
    Konto nie istnieje  
  • REKLAMA
  • #4 12378511
    Konto nie istnieje
    Konto nie istnieje  
  • REKLAMA
  • #5 12378833
    SP5ANJ
    Spoczywaj w Pokoju
    Witam.
    gepardx5 napisał:
    Prawie 80 wyświetleń tematu i nikt nic nie wie , tajemnica Helmuta nie do rozgryzienia bo z Niemiec mam to cudo szkoda

    Zobacz, że te 80 wyświetleń a nikt nie chciał podpowiedzieć po co ten opornik - to ja zrobiłem prosty eksperyment w myśl regulaminu pkt 3.1.17 .

    Wyklikanie dobrej podpowiedzi, którą sam sobie mógłbyś odpowiedzieć - zajęło mi około 30 sekund tego klikania.
    http://www.cb-mania.pl/forum/lofiversion/index.php/t23.html

    I pozamiatane. :D


    Pozdrawiam.
  • #6 12379691
    Konto nie istnieje
    Konto nie istnieje  
REKLAMA