logo elektroda
logo elektroda
X
logo elektroda
REKLAMA
REKLAMA
Adblock/uBlockOrigin/AdGuard mogą powodować znikanie niektórych postów z powodu nowej reguły.

CTE 747 - Jak zmniejszyć tłumienie odbioru we wzmacniaczu?

spodni 30 Maj 2013 21:58 1965 6
REKLAMA
  • #1 12364107
    spodni
    Poziom 9  
    Witam
    Pierwszy post więc witam wszystkich.
    Mam pytanie odnośnie tego wzmacniacza,czy można zmniejszyć lub zlikwidować całkowicie tłumienie odbioru, Walker (Sirio Turbo 3000) stał się strasznie głuchy,JFK I podobnie nadawanie jest ok. Szukałem w sieci informacji na ten temat ale nic nie znalazłem,trafiłem na felerny/uszkodzony ? bo myślę że coś bym znalazł na ten temat. Wzmacniacz jest jak nowy i nie widać śladów ''grzebania''.
    Pozdrawiam
    Gienek
  • REKLAMA
  • REKLAMA
  • #3 12365103
    spodni
    Poziom 9  
    Elektronikiem nie jestem więc proszę trochę jaśniej bo jeśli jest to prosta wymiana elementu to spróbuję sam a jeśli są potrzebne jakieś pomiary/ustawienia wolę zlecić komuś kompetentnemu. Pytam na forum o ten temat bo dwa serwisy w Sanoku które odwiedziłem odesłały mnie z kwitkiem oprócz tego w sieci jest opis modyfikacji 747 Midland i jeśli w przypadku CTE można by też coś poprawić na + to chętnie bym to zrobił.
    Pozdrawiam
    Gienek
  • REKLAMA
  • #4 12366578
    .Labrador
    Poziom 26  
    spodni napisał:
    Gienek

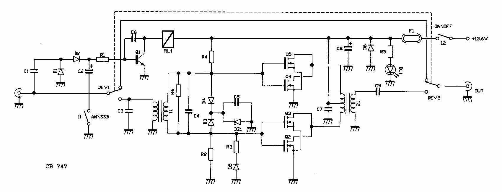
    Jaśniej się nie da :D , jest tam jeden przekaźnik i należy go sprawdzić.
    Za pomocą jego styków poprzez nośną > zał. i wył. się odbiór, (zalecenia) :arrow: pomierz jego styki.
    spodni napisał:
    oprócz tego w sieci jest opis modyfikacji 747

    Zlokalizuj usterkę odsłuchu, i później weź się za modyfikację.



    Schemat poniżej, w jakiej pozycji powinny znajdować się styki przekaźnika przy odbiorze.

    Powodzenia Gienku.:spoko:'
  • #5 12367774
    spodni
    Poziom 9  
    Włašnie to było dla mnie jaśniej dlatego napisałem że nie jestem elektronikiem, jutro sprawdzę ile mogę zrobić sam bo nie chcę nic uszkodzič.
    Dzięki
  • REKLAMA
  • Pomocny post
    #6 12368294
    Driver-
    Poziom 38  
    Oryginalnie powinien tam być przekaźnik OMRON G5V-2 lub podobny, ale możesz zastosować przekaźnik TAKAMISAWA RY12W-K. Jak chce Ci się jechać do Ustrzyk Dolnych to mogę Ci naprawić, kontakt na PW. Dokup sobie Π-filtr na 27MHz, bez takiego filtru na wyjściu wzmacniacza występuje duża zawartość częstotliwości harmonicznych co powoduje zakłócenia po za pasmem CB i straty części mocy wzmacniacza.
  • #7 12368634
    spodni
    Poziom 9  
    Dzięki Driver kupię co trzeba i się skontaktuję.
REKLAMA