Parametry, schemat i opis projektu
Cel: Włączenie/wyłączenie obciążenia w zależności od wartości temperatury i ustawionych temperatur progowych.
Zakres pomiaru temperatury (jest zależny od zastosowanego czujnika): -55С°...+125 С°
Pozostałe parametry zależą od użytych tranzystorów w stopniach wyjściowych. W danym przypadku:
Uzasilania: DC +8...16V
Napięcie/prąd wyjściowy stopnia sterującego maks: 30V\5A*
Napięcie/prąd wyjściowy sygnalizacji: Uzasilania -1V\0,5A*
*wartości dla użytych na schemacie elementów
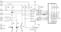
Schemat bloku mikrokontrolera
Sercem i mózgiem całego urządzenia jest mikrokontroler (U1) ATMEL ATTiny2313 lub ATTiny2313V (wersja niskonapięciowa). Obudowa – SOIC-20.
Układ resetu - (U3) MC33064 – w obudowie ТО92.
Czujnik temperatury - MAXM\DALLAS DS18х20 (DS1820); nie przedstawiono go na schemacie. Podłącza się go do płytki mocy - J2 (lub przewodami do płytki CPU).
Wyświetlacz (HG1) - 3-cyfrowy, 7-segmentowy LED RL-T3620 (wspólna anoda).
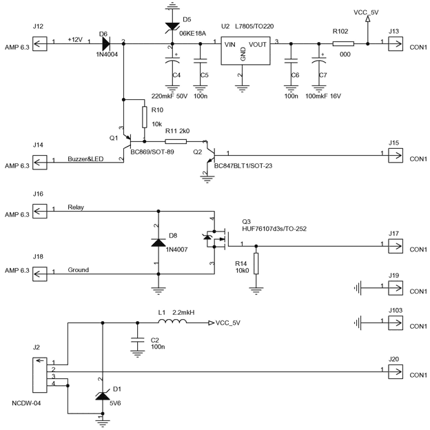
Schemat zasilacza i obwodów wyjściowych (Power)
Zasilanie: 3-pinowy stabilizator (U2), obudowa TO-220 lub D-PAK (TO-252).
Tranzystor załączający obciążenie - (Q3) N-Ch MOSFET INTERSIL HUF76107d3s / poziomy logiczne. Obudowa - D-PAK (TO-252).
Tranzystor sterujący wyjściem sygnalizacji - (Q1) BC869/SOT89 + BC847BL.
Montaż
Urządzenie zmontowano na dwóch dwustronnych płytkach o grubości 1,5mm.
Uwaga! Płytki wykonano za pomocą termotransferu. Dlatego wszystkie wzory płytek to odbicia lustrzane. Można je pobrać na końcu artykułu.
Otrzymujemy dwie płytki (widok z jednej i drugiej strony)
Płytka CPU - kolejność montażu elementów
Czyścimy, cynujemy (jeśli jest taka potrzeba), wiercimy otwory (robimy przelotki 4 lub 6 w zależności czy jest układ resetu - patrz niebieskie strzałki na poniższym rysunku) i całość montujemy z wyjątkiem mikrokontrolera i dwóch zworek SMD (czerwone strzałki na obrazku).
Przy montażu mikrokontrolera należy pamiętać, aby grubość lutu pod jego obudową nie przekraczała 0,5mm. Dlatego skracamy piny 1-5 wyświetlacza i zworkę przy pinie 20 mikrokontrolera na wysokości 0,4-0,5mm od powierzchni płytki (czerwona klamra na powyższym obrazku).
Ustawiamy FUSE bity i programujemy.
Podczas montażu mikrokontrolera należy lekko zgiąć w dół jego piny, aby nie dotykał obudową miejsc lutowania wyświetlacza.
Mikrokontroler można zaprogramować osobno lub na płytce, ale tak czy siak będzie nam potrzebny kabel ISP z oddzielnymi przewodami do lutowania. Podajemy zasilanie 5V bez podłączonego czujnika. Na wyświetlaczu powinno się pojawić «- -» i powinna się zaświecić czerwona dioda (wyświetlana wartość będzie mało czytelna, ponieważ nie ma 2 zworek - będzie brakować ostatniej pozycji wyświetlacza i wszystkich segmentów „b”; jednak za pomocą przycisku można już wejść w menu). Jeśli wszystko się zgadza, odłączamy kabel ISP i montujemy dwie zworki SMD.
Jeśli płytka Power nie jest wykorzystywana (lub chcemy zrobić to po swojemu), można zamontować dławik (lub zworkę) i kondensator - na płytce przewidziano dla nich miejsce (zaznaczone zielonym kolorem) oraz podłączyć czujnik (+5, G, 1-W) do płytki CPU i całość uruchomić „na kablach”.
Do czujnika najlepiej użyć kabla ekranowanego - wystarczy taki o przekroju żył 0,22-0,34mm2 (nie za gruby, bo na czujnik będzie wpływała temperatura otoczenia).
W przypadku zastosowania płytki Power montujemy:
- 2 zworki - jedna obowiązkowo (Q2), druga opcjonalnie (niebieskie strzałki na powyższym obrazku);
- złącza zaznaczone czerwoną kropką lutować z obu stron płytki (w tym celu wyciągamy piny na 5-7mm, lutujemy je od strony montażowej, a następnie nakładamy z powrotem plastikową obudowę).
Należy sprawdzić działanie wszystkich obwodów płytki Power bez podłączania do płytki CPU.
Płytki łączy się za pomocą 6 zworek o średnicy 0,8-0,9mm. Należy je złożyć ze sobą w kształcie litery „T” (autor zamiast zworek wykorzystał piny ze złącz IDC zgięte pod kątem 90°.).
Włączamy, sprawdzamy, ustawiamy progi włączenia/wyłączenia.
W załączniku wsad do mikrokontrolera i wzory płytek (odbicie lustrzane!).
Źródło tłumaczonego tekstu: http://arv.radioliga.com/content/view/220/43/
Fajne? Ranking DIY
