logo elektroda
logo elektroda
X
logo elektroda
Adblock/uBlockOrigin/AdGuard mogą powodować znikanie niektórych postów z powodu nowej reguły.

K6122AM/FM - Grzejąca się cewka T6 po wymianie TDA 2003 i 4558 w CB radiu

Mondaj 01 Cze 2013 09:48 4389 9
  • #1 12368628
    Mondaj
    Poziom 10  
    Witam wszystkich forumowiczów
    Posiadam CB radio jak w temacie po wymianie TDA 2003 i 4558 radio nareszcie "zagrało"
    Po złożeniu wszystkiego do kupy spaliła mi się diada D12 to ją wymieniłem to teraz się grzeje cewka T6. Gdzie mam szukać przyczyny grzania się tej cewki??

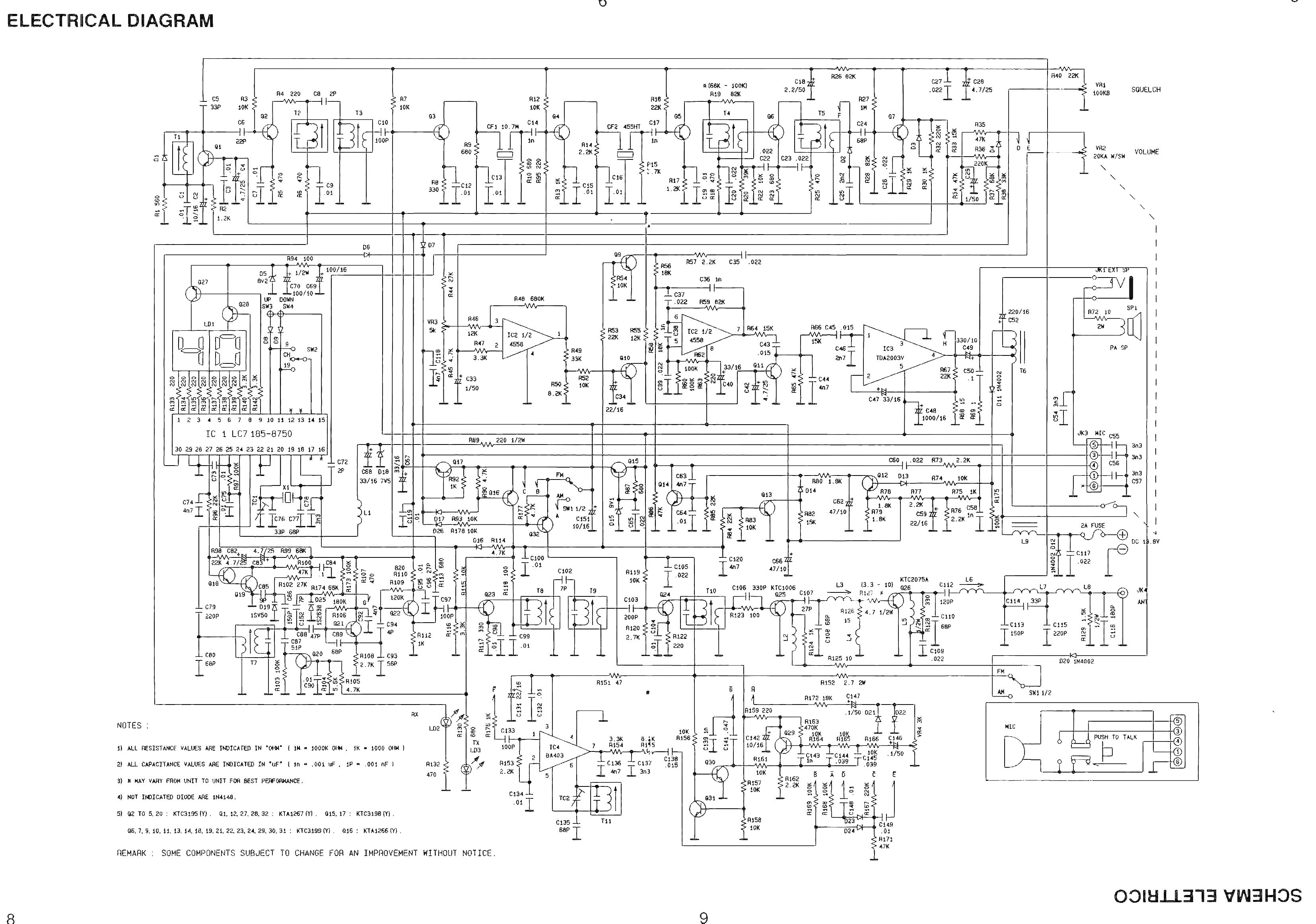
    P.S dołączam schemat radyjka
    K6122AM/FM - Grzejąca się cewka T6 po wymianie TDA 2003 i 4558 w CB radiu
  • #3 12369318
    SP5ANJ
    Spoczywaj w Pokoju
    Witam.
    Mondaj napisał:
    Po złożeniu wszystkiego do kupy spaliła mi się diada D12 to ją wymieniłem ...

    Odwrotnie podłączone zasilanie lub dioda.

    Cytat:
    P.S dołączam schemat radyjka

    Przypomnę, że jest BŁĄD w schemacie tej Onwy (wersja 6122) a polega on , na tym :

    K6122AM/FM - Grzejąca się cewka T6 po wymianie TDA 2003 i 4558 w CB radiu

    Cytat:
    ... to teraz się grzeje cewka T6. Gdzie mam szukać przyczyny grzania się tej cewki??

    Zobacz, że jeżeli ten transformator (autotransformator) modulacyjny dla AM-u grzeje się to znaczy, że płynie prąd poprzez T6 co może wynikać tylko z :
    - zwarcie złącza EC Q25
    - zwarcie C109 i/lub C110
    - zwarcie C49
    - zwarcie na ścieżkach (jak wymieniałeś)

    Nic nie piszesz o tym czy i jak teraz "działa" radio. :?:

    Co się dzieje jak przełączasz w emisję FM (podajesz napięcie zasilania na Q25 poprzez opornik R152 - bez udziału T6) - czy dalej się tak grzeje.:?:

    Przy grzaniu się T6 to na 99% ten transformator do przewinięcia. :cry:


    Pozdrawiam.
  • #4 12369616
    Mondaj
    Poziom 10  
    Zrobiłem jak kolega powiedział. Przelaczylem na FM i radyjko się zadymilo. Ale nie jestem pewny z którego miejsca, gdzieś z okolicy 4558, i wydaje mi się że jest do wymiany dioda D 11

    Dodano po 20 [minuty]:

    Nie rozumiem tego radia. Teraz go podlaczylem i dziala. Odkrecilem wszystki śrubki od PCB i tranzystor i nic nie dymi ani się nie grzeje.

    Dodano po 37 [minuty]:

    Nie wiem co zrobiłem ale się nic nie grzeje tylko słabo słychać a prawie w ogole. Co teraz mam zrobić pierwszy raz mi się coś takiego zrobilo?
  • #5 12370538
    SP5ANJ
    Spoczywaj w Pokoju
    Mondaj napisał:
    Nie rozumiem tego radia. Teraz go podlaczylem i dziala. Odkrecilem wszystki śrubki od PCB i tranzystor i nic nie dymi ani się nie grzeje.

    Albo sobie z Nas jakieś "jaja" robisz z tym tranzystorem albo zapomniałeś odizolować obudowę tego Q25 od masy radia (obudowa Q25 to kolektor, który jest na plusie zasilania).

    Przypominam, że jest to dział serwisowy. :!:


    Pozdrawiam.
  • #6 12372049
    multihunter
    Poziom 26  
    Spokojnie zaśmierdziało krzemem z półprzewodników i będzie nauczka
    Mondaj napisał:
    Po złożeniu wszystkiego do kupy spaliła mi się diada D12 to teraz się grzeje cewka T6
    Obecnie, aby to radio jeszcze gadało, jedyna możliwość postępowania wygląda następująco

    1. Akumulator zastąpić zasilaczem zabezpieczonym nadprądowo
    (radio na solidnie przygotowany stół :idea: zachować porządek do kwadratu)

    K6122AM/FM - Grzejąca się cewka T6 po wymianie TDA 2003 i 4558 w CB radiu

    2. Wyjąć T6
    3. Zrobić zworę C49
    4. Zrobić bajpas z żarówką 0.5W/12V, lub lampką probierczą
    5. Uruchamiać w pozycji wyłącznika OFF
    6. Jak żarówka zgaśnie na odbiorze (czytaj: naprawione) wstawić zworę w miejsce wyłącznika z żarówką
    7. Po odwrotnym podłączeniu do sprawdzenia części, które lecą standardowo
    8. Ten bajpas powinien dać ≈1W mocy bez trafa T6 z dobrą modulacją

    Myślę, że teraz T6 trzeba będzie zakupić, albo przewinąć - na koniec założyć go

    Dodano po 6 [minuty]:

    SP5ANJ napisał:
    Przypomnę, że jest BŁĄD w schemacie tej Onwy (wersja 6122)
    Słuszna uwaga dotyczy to wszystkich radii bazujących na tym schemacie

    https://www.elektroda.pl/rtvforum/topic1984124.html#9458143
  • #7 12372112
    Mondaj
    Poziom 10  
    Ave
    T6 już jest przewinięte i jeszcze nie zamontowane. Teraz radyjko na mocnym przesterze (potencjonometr SQ) na modulacji FM trzeszczy i chyba nie nadaje. Na AM w ogóle nie słychać nic.

    P.S cały czas używam zasilacza stabilizowanego na 13,8v z bezbiecznikiem 2A. Modulacje FM sprawdzalem na starym zamontowanym T6.
    I dla ludzi którzy się czepiają słówek Tranzystor Q26 jest i był odizolowanym od obudowy podkładką w włókna szklanego a śróba zaizolowana
  • #8 12372149
    multihunter
    Poziom 26  
    Chyba nie nadaje to mi pachnie odwrotką szefie i nie montuj T6, bo masz kupę do zrobienia jeszcze
    Już nie chodzi o to, ale o zdarzenie j/w - stąd zasadnicze pytanie: kto przebiegunował radio ?
    Bez tego wybierasz między pracującą niedzielą, a (trochę mniej) wolnym weekendem

    Dodano po 13 [minuty]:

    ps.
    Masz taki przyrząd diagnostyczny coś jak "detektor feromonów" dobry na duże prądy jak zaśmierdzi krzemem
    Podobno lewa dziurka lepiej wykrywa smrody, a prawa zapachy, natomiast w przypadku osób leworęcznych - odwrotnie

    :D

    ps.2
    Jak dasz trochę więcej zwojów od strony Q26 wtedy nadawanie będzie lepsze
  • #9 12372267
    SP5ANJ
    Spoczywaj w Pokoju
    Witam.
    Mondaj napisał:
    I dla ludzi którzy się czepiają słówek Tranzystor Q26 jest i był odizolowanym od obudowy podkładką w włókna szklanego a śróba zaizolowana

    Musisz wierzyć Nam na słowo, że naprawdę chcemy Tobie pomóc.

    Mowa o Q25 (PA TX-a) dla modelu MK2 z PCB 6112 a Q26 dla modelu MK3 z PCB 6122. Mógłbyś podać o jakim modelu jest mowa.

    Jeżeli po przełączeniu na FM (przełącznikiem) nastąpił "wybuch" w elektronice to 1-szym co mogło spowodować spalenie D11 i/lub R152, może być Q25 czy Q26.
    Grzanie się T6 to również może być Q25/Q26.
    Q2x może jest po prostu zwarty na złączach E z C - to dość częsta awaria.

    Nic nie piszesz o możliwościach pomiaru i czy posiadasz jakikolwiek multimetr. :?:
    Zwarcie takie możesz zlokalizować nawet bez wylutowywania Q2x .


    Pozdrawiam.
  • #10 12372318
    Mondaj
    Poziom 10  
    Jest to model mk3
    Możliwości pomiarów nie mam bo kilka dni temu ni się zespół miernik i nie kupiłem nowego jedynie mogę sprawdzić czy jest zwarcie i czy jest jaki kolwiek prad

    Moderowany przez Olek II:

    Kolego, z wielkim szacunkiem, ale regulamin działu nie pozwala na pisanie z błędami ortograficznymi. Regulamin działu nie pozwala również na zaniżanie poziomu, co czynisz. Obruszasz się na uwagi kolegów, którzy chcą pomóc, a to już jest bardzo niestosowne z Twojej strony. Temat zamykam, ochłoniesz, kupisz miernik, temat otworzę.

REKLAMA