Witam
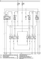
Jako ze miałem problem z elektrycznymi szybami w moim aucie (miałem zainstalowane jakąś chińszczyznę ledwo szyby podnosiła) to zakupiłem oryginalne podnośniki z allegro. Teraz chciałbym podąć napięcie na silnik (bardzo szeroka wtyczka 15 - 20 styków) czy ma ktoś może schemat tego ustrojstwa bądź tez może wiecie gdzie podać napięcie żeby szyba mi się domknęła (próbowałem podać napięcie na każdy ze styków natomiast bez rezultatu). Względnie chciałbym wykorzystać sterowanie z chińskich podnośników - po prostu przełącznik w gore i w dol...
Jako ze miałem problem z elektrycznymi szybami w moim aucie (miałem zainstalowane jakąś chińszczyznę ledwo szyby podnosiła) to zakupiłem oryginalne podnośniki z allegro. Teraz chciałbym podąć napięcie na silnik (bardzo szeroka wtyczka 15 - 20 styków) czy ma ktoś może schemat tego ustrojstwa bądź tez może wiecie gdzie podać napięcie żeby szyba mi się domknęła (próbowałem podać napięcie na każdy ze styków natomiast bez rezultatu). Względnie chciałbym wykorzystać sterowanie z chińskich podnośników - po prostu przełącznik w gore i w dol...