Witam,
Wiem, że podobne tematy były jak mój lecz nie znalazłem rozwiązania a siedzę już ponad tydzień czasu nad tym.
Robię czujnik reagujący na odbitą wiązkę z diody IR 920nm.
Wykorzystuje atmega8 do generowania nośnej 36kHz lecz mam za mały zasięg.
Reaguje dopiero na odległości około 20cm a potrzebuje 1m.
Pin B.1 odpowiedzialny jest za podawanie impulsu na diody. Mam 2 diody połączone szeregowo przez rezystor 36om i do plusa a katoda połączona jest z tranzystorem BC557 dla wzmocnienia.
Baza tranzystora przez rezystor i do pina B1 a emiter do masy.
Odbiornikami nośnej są TSOP31236. Sterują one tylko zapalanie diody led.
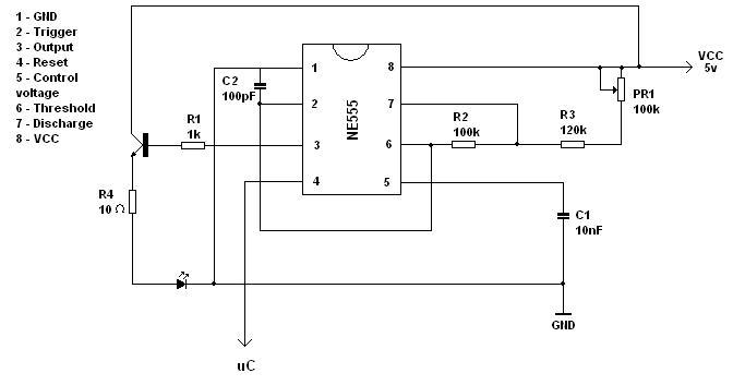
Wykonałem też generator 36kHz z zestawu AVT na jednym NE555 lecz nawet nie reagują na tą nośną moje odbiorniki. Na przycisk z pilota zareagują.
Jeszcze dzisiaj wykonam generator na dwóch NE555 może zadziała, ale chciałbym pozostać przy atmedze. (mam ich za dużo)
Poniżej przedstawiam dwa kody na jednym działa tylko. Zaznaczam że już różnych próbowałem i szukałem lecz nie znalazłem
Pomożecie?
Na tym działa ale na 20cm
Zewnętrzny kwarc 8MHz i fuse na C9 FF.
8M/(110+1)=72072 co daje 36,036kHz
Jakieś propozycje rozwiązania?
Wiem, że podobne tematy były jak mój lecz nie znalazłem rozwiązania a siedzę już ponad tydzień czasu nad tym.
Robię czujnik reagujący na odbitą wiązkę z diody IR 920nm.
Wykorzystuje atmega8 do generowania nośnej 36kHz lecz mam za mały zasięg.
Reaguje dopiero na odległości około 20cm a potrzebuje 1m.
Pin B.1 odpowiedzialny jest za podawanie impulsu na diody. Mam 2 diody połączone szeregowo przez rezystor 36om i do plusa a katoda połączona jest z tranzystorem BC557 dla wzmocnienia.
Baza tranzystora przez rezystor i do pina B1 a emiter do masy.
Odbiornikami nośnej są TSOP31236. Sterują one tylko zapalanie diody led.
Wykonałem też generator 36kHz z zestawu AVT na jednym NE555 lecz nawet nie reagują na tą nośną moje odbiorniki. Na przycisk z pilota zareagują.
Jeszcze dzisiaj wykonam generator na dwóch NE555 może zadziała, ale chciałbym pozostać przy atmedze. (mam ich za dużo)
Poniżej przedstawiam dwa kody na jednym działa tylko. Zaznaczam że już różnych próbowałem i szukałem lecz nie znalazłem
Pomożecie?
Kod: text
Na tym działa ale na 20cm
Kod: text
Zewnętrzny kwarc 8MHz i fuse na C9 FF.
8M/(110+1)=72072 co daje 36,036kHz
Jakieś propozycje rozwiązania?
