Witam
Potrzebuje zrobić jak w temacie dodatkowy wyłącznik poduszki pasażera.
Dlaczego już wyjaśniam.
Ktoś sprzedał autko z ubitym sensorem airbag i wylutowaną diodą w zegarach aby nie biła po oczach. Mało tego ktoś próbował czyścic crasha i uwalił całkiem sensor
() Znalazłem używkę o tych samych numerach i indexie .Niestety jak się później okazało jest ze skody z dodatkowym wyłącznikiem przedniej poduszki i tak jest kodowany . Kodowania nie da sie zmienić VCDS-em,
Po wpięciu do samochodu są tylko błędy 01578 i 01228. Poza tym wszystko pasuje, poduszki napinacze itp.
Pozostaje albo przeprogramować sterownik odpowiednim wsadem dla tego indeksu z odpowiednim kodowaniem lub dołożyć mu ten wyłącznik, aby znikły te błedy.
Znalazłem schemat, na schemacie oznaczony jest jako dodatkowy moduł K 145 (to lampka kontrolna wyłączenia poduszki ) i wyłącznik poduszki E 224.
Układ ten ma sygnalizować diodą stan wyłączenia poduchy o czym świadczy tez jeden z błędów.
Moje pytanie czy to jest jakiś układ elektroniczny, który mysi być oryginalny i trzeba go wyciągnąć z jakiegoś samochodu (wyposażonego w taki wyłącznik).
Czy można zrobić takie coś samemu(chodzi mi o zasadę działania)Pomijam oczywiście że oryginał jest na kluczyk od stacyjki, bo w tym przypadku nigdy nie będzie używane wyłączanie, chodzi tylko o poprawna prace tego sensora w tym samochodzie.
Ps. Na pewno nikt nie miał tego ustrojstwa w rekach ?
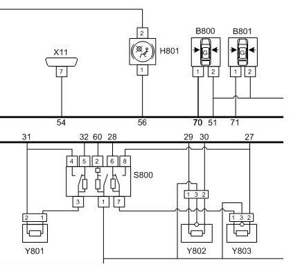
Tak to wygląda na schemacie, moduł oznaczony jako s800.
Trzy przełączniki i rezystory, wpiety w szereg z poduchami (przednia pasażera Y 801 i boczną Y 803) rezystory te boczne pewnie maja wartość emulująca rezystancje poduszek,ale to nie jest mi potrzebne,tak jak pisałem.
W moim przypadku potrzebuję tylko znać wartość rezystora w środku, bo on jest tylko podłączony do pinu 60 i poprzez zwarcie z masą informuje sterownik o wyłączeniu poduszek, (tak przynajmniej wynika z tego schematu) no i podpięcie lampki pod pin 56,tylko pytanie czy dioda czy żarówka.ma ktoś dostep do takiego wyłącznika modułu i mógłby pomierzyć interesujące mnie wartości?
Dokładnie interesuje mnie wartość rezystancji miedzy pinem 1 i 2 modułu s 800.
Bo jak mniemam to odpowiada za błąd 01228 otwarty obwód wyłącznika.
PS.
Sprawa rozwiązana,poradziłem sobie,więc zamykam temat bo i tak nikt nie chciał sie podzielić wiadomościami.
Pozdrawiam.
Potrzebuje zrobić jak w temacie dodatkowy wyłącznik poduszki pasażera.
Dlaczego już wyjaśniam.
Ktoś sprzedał autko z ubitym sensorem airbag i wylutowaną diodą w zegarach aby nie biła po oczach. Mało tego ktoś próbował czyścic crasha i uwalił całkiem sensor
() Znalazłem używkę o tych samych numerach i indexie .Niestety jak się później okazało jest ze skody z dodatkowym wyłącznikiem przedniej poduszki i tak jest kodowany . Kodowania nie da sie zmienić VCDS-em,
Po wpięciu do samochodu są tylko błędy 01578 i 01228. Poza tym wszystko pasuje, poduszki napinacze itp.
Pozostaje albo przeprogramować sterownik odpowiednim wsadem dla tego indeksu z odpowiednim kodowaniem lub dołożyć mu ten wyłącznik, aby znikły te błedy.
Znalazłem schemat, na schemacie oznaczony jest jako dodatkowy moduł K 145 (to lampka kontrolna wyłączenia poduszki ) i wyłącznik poduszki E 224.
Układ ten ma sygnalizować diodą stan wyłączenia poduchy o czym świadczy tez jeden z błędów.
Moje pytanie czy to jest jakiś układ elektroniczny, który mysi być oryginalny i trzeba go wyciągnąć z jakiegoś samochodu (wyposażonego w taki wyłącznik).
Czy można zrobić takie coś samemu(chodzi mi o zasadę działania)Pomijam oczywiście że oryginał jest na kluczyk od stacyjki, bo w tym przypadku nigdy nie będzie używane wyłączanie, chodzi tylko o poprawna prace tego sensora w tym samochodzie.
Ps. Na pewno nikt nie miał tego ustrojstwa w rekach ?
Tak to wygląda na schemacie, moduł oznaczony jako s800.
Trzy przełączniki i rezystory, wpiety w szereg z poduchami (przednia pasażera Y 801 i boczną Y 803) rezystory te boczne pewnie maja wartość emulująca rezystancje poduszek,ale to nie jest mi potrzebne,tak jak pisałem.
W moim przypadku potrzebuję tylko znać wartość rezystora w środku, bo on jest tylko podłączony do pinu 60 i poprzez zwarcie z masą informuje sterownik o wyłączeniu poduszek, (tak przynajmniej wynika z tego schematu) no i podpięcie lampki pod pin 56,tylko pytanie czy dioda czy żarówka.ma ktoś dostep do takiego wyłącznika modułu i mógłby pomierzyć interesujące mnie wartości?
Dokładnie interesuje mnie wartość rezystancji miedzy pinem 1 i 2 modułu s 800.
Bo jak mniemam to odpowiada za błąd 01228 otwarty obwód wyłącznika.
PS.
Sprawa rozwiązana,poradziłem sobie,więc zamykam temat bo i tak nikt nie chciał sie podzielić wiadomościami.
Pozdrawiam.