Stabilizowane przetwornice napięcia i scalone moduły przetwornic
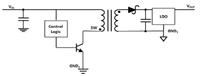
Przetwornica z stabilizowanym wyjściem oferuje znacznie lepsze parametry pracy. Poniższy schemat pokazuje typową przetwornicę dla mocy rzędu 1 W.
Kontroler po stronie pierwotnej zaprojektowany został identycznie jak dla niestabilizowanej przetwornicy. Transformator oraz parametry pracy układu po stronie wtórnej zostały dobrane w ten sposób aby zapewnić optymalne warunki pracy stabilizatorowi po stronie wtórnej. Zostało to tak dobrane, aby przy maksymalnym obciążeniu zapewnić stabilizatorowi LDO po stronie wtórnej dostatecznie duży zapas napięcia do pracy. Ten tryb pracy zapewnia bardzo dobrą efektywność pracy przetwornicy przy dużych obciążeniach, jednakże dla niewielkich obciążeń efektywność przetwarzania jest strasznie niska. A to są właśnie warunki pracy które analizujemy w tym artykule.
Istnieje możliwość aktywnej regulacji napięcia wyjściowego co znacznie poprawi efektywność pracy układu w całym spektrum obciążeń, jednakże wymaga to znacznie bardziej skomplikowanej struktury układu i zazwyczaj potrzebuje do pracy sprzężenia zwrotnego w układzie, zrealizowanego przez barierę galwaniczną. Zwiększa to znacznie koszty takiego układu oraz stopień jego skomplikowania. Zazwyczaj nie jest to stosowane w modułach przetwornic DC/DC w tym zakresie mocy.
Stopień integracji tych przetwornic niestety nie wzniósł się ponad duże toporne moduły lub nawet dodatkowe PCB umieszczane na płytce drukowanej. Winę za to ponosi konieczność umieszczenia z strukturze układu transformatora którego minimalizacja jest ograniczona fizyką jego pracy. Producenci niestety nie mogą pochwalić się żadnymi sukcesami w materii minimalizacji tych układów.
Źródła:
http://www.analog.com/static/imported-files/t...Conversion-for-Isolated-Sensor-Interfaces.pdf
Przetwornica z stabilizowanym wyjściem oferuje znacznie lepsze parametry pracy. Poniższy schemat pokazuje typową przetwornicę dla mocy rzędu 1 W.
Kontroler po stronie pierwotnej zaprojektowany został identycznie jak dla niestabilizowanej przetwornicy. Transformator oraz parametry pracy układu po stronie wtórnej zostały dobrane w ten sposób aby zapewnić optymalne warunki pracy stabilizatorowi po stronie wtórnej. Zostało to tak dobrane, aby przy maksymalnym obciążeniu zapewnić stabilizatorowi LDO po stronie wtórnej dostatecznie duży zapas napięcia do pracy. Ten tryb pracy zapewnia bardzo dobrą efektywność pracy przetwornicy przy dużych obciążeniach, jednakże dla niewielkich obciążeń efektywność przetwarzania jest strasznie niska. A to są właśnie warunki pracy które analizujemy w tym artykule.
Istnieje możliwość aktywnej regulacji napięcia wyjściowego co znacznie poprawi efektywność pracy układu w całym spektrum obciążeń, jednakże wymaga to znacznie bardziej skomplikowanej struktury układu i zazwyczaj potrzebuje do pracy sprzężenia zwrotnego w układzie, zrealizowanego przez barierę galwaniczną. Zwiększa to znacznie koszty takiego układu oraz stopień jego skomplikowania. Zazwyczaj nie jest to stosowane w modułach przetwornic DC/DC w tym zakresie mocy.
Stopień integracji tych przetwornic niestety nie wzniósł się ponad duże toporne moduły lub nawet dodatkowe PCB umieszczane na płytce drukowanej. Winę za to ponosi konieczność umieszczenia z strukturze układu transformatora którego minimalizacja jest ograniczona fizyką jego pracy. Producenci niestety nie mogą pochwalić się żadnymi sukcesami w materii minimalizacji tych układów.
Źródła:
http://www.analog.com/static/imported-files/t...Conversion-for-Isolated-Sensor-Interfaces.pdf
Fajne? Ranking DIY
