logo elektroda
logo elektroda
X
logo elektroda
REKLAMA
REKLAMA
Adblock/uBlockOrigin/AdGuard mogą powodować znikanie niektórych postów z powodu nowej reguły.

Citroen C5 2.0 HDi 136 FAP 2005 - lokalizacja wtyczki drugiej sondy w tłumiku

czarny_gti 15 Cze 2013 00:59 9540 20
REKLAMA
  • #1 12418222
    czarny_gti
    Poziom 11  
    Posiadam Citroena C5 2005 2.0 HDi 136 z FAPem.
    W tym modelu jest system dopalania spalin wyposażony w dwie sondy.
    Kupiłem to auto jakieś 2 lata temu i przez ten czas świecił mi "czek".
    Ale przyszedł czas na pewne naprawy i zaczynam od dopalania spalin.
    Sprawa jest taka - w tłumiku są dwie sondy, jedna z nich wydaje się być w porządku a druga jest odcięta i w tym tkwi cały szkopuł.
    Czy ktoś wie, gdzie powinna być jej wtyczka, bo nie mogę jej znaleźć?
    Jedna z sond ma wtyczkę pod pompą wtryskową i u mnie jest w pięta, a druga? Właśnie tego szukam i nie mogę znaleźć.
    Jeśli ktoś ma taki model to może wyśle jakieś zdjęcie albo mi napisze.
    Jest to dla mnie bardzo ważne.
  • REKLAMA
  • #2 12418923
    piotrekwoj1
    Poziom 42  
    Napewno to sonda a nie czujnik temperatury? Kolego musisz sam poszukac troche własnej pracy poświeć.
  • REKLAMA
  • #3 12419064
    kybernetes
    Poziom 39  
    czarny_gti napisał:
    W tym modelu jest system dopalania spalin wyposażony w dwie sondy.

    Czyżby? Zawsze widziałem w tym silniku tam tylko jedną sondę temperatury i nie sądzę aby u ciebie było inaczej. Najlepiej wrzuć tu osiem ostatnich cyfr numeru nadwozia to sprawdzimy co tam masz.
  • #4 12419388
    czarny_gti
    Poziom 11  
    kybernetes napisał:
    czarny_gti napisał:
    W tym modelu jest system dopalania spalin wyposażony w dwie sondy.

    Czyżby? Zawsze widziałem w tym silniku tam tylko jedną sondę temperatury i nie sądzę aby u ciebie było inaczej. Najlepiej wrzuć tu osiem ostatnich cyfr numeru nadwozia to sprawdzimy co tam masz.

    na pewno są dwie a w peugeotach widziałem jedna, jak chodzi o to czy to sonda czy czujnik temp może to być czujnik. vin :VF7RCRHRH76652668
    wtyczki już szukam jakiś czas albo kogoś z takim modelem i jest ich na tyle mało ze jak na razie nie mam informacji
  • #5 12419403
    kybernetes
    Poziom 39  
    Twój pojazd niczym szczególnym się nie wyróżnia i posiada, tak jak jak inne, jedną sondę temperatury za katalizatorem.

    Dodano po 1 [minuty]:

    czarny_gti napisał:
    czy to sonda czy czujnik

    Po polsku - czujnik, po "zagranicznemu" - sonda.
  • #6 12419876
    piotrekwoj1
    Poziom 42  
    Kolego citroen peugeot to te same jednostki napedowe
  • #7 12420239
    czarny_gti
    Poziom 11  
    jestem mechanikiem i pytam bo wcześniej nie miałem z tym do czynienia znam sie trochę na naprawie aut pracuje w tym zawodzie 7 lat i wiem co mówię jak mówię ze są dwie to są dwie u kolegi w 407 2.0 hdi jest tylko jedna, jednostka napędowa czyli silnik jest taki sam ale myśle że instalacja może być trochę inna, jedno wiem na pewno są dwie sondy
    i pytanie mam takie czy ktoś mi pomoże
  • #8 12420437
    kybernetes
    Poziom 39  
    czarny_gti napisał:
    pytanie mam takie czy ktoś mi pomoże

    Pomogłem ci - zgodnie ze specyfikacją pojazdu po numerze nadwozia, masz tam jeden czujnik temperatury za katalizatorem.
    Nb. to co widzisz pod pojazdem to nie jest tłumik a katalizator i filtr cząstek, dziwne że będąc mechanikiem samochodowym tego nie rozróżniasz.
  • #9 12420716
    czarny_gti
    Poziom 11  
    słuchaj, ja nie wiem i proszę o poradę a ty mi piszesz takie rzeczy, wiem że to jest FAP/DPF i wiem jak działa. ku twojemu zdziwieniu, i żeby cie zagiąć i że mówię prawdę to zrobię zdjęcie i wystawie w porządku ??
  • #10 12420883
    kybernetes
    Poziom 39  
    Fotografia mogłaby pomóc rozproszyć wątpliwości.
  • REKLAMA
  • #11 12421701
    tytan58
    Poziom 20  
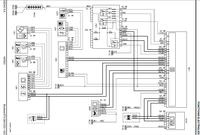
    Citroen C5 2.0 HDi 136 FAP 2005 - lokalizacja wtyczki drugiej sondy w tłumiku

    Masz wersje z dwoma czujnikami (sondami) temperatury na schemacie 1344 1343, za i przed katalizatorem.
  • #12 12421765
    kybernetes
    Poziom 39  
    tytan58 napisał:
    Masz wersje z dwoma czujnikami (sondami) temperatury na schemacie 1344 1343, za i przed FAP.

    Mylisz się. Po pierwsze dlatego, że układ z dwiema sondami temperatury był stosowany do rocznika 2004. Po drugie, to nawet w wersjach z dwiema sondami temp. te sondy nigdy nie są obie zabudowane w zespole katalizator-FAP. Jeżeli występują dwie sondy to ta druga jest zabudowana na wejściu katalizatora wstępnego przy turbinie.
  • #13 12421869
    tytan58
    Poziom 20  
    to może być przejściówka 2004/2005
  • #14 12421881
    kybernetes
    Poziom 39  
    tytan58 napisał:
    to może być przejściówka 2004/2005

    1.
    czarny_gti napisał:
    vin :VF7RCRHRH76652668
    Samochód jest z marca 2005.

    2.
    czarny_gti napisał:
    w tłumiku są dwie sondy, jedna z nich wydaje się być w porządku a druga jest odcięta
    kybernetes napisał:
    te sondy nigdy nie są obie zabudowane w zespole katalizator-FAP. Jeżeli występują dwie sondy to ta druga jest zabudowana na wejściu katalizatora wstępnego przy turbinie.
  • #15 12427775
    czarny_gti
    Poziom 11  
    Citroen C5 2.0 HDi 136 FAP 2005 - lokalizacja wtyczki drugiej sondy w tłumiku
    i teraz powinienem rozwiać wszystkie wątpliwości

    Dodano po 10 [minuty]:

    a samochód jest z 2005 i to jest c5 drugiej generacji . jak sie wyjaśniło ile mam sond to proszę o odpowiedź na pytanie jakie zadałem na początku (jeżeli ktoś zna na nie odpowiedź )
    czy ktoś wie gdzie jest kostka do pierwszej sondy ?? (lub gdzie powinna być ?). i proszę o to aby nikt mi nie pisał ze to zdjęcie sie myli a ja mam jedną sondę bo nie oto pytałem.
    najlepiej jak by ktoś sie odezwał z takim modelem
  • #16 12427867
    kybernetes
    Poziom 39  
    Hmm... Mi to wygląda na FAPa ze starej C5 (mk I) z silnika 2,2 HDi.
  • REKLAMA
  • #17 12428009
    czarny_gti
    Poziom 11  
    stary nie wiem na co ci to morze wyglądać jest to 2.0 hdi c5 II 2005 jak nie masz nic do dodania co może mi pomóc to po co zamulasz temat jakimiś pierdołami ?????????? wiem ze chcesz nabić punkty ale tym tylko przeszkadzasz



    Moderowany przez zeimp:

    Jeśli chcesz pisać na tym forum, to radzę Ci gryźć się w język i słuchać podpowiedzi! Jeśli nadal będziesz postępował w ten sposób, nałożę co najmniej ostrzeżenie z pkt. Regulaminu : 3.1.9. Zabronione jest rozpowszechnianie treści ironizujących, prześmiewczych lub złośliwych, stanowiących przejaw braku szacunku do innych Użytkowników lub osób trzecich,

    lub zrobię Ci przymusowy urlop od forum! Radzę to przemyśleć!

  • #18 12428055
    kybernetes
    Poziom 39  
    Czarny, kultura twojej wypowiedzi ma poważne braki co byłoby jeszcze do wybaczenia gdyby nie twoje problemy ze zrozumieniem słowa pisanego. Wobec tego jeszcze raz, w prostych słowach - wygląda na to, że to nie jest FAP z twojego samochodu, ktoś tam widocznie włożył puszkę z innego modelu. Dlatego też obciął przewód od sondy, który nie jest do niczego potrzebny. Tak więc nie szukaj dziury w całym i nie naprawiaj tego co nie jest popsute. Idź na piwo i dzi..ewczyny i nie truj więcej.
  • #19 12428528
    czarny_gti
    Poziom 11  
    nie chce nikogo obrażać. tylko kybernetes nie chce uwierzyć że może sie pomylić, pojadę dzisiaj do citroena (autoryzowanego serwisu ) i jeżeli oni powiedzą ze powinienem mieć jedna to w porządku przyznam mu rację ale jak okaże sie ze powinienem mieć dwie to wtedy mam nadzieje ze kybernetes coś pomoże
  • #20 12428865
    Konto nie istnieje
    Konto nie istnieje  
  • #21 12442132
    czarny_gti
    Poziom 11  
    sprawdziłem i przyznaje rację kybernetesowi ja sie myliłem . nie spodziewałem sie że ktoś tak na majstrował w tym aucie sory za to że sie upierałem przy swoim
REKLAMA